GM Service Manual Online
For 1990-2009 cars only
Makes
🢒
Chevrolet
🢒
2001
🢒
Chevy C Silverado - 2WD
🢒
HVAC
🢒
HVAC Systems - Manual
🢒 Engine Controls Component Views
Figure
1:
LF Radiator Support Components (8.1L)
(1)
Powertrain Control Module (PCM)
(2)
PCM Connector C-1 and C-2
Figure
2:
Top Right Side of the Engine Components (8.1L)
(1)
Engine Harness
(2)
Manifold Absolute Pressure (MAP) Sensor Connector
(3)
Engine
(4)
Engine Coil Harness Connector
(5)
Engine Coil Connector
(6)
Engine Coolant Temperature (ECT) Sensor Connector
Figure
3:
Lower Right Side of the Engine Components (8.1L)
(1)
A/C Compressor Clutch
(2)
A/C Compressor Clutch Connector
(3)
Engine Wiring Harness
(4)
Engine Oil Level Sensor Connector
(5)
Engine Knock Sensor (KS) - Bank 2 Connector
(6)
Knock Sensor (KS) - Bank 2
(7)
Starter Relay Output (S-Terminal Feed)
Figure
4:
Lower Left Side of the Engine Components (8.1L)
(1)
Engine-8.1L
(2)
Engine Knock Sensor (KS) - Bank 1
(3)
Engine Knock Sensor (KS) - Bank 1 Connector
(4)
Engine Harness
(5)
Engine Harness Ground (G103)
Figure
5:
Top Left Side of the Engine Components (8.1L)
(1)
Engine (8.1L)
(2)
Injector Connector
(3)
Coil Connector
(4)
Throttle Position (TP) Sensor Connector
(5)
Electronic Throttle Control (ETC) Connector
(6)
Purge Valve Solenoid Connector
(7)
Generator Connector
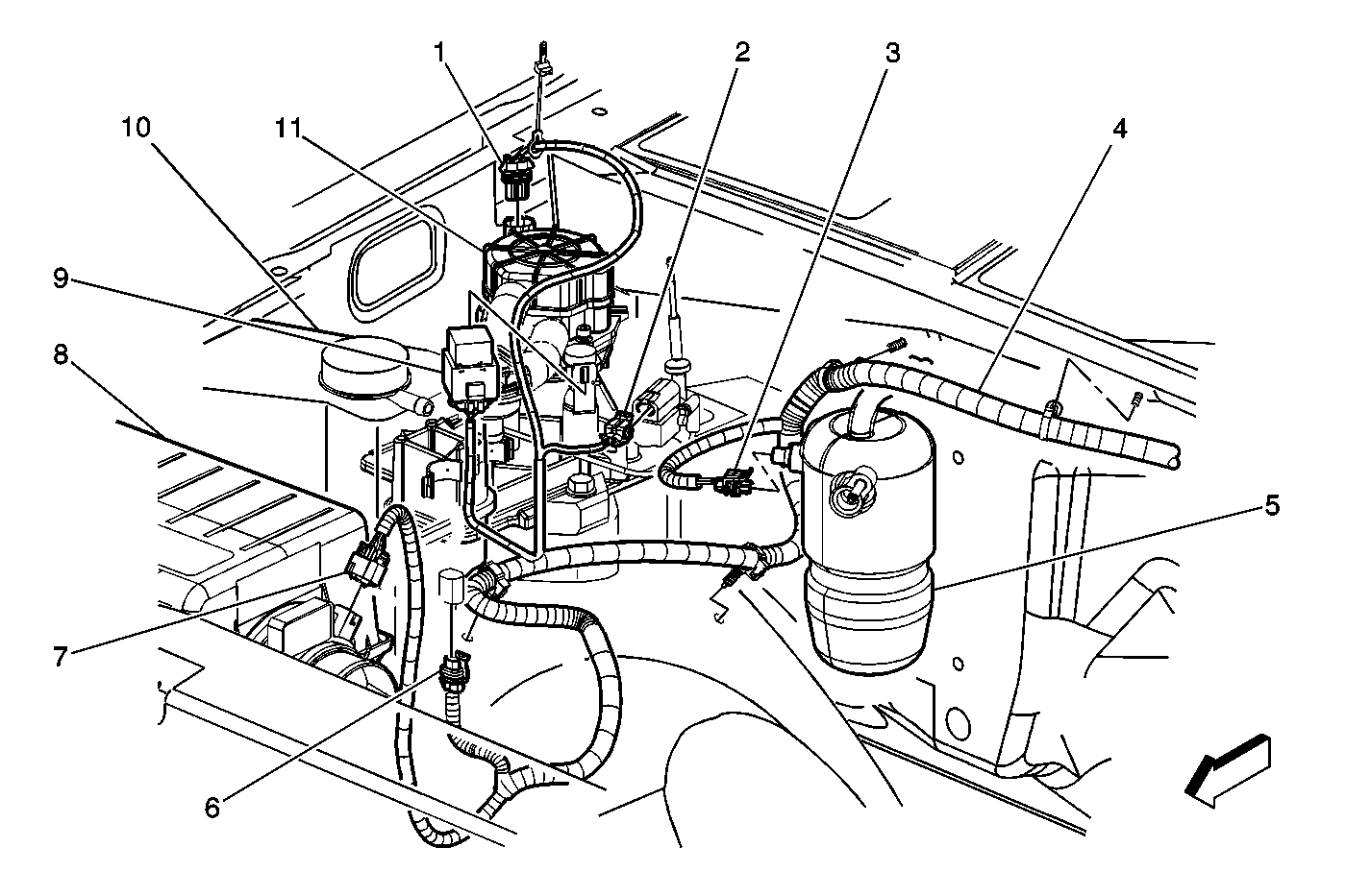
Figure
6:
RR of the Engine Compartment Components (8.1L)
(1)
Secondary Air Injection Reaction (AIR) Pump Connector
(2)
AIR Solenoid Connector
(3)
A/C Accumulator Connector
(4)
Engine Wiring Harness
(5)
A/C Accumulator
(6)
Surge Tank Switch Connector
(7)
Mass Air Flow (MAF) Switch Connector
(8)
Air Cleaner
(9)
AIR Pump Relay
(10)
Radiator Surge Tank
(11)
AIR Pump
Figure
7:
Underhood Junction Block (w/PTO)
(1)
Junction Block-Underhood
(2)
Engine Wiring Harness
(3)
Power Take Off (PTO) Relay
Figure
8:
Accelerator Pedal (8.1L)
(1)
Accelerator Pedal Position (APP) Sensor Connector
(2)
Accelerator Pedal Position (APP) Sensor
Figure
9:
LR of the Engine Compartment Components (w/Electronic Throttle Controls)
(1)
Throttle Actuator Control (TAC) Module
(2)
Throttle Actuator Control (TAC) Module Connector
(3)
Junction Block-Underhood
Figure
10:
Throttle Actuator Control (TAC) Motor
(1)
Engine - 8.1L
(2)
TAC Motor
Figure
11:
Exhaust Gas Recirculation (EGR) Valve
(1)
EGR Valve
(2)
Engine - 8.1L
Figure
12:
LR Frame -- Emission Components (8.1L)
(1)
EVAP Canister Vent Solenoid Connector
(2)
EVAP Canister Vent Solenoid
Figure
13:
Lower LF of the Engine Components (8.1L)
(1)
Engine-8.1L
(2)
Camshaft Sensor
(3)
Camshaft Sensor Connector
Figure
14:
Upper Rear of the Engine Components (8.1L)
(1)
EGR Connector
(2)
Exhaust Gas Recirculation (EGR) Valve
(3)
Crankshaft Position (CKP) Sensor Connector
(4)
Crankshaft Position (CKP) Sensor
(5)
Engine Oil Pressure (EOP) Sensor
(6)
Engine Oil Pressure (EOP) Sensor Connector
Figure
15:
Top of the Engine Components -- Fuel Rail (8.1L)
(1)
Fuel Rail Assembly
(2)
Fuel Injector
Figure
16:
LR Frame -- Primary Fuel Components (8.1L)
(1)
Fuel Pump and Sender Assembly Connector
(2)
Fuel Pump and Sender Assembly
Figure
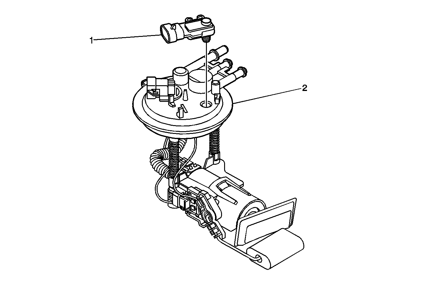
17:
LR Frame -- Secondary Fuel Components (8.1L)
(1)
Fuel Pump and Sender Assembly-Secondary
(2)
Fuel Pump and Sender Assembly Connector
Figure
18:
Underhood Junction Block (8.1L)
(1)
Fuel Pump Relay-Secondary
Figure
19:
Fuel Tank Components -- Primary (8.1L)
(1)
Fuel Tank Pressure Sensor
(2)
Fuel Sender Assembly
(3)
Fuel Level Sensor Assembly
Figure
20:
Fuel Tank Components -- Secondary (8.1L)
(1)
Secondary Fuel Pressure Sensor
(2)
Secondary Fuel Sender Assembly
Figure
21:
Oxygen Sensor - Bank 1 Sensor 1 (8.1L)
(1)
Oxygen Sensor - Bank 1 Sensor 1
(2)
Oxygen Sensor Connector
Figure
22:
Oxygen Sensor - Bank 1 Sensor 2 (8.1L)
(1)
Oxygen Sensor Connector
(2)
Oxygen Sensor - Bank 1 Sensor 2
Figure
23:
Oxygen Sensor - Bank 2 Sensor 1 (8.1L)
(1)
Oxygen Sensor - Bank 2 Sensor 1
(2)
Oxygen Sensor Connector
Figure
24:
Oxygen Sensor - Bank 2 Sensor 2 (8.1L)
(1)
Oxygen Sensor - Bank 2 Sensor 2
(2)
Oxygen Sensor Connector