GM Service Manual Online
For 1990-2009 cars only
Makes
🢒
Chevrolet
🢒
2001
🢒
Chevy C Silverado - 2WD
🢒
Body and Accessories
🢒
Keyless Entry
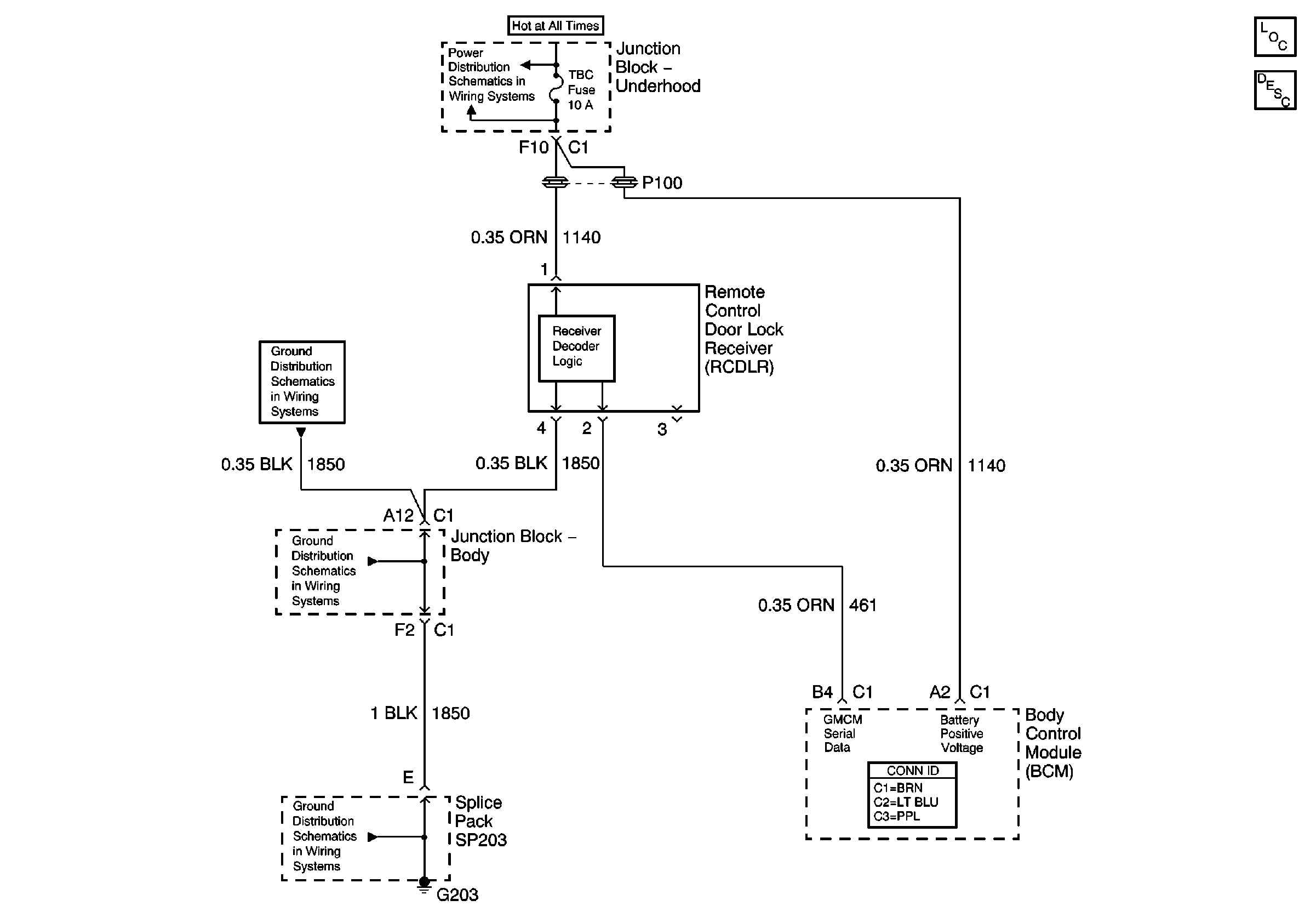
🢒 Keyless Entry Schematics
Master Electrical Component List
Keyless Entry System Description and Operation
B+ Bus Bar
G203 - 4 of 4 - Utility and Uplevel Pickup
G203 - 4 of 4 - Utility and Uplevel Pickup
G203 - 1 of 4