GM Service Manual Online
For 1990-2009 cars only

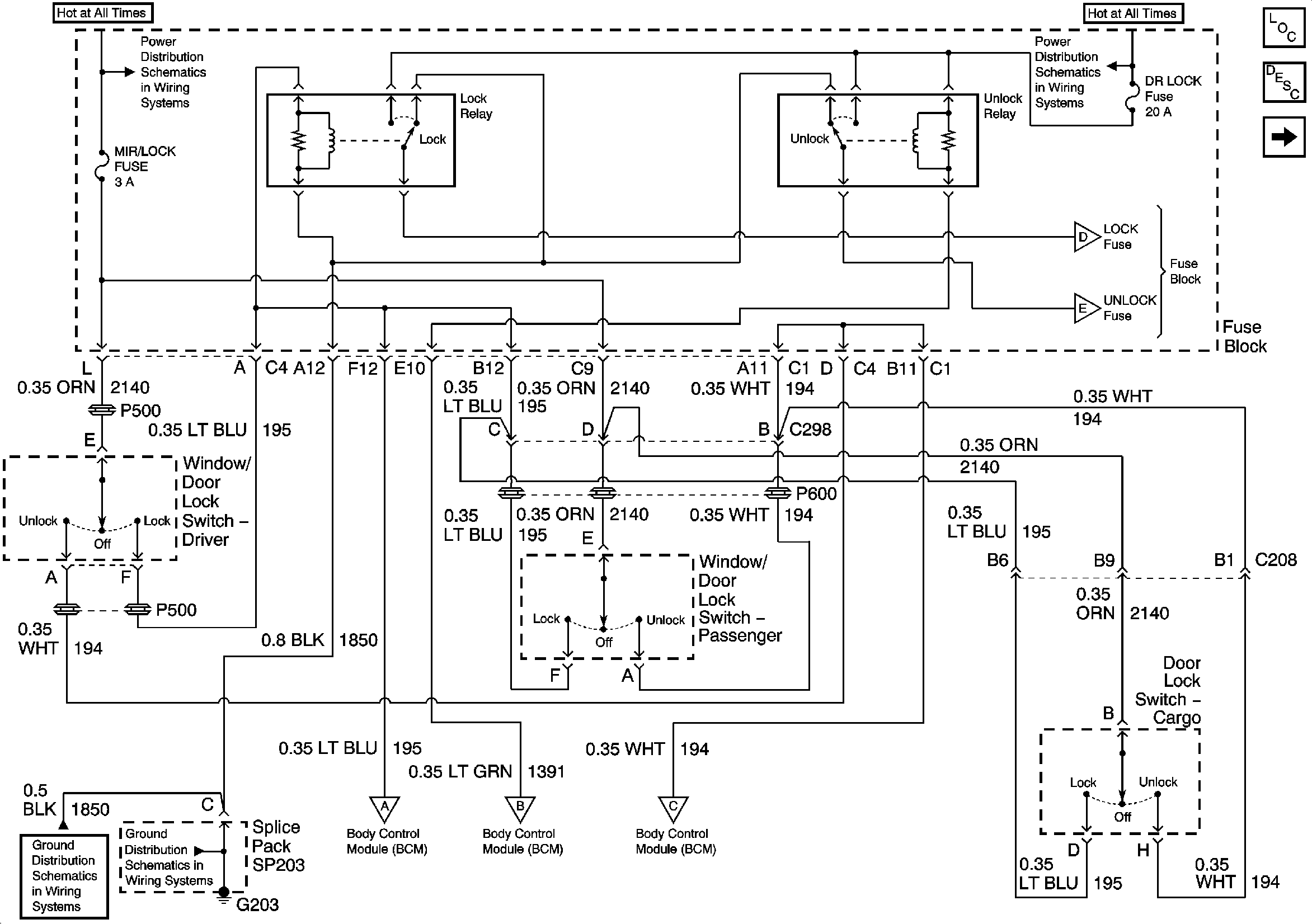
Door Lock/Indicator Schematics Base Pickup

Figure 1:

Lock and Unlock Relays, Door Lock Switches, BCM, G203


Object Number: 667142  Size: FS
Master Electrical Component List
Power Door Locks Description and Operation
Ignition Key Alarm Switch and Vehicle Speed Signal
B+ Bus Bar
B+ Bus Bar
G203 - 1 of 4
G203 - 1 of 4
Ignition Key Alarm Switch and Vehicle Speed Signal
Figure 2:

Ignition Key Alarm Switch and Vehicle Speed Signal


Object Number: 743777  Size: FS
Master Electrical Component List
Power Door Locks Description and Operation
Lock and Unlock Relays, Door Lock Switches, BCM, G203
Lock and Unlock Relays, Door Lock Switches, BCM, G203
Lock and Unlock Relays, Door Lock Switches, BCM, G203
Lock and Unlock Relays, Door Lock Switches, BCM, G203
SP205
G203 - 3 of 4 - Base Pickup
G203 - 1 of 4
Engine Data Sensors - MAF and VSS

Door Lock/Indicator Schematics Uplevel Pickup

Figure 1:

BCM, Lock and Unlock Relays, Door Lock Switches, G203


Object Number: 667143  Size: FS
Master Electrical Component List
Power Door Locks Description and Operation
Ignition Key Alarm Switch and Vehicle Speed Signal
B+ Bus Bar
B+ Bus Bar
G203 - 1 of 4
G203 - 1 of 4
Ignition Key Alarm Switch and Vehicle Speed Signal
Ignition Key Alarm Switch and Vehicle Speed Signal
Ignition Key Alarm Switch and Vehicle Speed Signal
Figure 2:

Ignition Key Alarm Switch and Vehicle Speed Signal


Object Number: 743777  Size: FS
Master Electrical Component List
Power Door Locks Description and Operation
BCM, Lock and Unlock Relays, Door Lock Switches, G203
BCM, Lock and Unlock Relays, Door Lock Switches, G203
BCM, Lock and Unlock Relays, Door Lock Switches, G203
BCM, Lock and Unlock Relays, Door Lock Switches, G203
SP205
G203 - 4 of 4 - Utility and Uplevel Pickup
G203 - 1 of 4
Engine Data Sensors - MAF and VSS

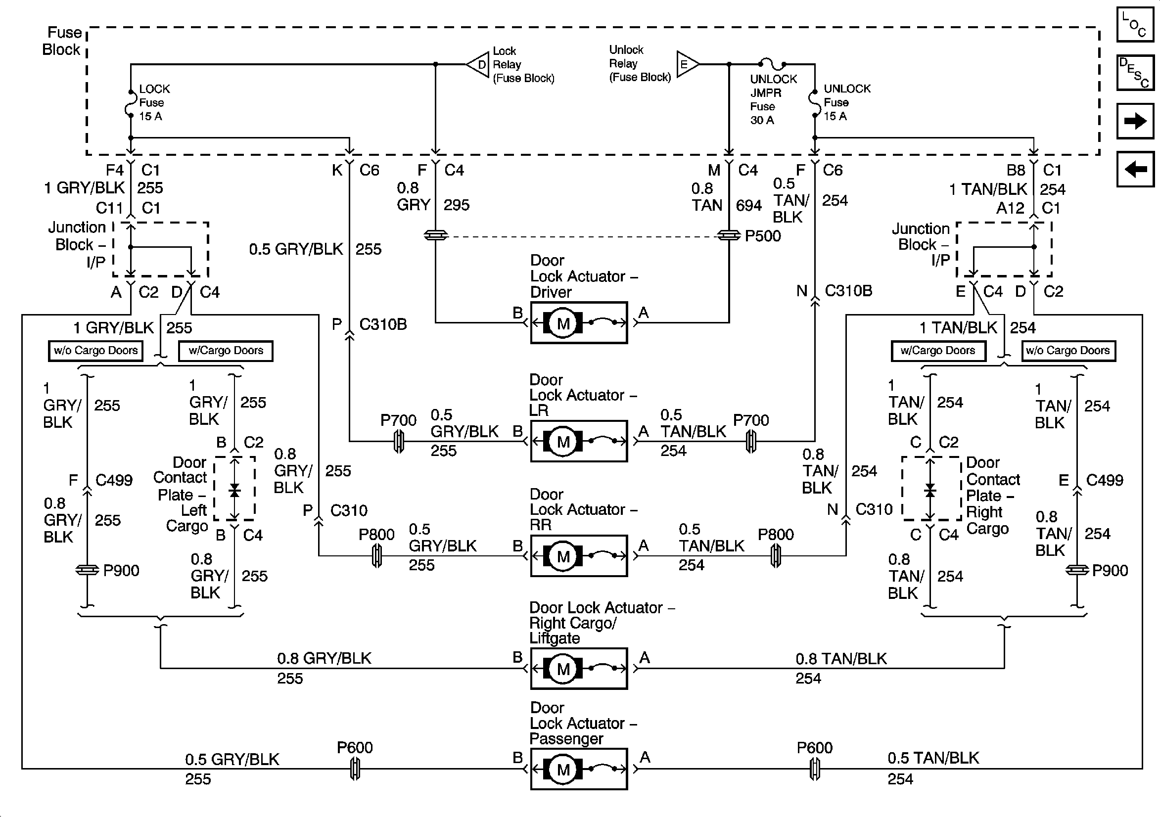
Door Lock/Indicator Schematics Base Utility and Crew Cab

Figure 1:

Lock and Unlock Relays, Door Lock Switches, G203


Object Number: 667147  Size: FS
Master Electrical Component List
Power Door Locks Description and Operation
Door Lock Actuators, Fuse Block
B+ Bus Bar
B+ Bus Bar
Door Lock Actuators, Fuse Block
Door Lock Actuators, Fuse Block
G203 - 1 of 4
G203 - 1 of 4
Ignition Key Alarm Switch and Vehicle Speed Signal
Figure 2:

Door Lock Actuators, Fuse Block


Object Number: 667152  Size: FS
Master Electrical Component List
Power Door Locks Description and Operation
Ignition Key Alarm Switch and Vehicle Speed Signal
Lock and Unlock Relays, Door Lock Switches, G203
Lock and Unlock Relays, Door Lock Switches, G203
Lock and Unlock Relays, Door Lock Switches, G203
Figure 3:

Ignition Key Alarm Switch and Vehicle Speed Signal


Object Number: 743778  Size: FS
Master Electrical Component List
Power Door Locks Description and Operation
Door Lock Actuators, Fuse Block
Lock and Unlock Relays, Door Lock Switches, G203
Lock and Unlock Relays, Door Lock Switches, G203
Lock and Unlock Relays, Door Lock Switches, G203
SP205
G203 - 4 of 4 - Utility and Uplevel Pickup
G203 - 4 of 4 - Utility and Uplevel Pickup
Engine Data Sensors - MAF and VSS
Steering Wheel Speed/Position Sensor and EVO Solenoid

Door Lock/Indicator Schematics Uplevel Utility and Crew Cab

Figure 1:

BCM, Door Lock Switches, Lock and Unlock Switches, G203


Object Number: 667157  Size: FS
Master Electrical Component List
Power Door Locks Description and Operation
Door Lock Actuators
B+ Bus Bar
B+ Bus Bar
Door Lock Actuators
Door Lock Actuators
Door Lock Actuators
G203 - 1 of 4
G203 - 1 of 4
Ignition Key Alarm Switch and Vehicle Speed Signal
Ignition Key Alarm Switch and Vehicle Speed Signal
Ignition Key Alarm Switch and Vehicle Speed Signal
Figure 2:

Door Lock Actuators


Object Number: 667160  Size: FS
Master Electrical Component List
Power Door Locks Description and Operation
Ignition Key Alarm Switch and Vehicle Speed Signal
BCM, Door Lock Switches, Lock and Unlock Switches, G203
BCM, Door Lock Switches, Lock and Unlock Switches, G203
BCM, Door Lock Switches, Lock and Unlock Switches, G203
BCM, Door Lock Switches, Lock and Unlock Switches, G203
Figure 3:

Ignition Key Alarm Switch and Vehicle Speed Signal


Object Number: 743778  Size: FS
Master Electrical Component List
Power Door Locks Description and Operation
Door Lock Actuators
BCM, Door Lock Switches, Lock and Unlock Switches, G203
BCM, Door Lock Switches, Lock and Unlock Switches, G203
BCM, Door Lock Switches, Lock and Unlock Switches, G203
SP205
G203 - 4 of 4 - Utility and Uplevel Pickup
G203 - 1 of 4
Engine Data Sensors - MAF and VSS
Steering Wheel Speed/Position Sensor and EVO Solenoid