GM Service Manual Online
For 1990-2009 cars only
Makes
🢒
Chevrolet
🢒
2001
🢒
Chevy C Silverado - 2WD
🢒
Body and Accessories
🢒
Body Rear End
🢒 Body Rear End Schematics
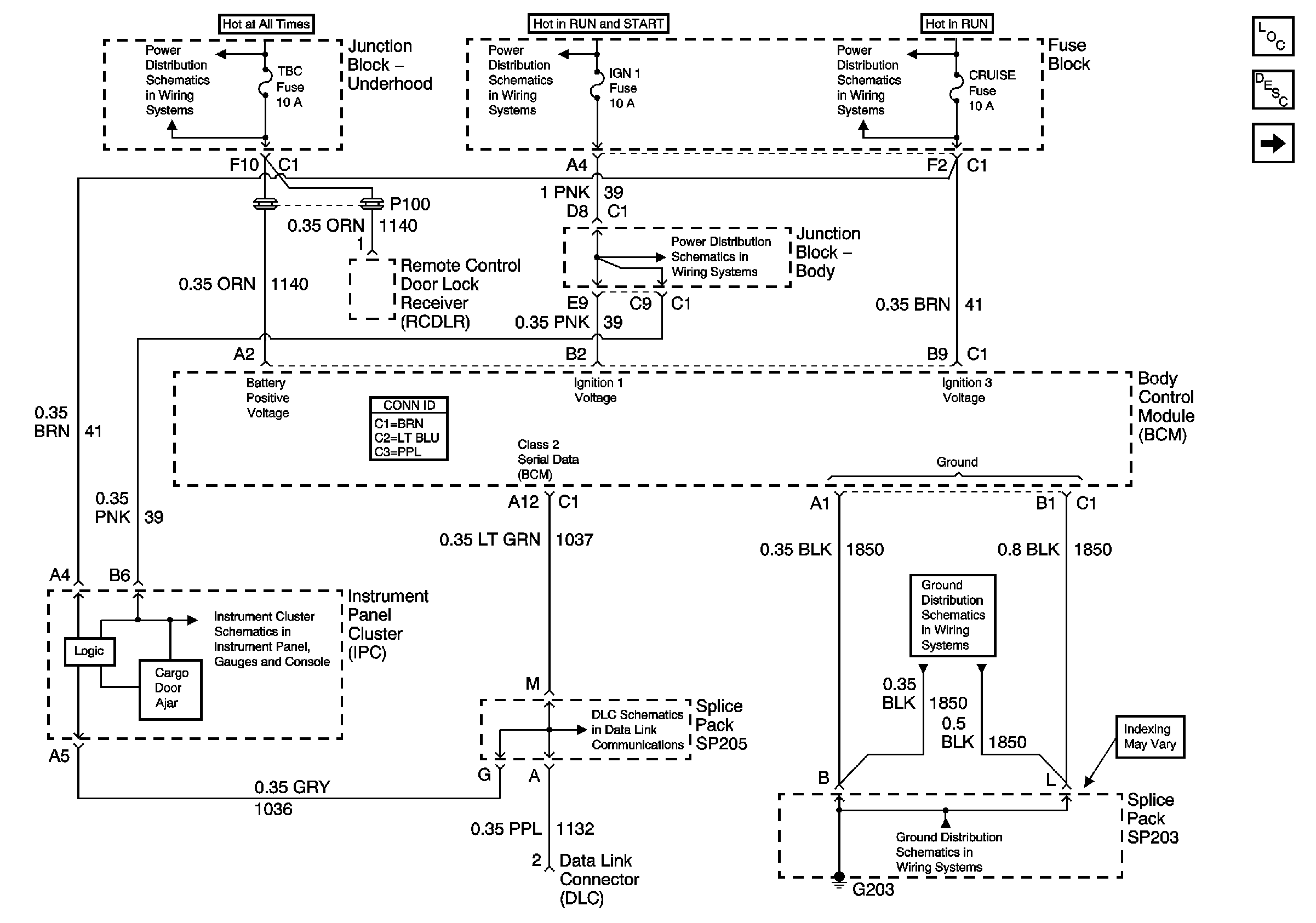
Figure
1:
Power, Ground, Serial Data, and Indicator
Master Electrical Component List
Cargo Door Description and Operation
Ajar Switches
B+ Bus Bar
IGNITION, RUN, and START Bus Bar
IGNITION, RUN, ACCESSORY, and RAP Bus Bars, RAP #1 and RAP #2 Fuses
IGN 1, AIR BAG, and SEO IGN Fuses
Power and Ground
SP205
G203 - 1 of 4
G203 - 1 of 4
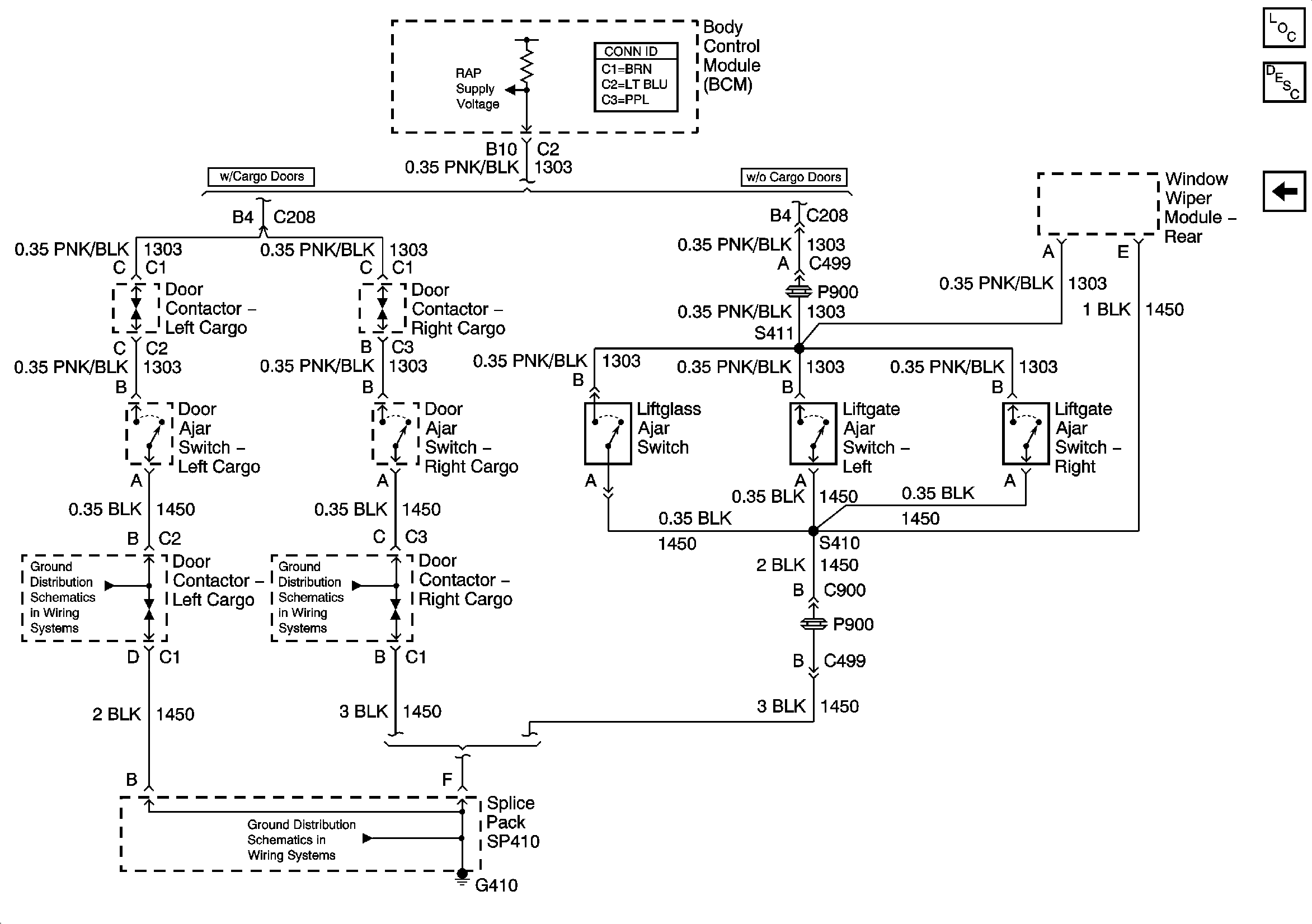
Figure
2:
Ajar Switches
Master Electrical Component List
Cargo Door Description and Operation
Power, Ground, Serial Data, and Indicator
G410 - 2 of 2
G410 - 2 of 2
G410 - 2 of 2