GM Service Manual Online
For 1990-2009 cars only

Removal Procedure


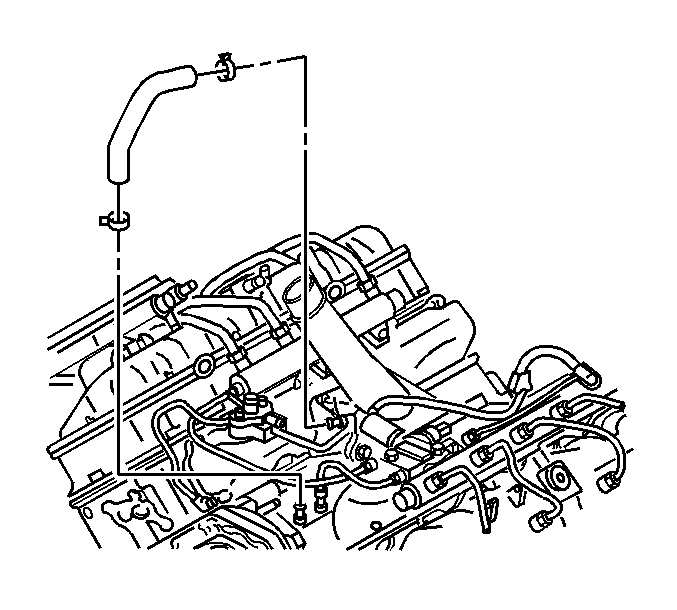
    Object Number: 664851  Size: SH
  1. Disconnect the negative battery cable. Refer to Battery Negative Cable Disconnection and Connection in Engine Electrical.
  2. Drain the cooling system. Refer to Cooling System Draining and Filling in Engine Cooling.
  3. Remove the air cleaner outlet duct. Refer to Air Cleaner Outlet Duct Replacement .
  4. Remove the right turbo charged air outlet hose.

  5. Object Number: 664853  Size: SH
  6. Remove the left turbo charged air outlet hose.
  7. Remove the engine wiring harness. Refer to Engine Wiring Harness Assembly Replacement .

  8. Object Number: 755196  Size: SH
  9. Remove the water outlet pipe. Refer to Water Outlet Tube Replacement in Engine Cooling.

  10. Object Number: 791993  Size: SH
  11. Remove the fuel hose from fuel return line.
  12. Remove the fuel hose from fuel injection pump and remove from engine.

Installation Procedure


    Object Number: 791993  Size: SH
  1. Install the fuel hose to fuel injection pump.
  2. Install the fuel hose to fuel return line.

  3. Object Number: 755196  Size: SH
  4. Install the water outlet pipe. Refer to Water Outlet Tube Replacement in Engine Cooling.

  5. Object Number: 664853  Size: SH
  6. Install the engine wiring harness assembly. Refer to Engine Wiring Harness Assembly Replacement .
  7. Install the left turbo charged air outlet hose.

  8. Object Number: 664851  Size: SH
  9. Install the right turbo charged air outlet hose.
  10. Install the air cleaner outlet duct. Refer to Air Cleaner Outlet Duct Replacement .
  11. Connect the negative battery cable. Refer to Battery Negative Cable Disconnection and Connection in Engine Electrical.
  12. Fill the cooling system. Refer to Cooling System Draining and Filling in Engine Cooling.