GM Service Manual Online
For 1990-2009 cars only

Removal Procedure


    Object Number: 776052  Size: SH
  1. Raise and suitably support the vehicle. Refer to Lifting and Jacking the Vehicle in General Information.
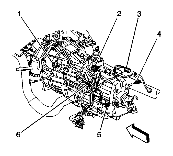
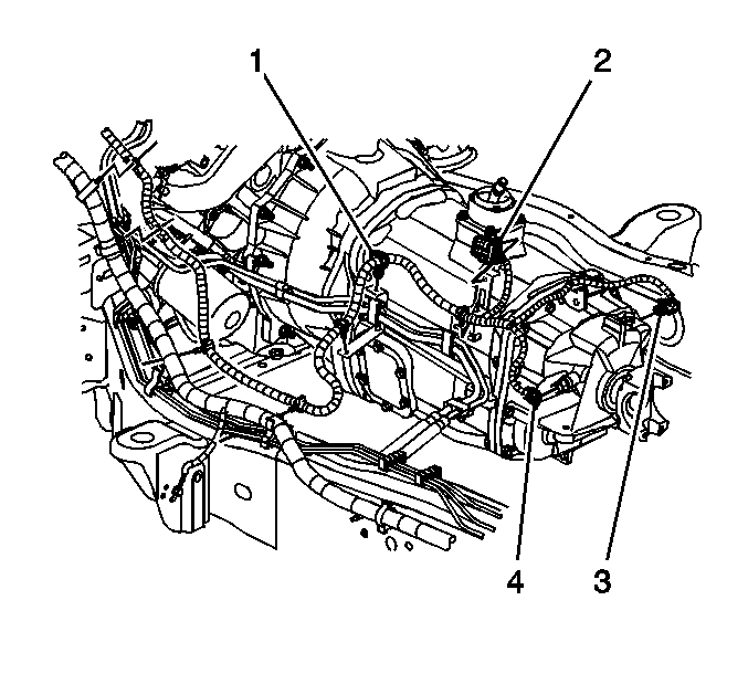
  2. If equipped with the 6.6L engine , disconnect the vehicle speed sensor (VSS) electrical connector (4).

  3. Object Number: 776054  Size: SH
  4. If equipped with the 8.1L engine , disconnect the VSS electrical connector (5).

  5. Object Number: 690158  Size: SH
  6. Remove the VSS bolt, sensor and seal.

Installation Procedure


    Object Number: 690158  Size: SH
  1. Lubricate a NEW O-ring seal with transmission fluid.
  2. Notice: Use the correct fastener in the correct location. Replacement fasteners must be the correct part number for that application. Fasteners requiring replacement or fasteners requiring the use of thread locking compound or sealant are identified in the service procedure. Do not use paints, lubricants, or corrosion inhibitors on fasteners or fastener joint surfaces unless specified. These coatings affect fastener torque and joint clamping force and may damage the fastener. Use the correct tightening sequence and specifications when installing fasteners in order to avoid damage to parts and systems.

  3. Install the VSS and bolt.
  4. Tighten
    Tighten the bolt to 10 N·m (89 lb in).


    Object Number: 776054  Size: SH
  5. If equipped with the 8.1L engine , connect the VSS electrical connector (5).

  6. Object Number: 776052  Size: SH
  7. If equipped with the 6.6L engine , connect the VSS electrical connector (4).
  8. Lower the vehicle.
  9. Check the transmission fluid level. Add if necessary.