GM Service Manual Online
For 1990-2009 cars only
Makes
🢒
Chevrolet
🢒
2002
🢒
Chevy C Silverado - 2WD
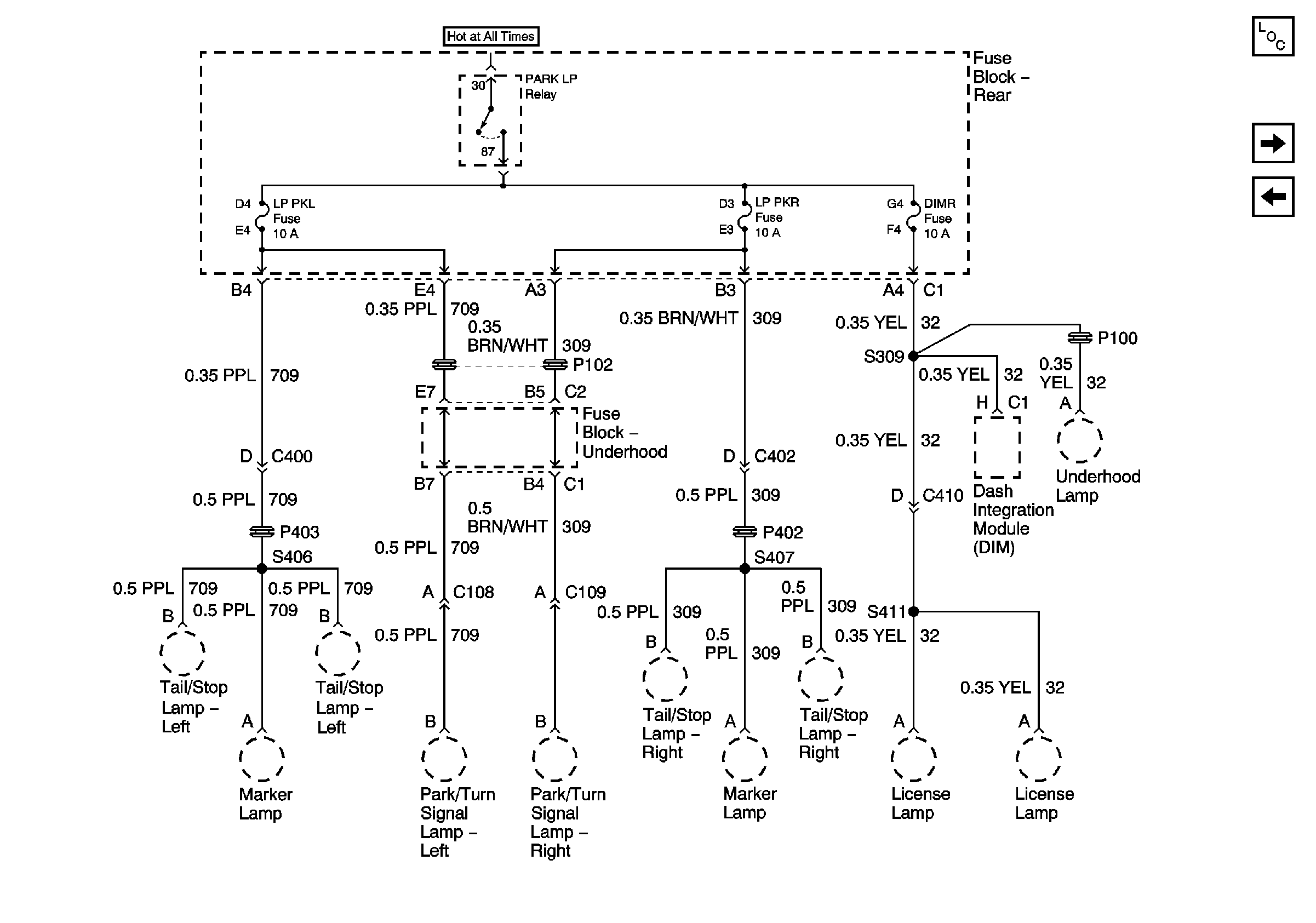
🢒 PRK LP Relay, LP PK L, LP PK R, and DIMR Fuses (Fuse Block Rear)
PRK LP Relay, LP PK L, LP PK R, and DIMR Fuses (Fuse Block Rear)
PRK LP Relay, LP PK L, LP PK R, and DIMR Fuses (Fuse Block Rear)
Master Electrical Component List
T SIG/HAZ, STOP LP, AUDIO and CD Fuses (Fuse Block Rear)
PWR WDO and PWR SEAT Circuit Breakers (Fuse Block Rear)