GM Service Manual Online
For 1990-2009 cars only
Makes
🢒
Chevrolet
🢒
2002
🢒
Chevy C Silverado - 2WD
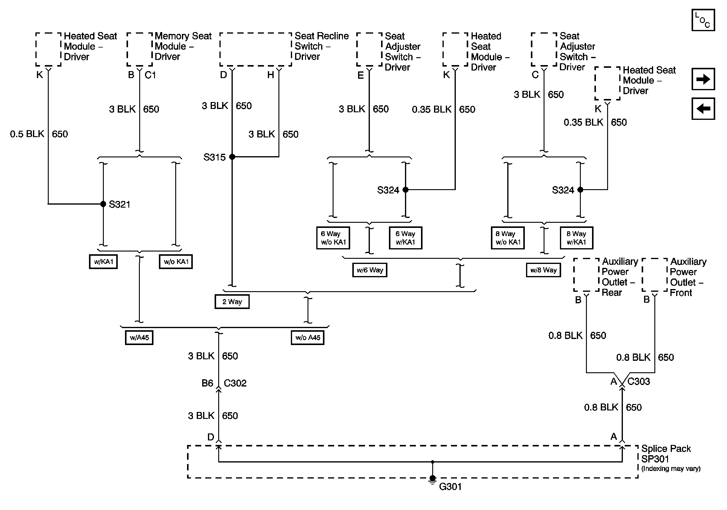
🢒 G301 (1 of 2)
G301 (1 of 2)
G301 (1 of 2)
Master Electrical Component List
G301 (2 of 2)
G201