GM Service Manual Online
For 1990-2009 cars only
Makes
🢒
Chevrolet
🢒
2002
🢒
Chevy C Silverado - 2WD
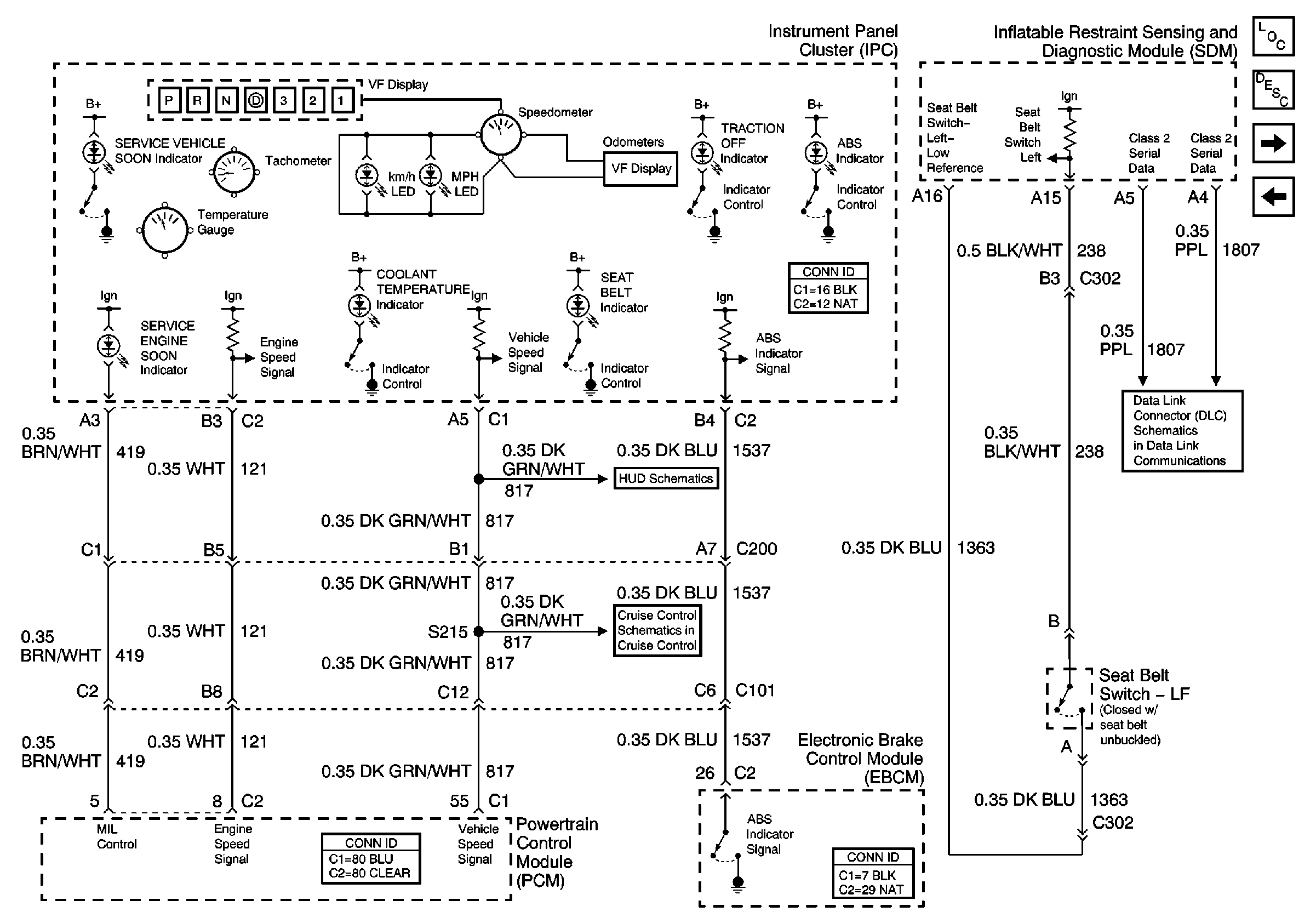
🢒 PCM, IPC Inputs
PCM, IPC Inputs
PCM, IPC Inputs
Master Electrical Component List
Turn Signal and High Beam Inputs
Power and Ground, Class 2
Serial Data Class 2
CCM, PCM Controls and Vehicle Speed Input
Head up Display Schematic