GM Service Manual Online
For 1990-2009 cars only
Makes
🢒
Chevrolet
🢒
2002
🢒
Chevy C Silverado - 2WD
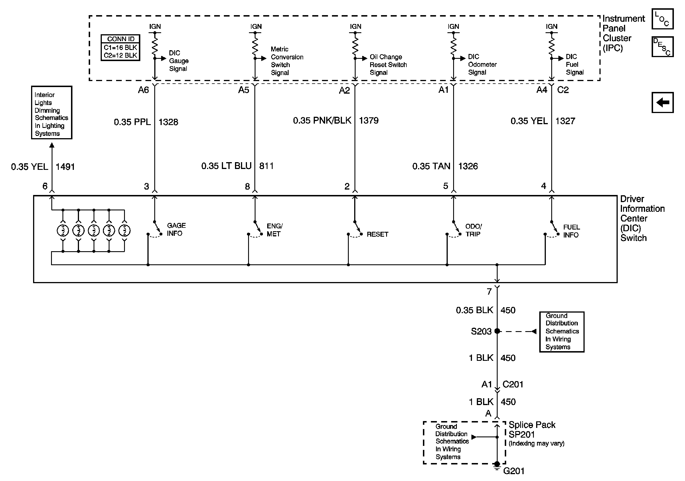
🢒 DIC Switch (w/UB7)
DIC Switch (w/UB7)
DIC Switch (w/UB7)
Master Electrical Component List
Driver Information Center (DIC) Description and Operation
DIC Switch (w/U2E)
G201
G201