GM Service Manual Online
For 1990-2009 cars only
Makes
🢒
Chevrolet
🢒
2002
🢒
Chevy C Silverado - 2WD
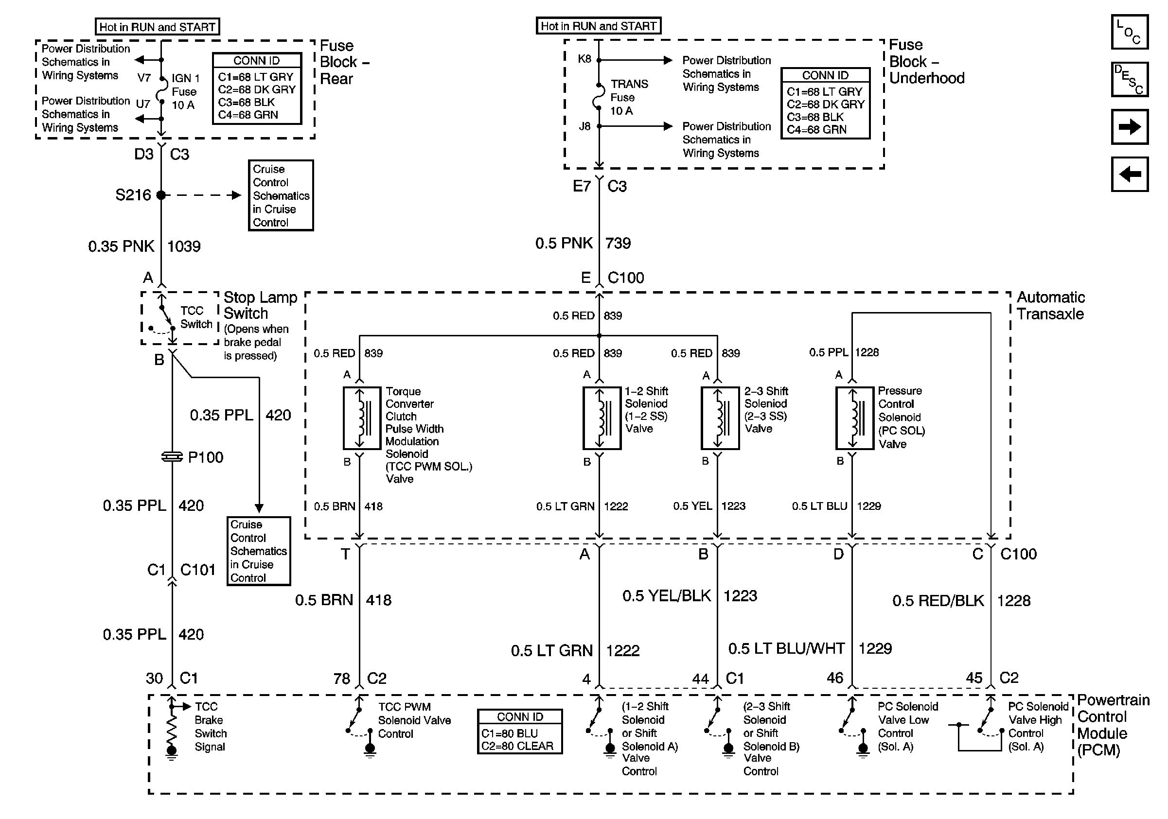
🢒 Transmission Solenoids L36
Transmission Solenoids L36
Transmission Solenoids L36
Master Electrical Component List
Automatic Transmission Shift Lock Control Description and Operation
Transmission Inputs L36/L67
Cruise Control Switch, CCM Power and Grounds
Cruise Control Switch, CCM Power and Grounds
IGN-1 Relay, Transmission, DIS, OXY SEN, and IGN 1-Fuses
IGN-1 Relay, Transmission, DIS, OXY SEN, and IGN 1-Fuses
IGN-1 Relay, Transmission, DIS, OXY SEN, and IGN 1-Fuses