GM Service Manual Online
For 1990-2009 cars only
Makes
🢒
Chevrolet
🢒
2002
🢒
Chevy C Silverado - 2WD
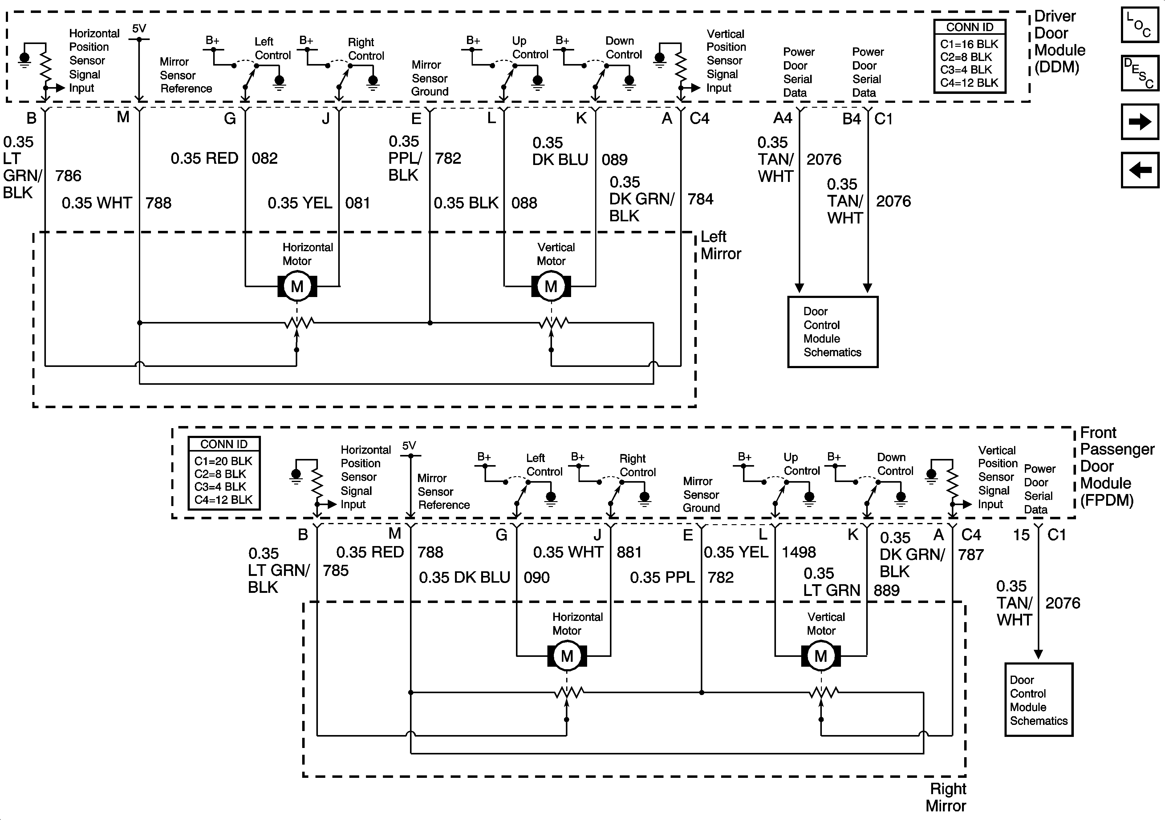
🢒 Driver Mirror and Front Passenger Mirror (w/A45)
Driver Mirror and Front Passenger Mirror (w/A45)
Driver Mirror and Front Passenger Mirror (w/A45)
Master Electrical Component List
Heated Mirrors
Heated Mirrors
Power Door Serial Data
Power Door Serial Data