GM Service Manual Online
For 1990-2009 cars only
Makes
🢒
Chevrolet
🢒
2002
🢒
Chevy C Silverado - 2WD
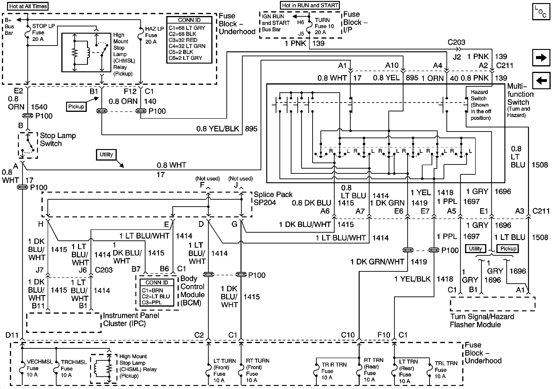
🢒 Stop, Turn and Hazard Bus Bar
Stop, Turn and Hazard Bus Bar
Stop, Turn and Hazard Bus Bar
Master Electrical Component List
STUD 2, ABS, TBC and RR W/W Fuses
Ign ACC, RUN and RAP Bus Bar
B+ Bus Bar
Ign RUN and START Bus Bar