GM Service Manual Online
For 1990-2009 cars only
Makes
🢒
Chevrolet
🢒
2002
🢒
Chevy C Silverado - 2WD
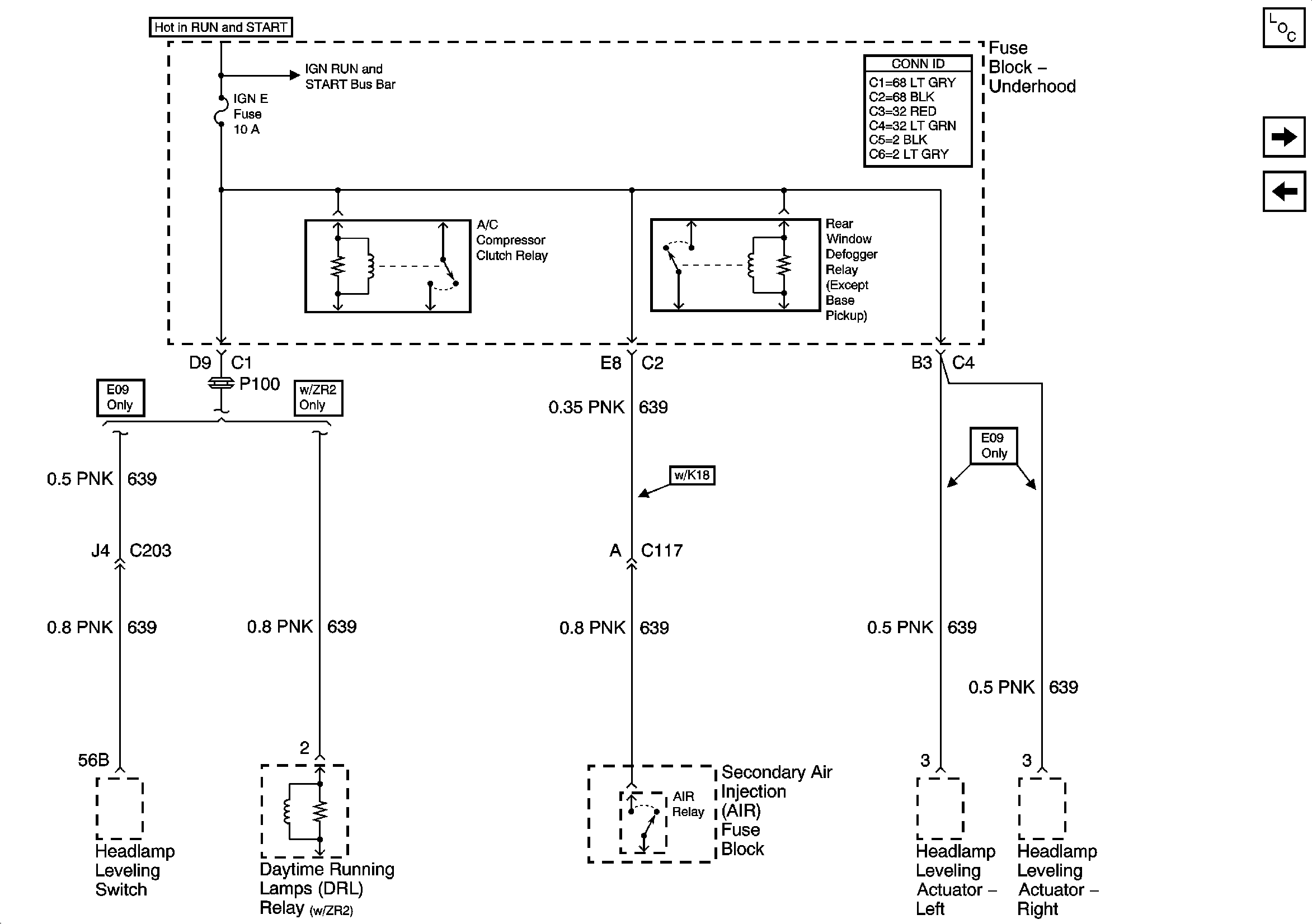
🢒 IGN E Fuse and A/C Compressor, Rear Defogger, DRL Relays
IGN E Fuse and A/C Compressor, Rear Defogger, DRL Relays
IGN E Fuse and A/C Compressor, Rear Defogger, DRL Relays
Master Electrical Component List
B/U LP, TRL B/U, VEH B/U, and BTSI Fuses (Automatic Transmission)
TURN, SIR and GAUGES Fuses