GM Service Manual Online
For 1990-2009 cars only
Makes
🢒
Chevrolet
🢒
2002
🢒
Chevy C Silverado - 2WD
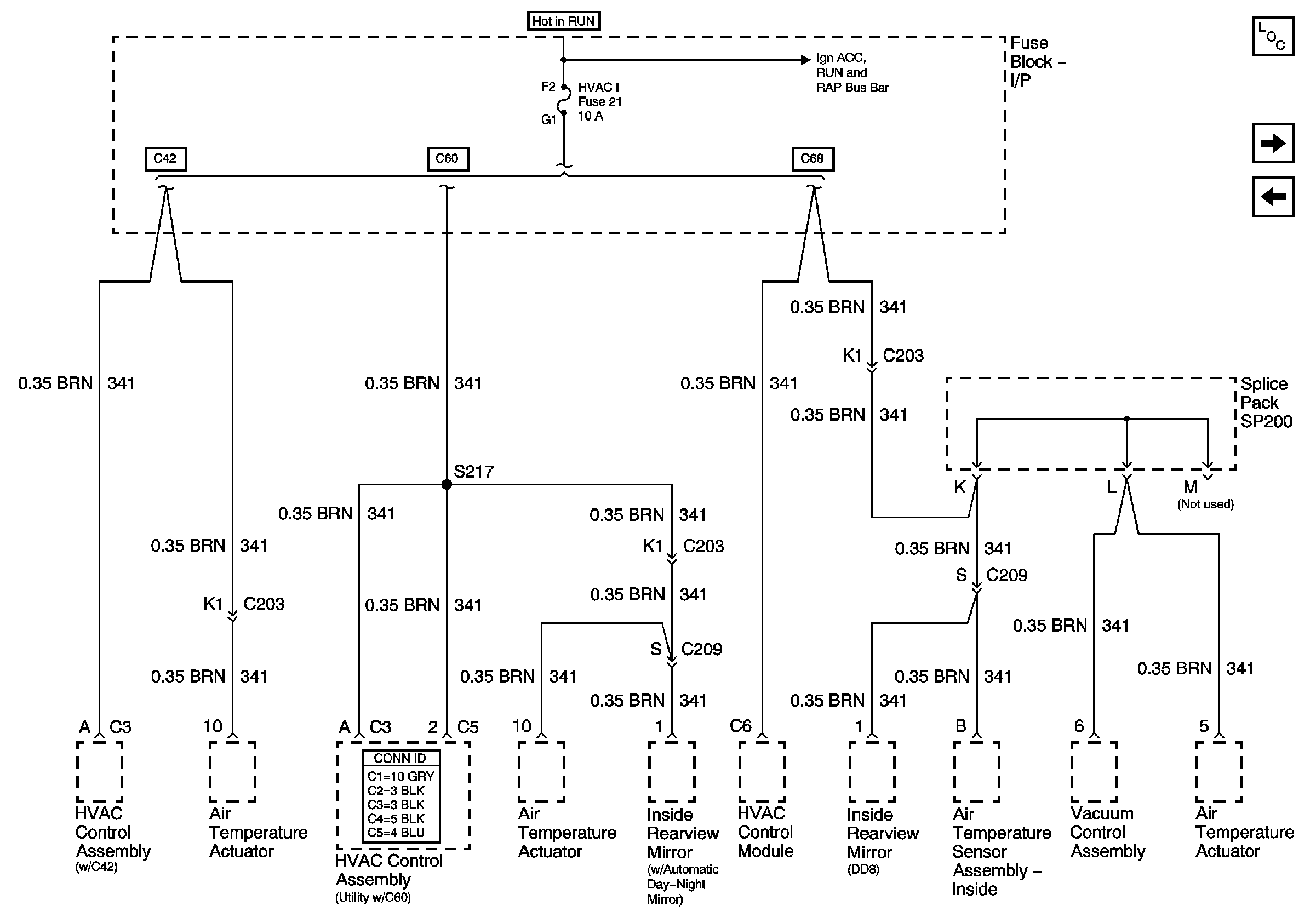
🢒 HVAC I Fuse
HVAC I Fuse
HVAC I Fuse
Master Electrical Component List
4WD Fuse (4.3 L)
RR WPR, FRT WPR and ABS Fuses
Ign ACC, RUN and RAP Bus Bar