GM Service Manual Online
For 1990-2009 cars only
Makes
🢒
Chevrolet
🢒
2002
🢒
Chevy C Silverado - 2WD
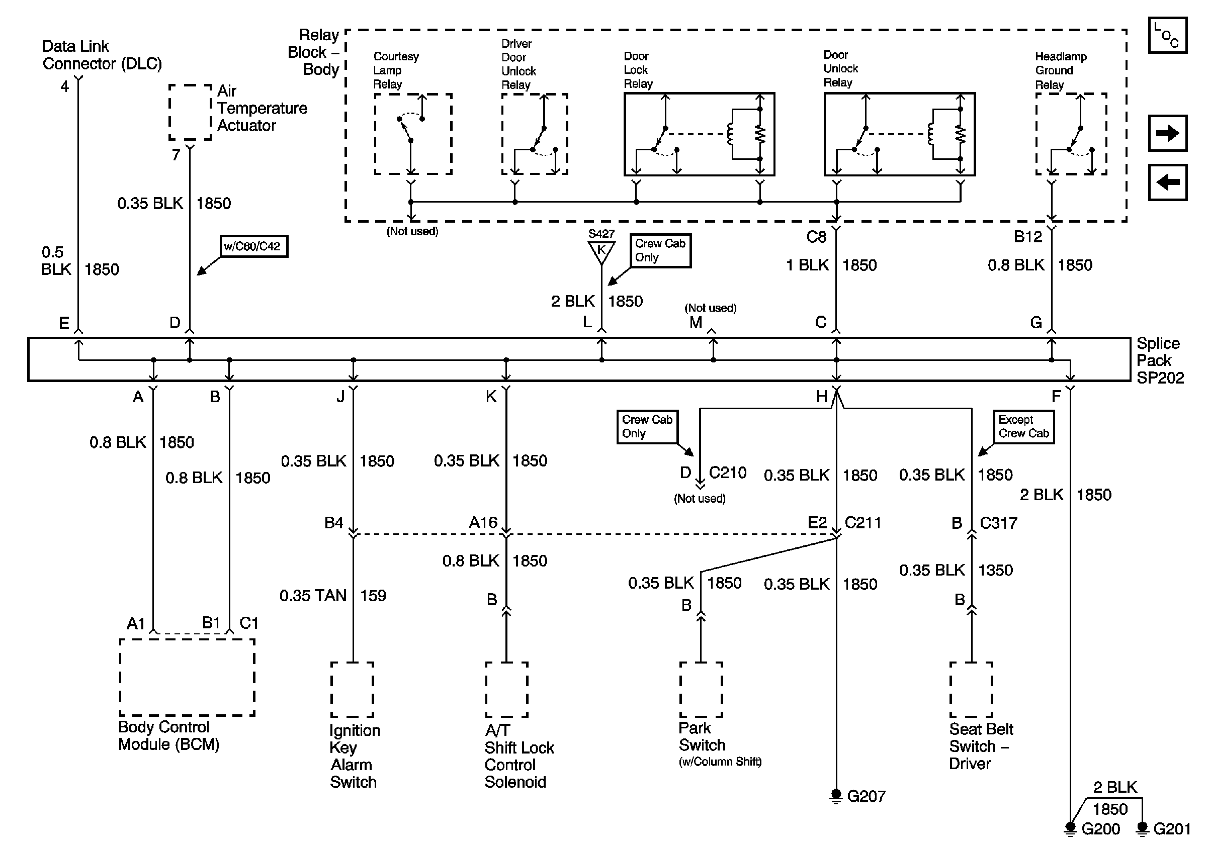
🢒 G200, G201 and G207 (Pickup and Crew Cab)
G200, G201 and G207 (Pickup and Crew Cab)
G200, G201 and G207 (Pickup and Crew Cab)
Master Electrical Component List
G200, G201 and G207 (Utility)
G103 and G105 (2.2 L)
G420,G450 and S427 (Utility and Crew Cab)