GM Service Manual Online
For 1990-2009 cars only
Makes
🢒
Chevrolet
🢒
2002
🢒
Chevy C Silverado - 2WD
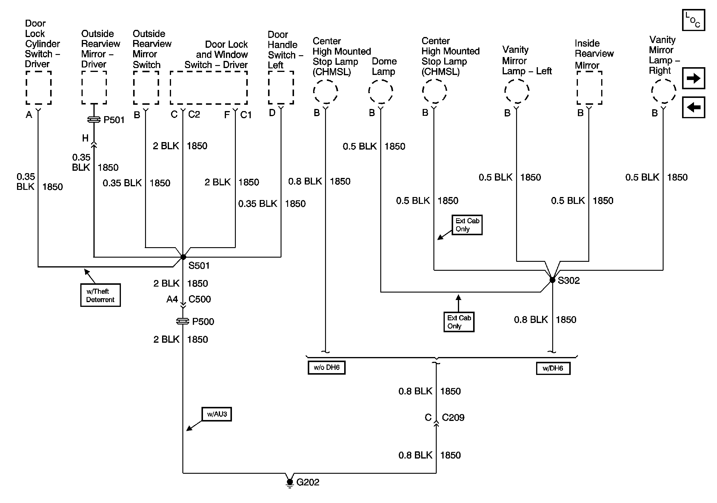
🢒 G202 (Pickup Except Crew Cab)
G202 (Pickup Except Crew Cab)
G202 (Pickup Except Crew Cab)
G200, G201 and G207 (Export)
Master Electrical Component List
S501 (Utility)