GM Service Manual Online
For 1990-2009 cars only
Makes
🢒
Chevrolet
🢒
2002
🢒
Chevy C Silverado - 2WD
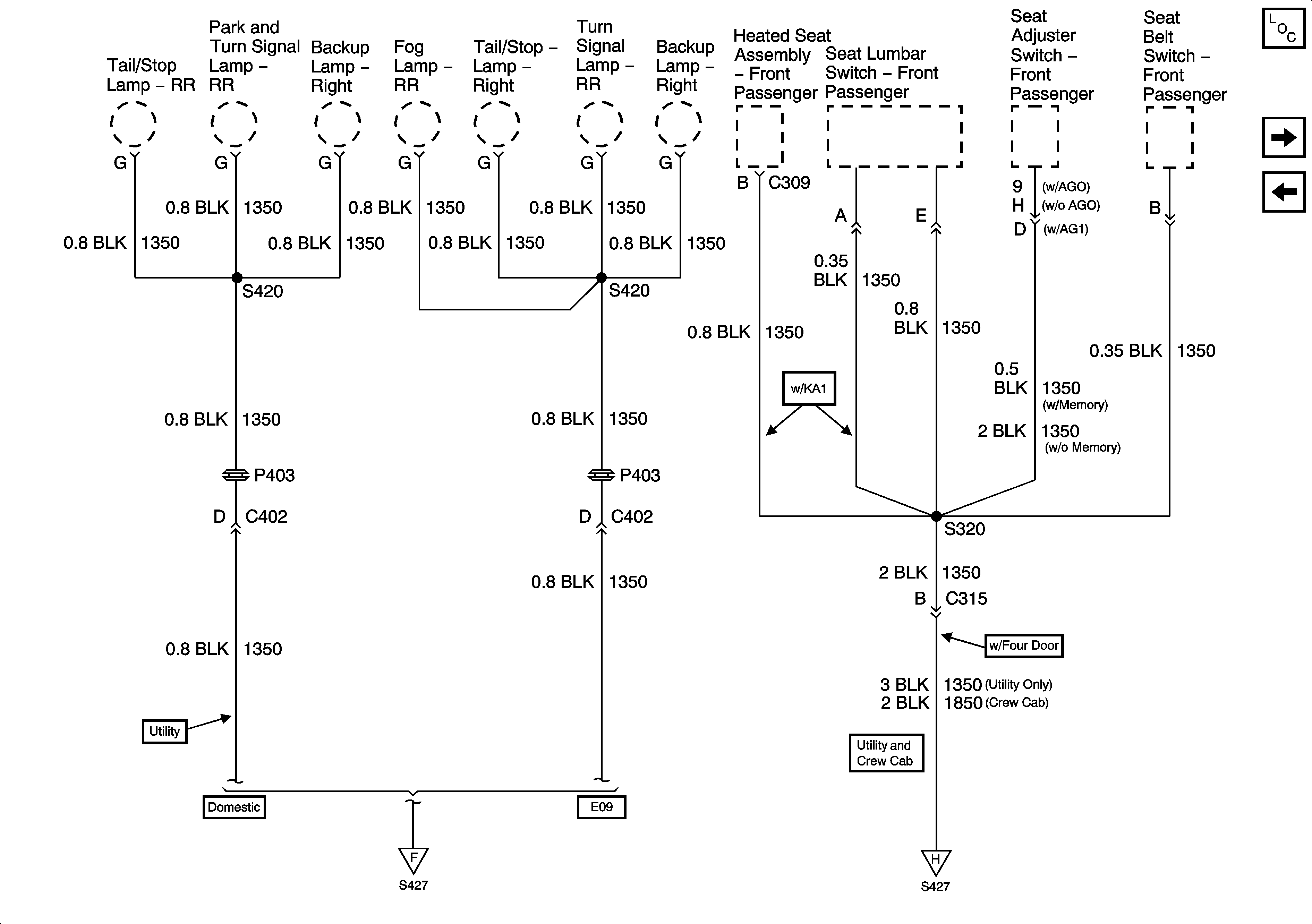
🢒 S320 and S420
S320 and S420
S320 and S420
Master Electrical Component List
G420,G450 and S427 (Utility and Crew Cab)
S313 and S419
S313 and S419
G420,G450 and S427 (Utility and Crew Cab)
G420,G450 and S427 (Utility and Crew Cab)