GM Service Manual Online
For 1990-2009 cars only
Makes
🢒
Chevrolet
🢒
2002
🢒
Chevy C Silverado - 2WD
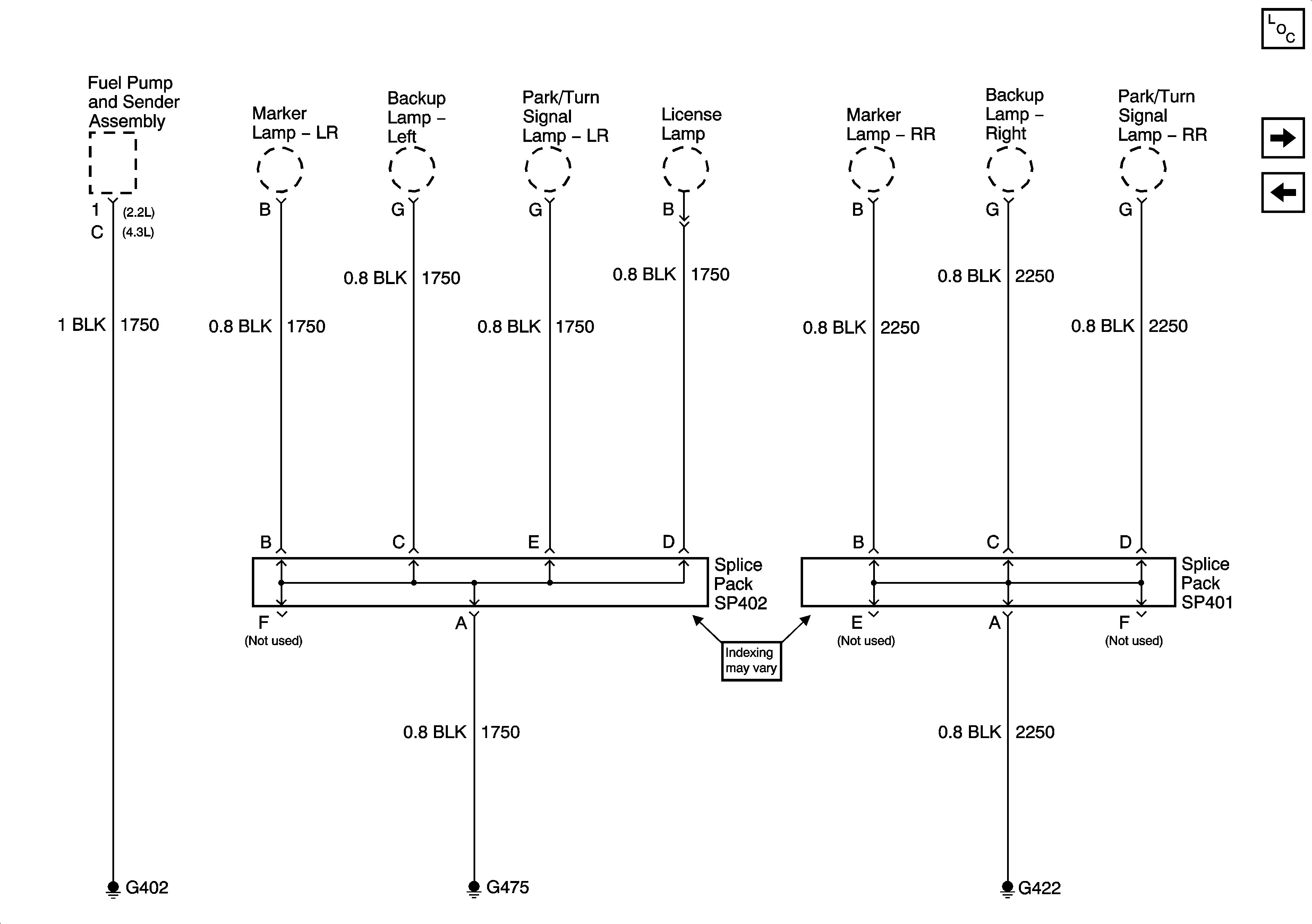
🢒 G402, G422 and G475 (Sportside Pickup)
G402, G422 and G475 (Sportside Pickup)
G402, G422 and G475 (Sportside Pickup)
Master Electrical Component List
G402 and G421 (Utility)
G402, G422 and G475 (Fleetside Pickup)