GM Service Manual Online
For 1990-2009 cars only
Makes
🢒
Chevrolet
🢒
2002
🢒
Chevy C Silverado - 2WD
🢒 Fuel Controls - EVAP Controls
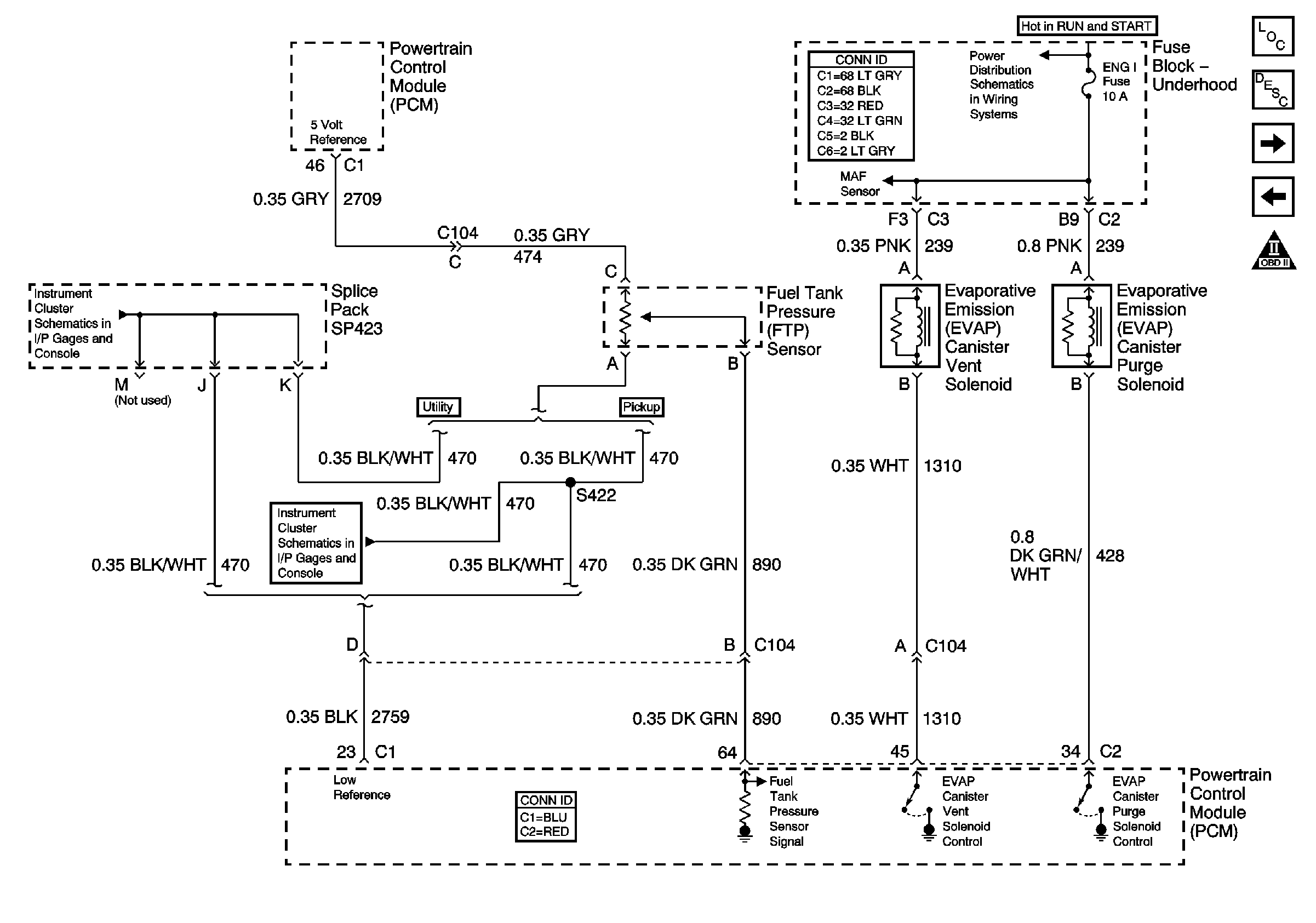
Fuel Controls - EVAP Controls
Fuel Controls - EVAP Controls
Master Electrical Component List
Evaporative Emission Control System Description
Device Controls, Controlled/Monitored Subsystem References and M/T
Fuel Controls - Fuel Injector Controls
OBD II Symbol Description Notice
Fuel Level Sensor Signal
Fuel Level Sensor Signal
Engine Data Sensors - MAF and VSS
Ign RUN and START Bus Bar