GM Service Manual Online
For 1990-2009 cars only
Makes
🢒
Chevrolet
🢒
2002
🢒
Chevy C Silverado - 2WD
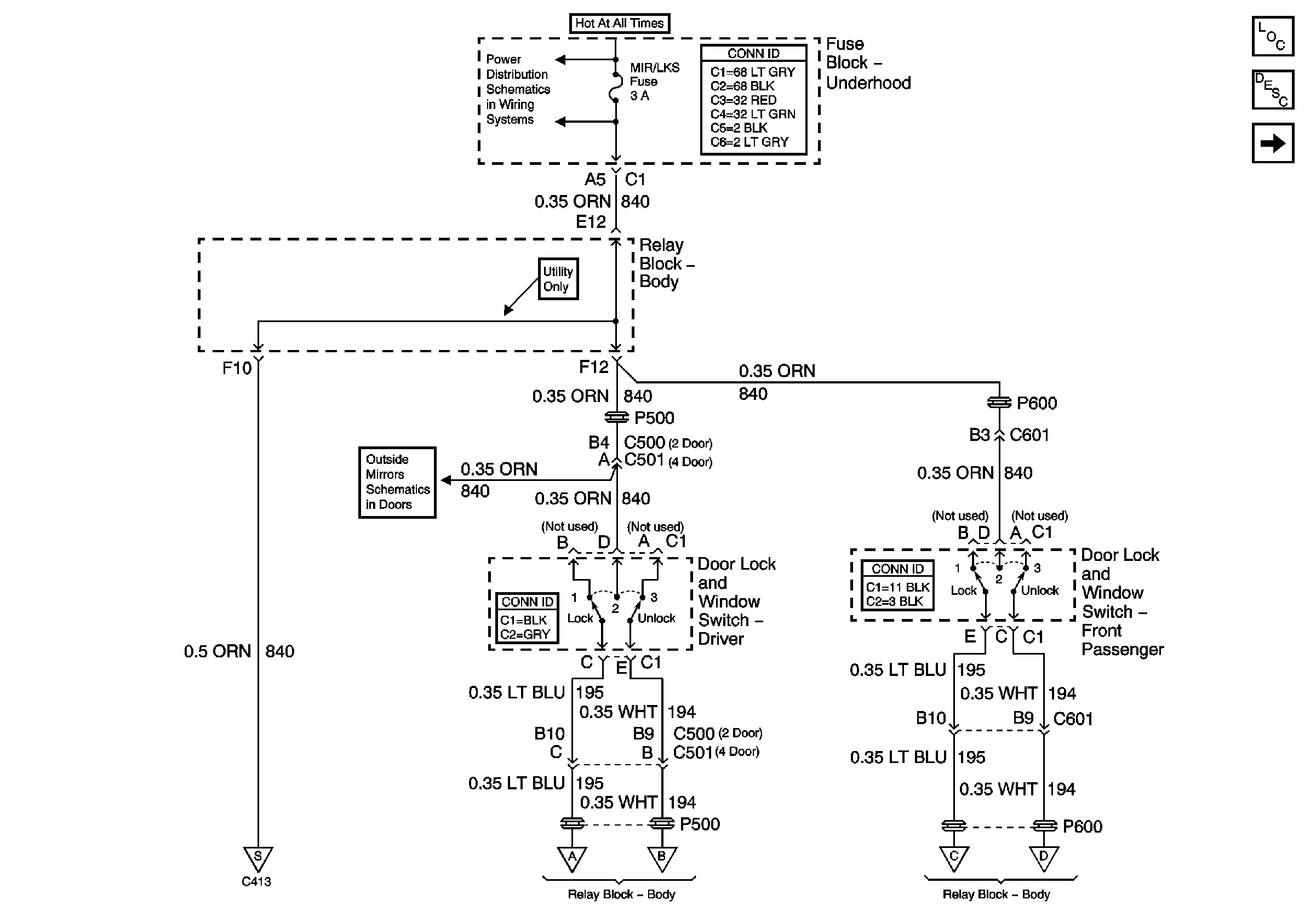
🢒 Door Lock Switch Inputs
Door Lock Switch Inputs
Door Lock Switch Inputs
Master Electrical Component List
Power Door Locks Description and Operation
Endgate Lock Cylinder Switch Inputs (Utility)
B+ Bus Bar
Endgate Lock Cylinder Switch Inputs (Utility)
Relay Control
Relay Control