GM Service Manual Online
For 1990-2009 cars only
Makes
🢒
Chevrolet
🢒
2002
🢒
Chevy C Silverado - 2WD
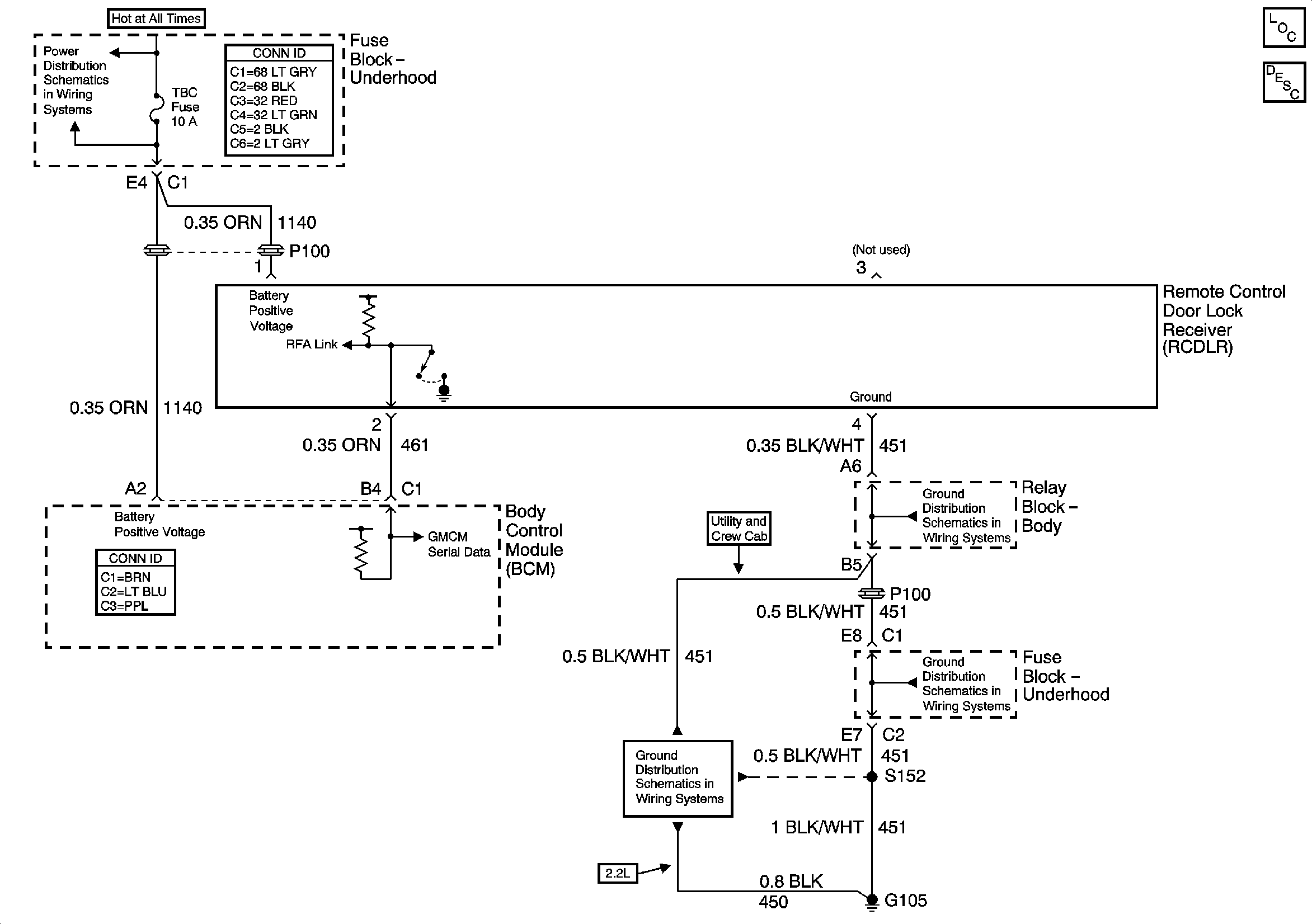
🢒 Keyless Entry Schematics
Keyless Entry Schematics
Master Electrical Component List
Keyless Entry System Description and Operation
B+ Bus Bar
G103 and G105 (2.2 L)
G103 and G105 (2.2 L)
G103 and G105 (2.2 L)