GM Service Manual Online
For 1990-2009 cars only
Makes
🢒
Chevrolet
🢒
2002
🢒
Chevy C Silverado - 2WD
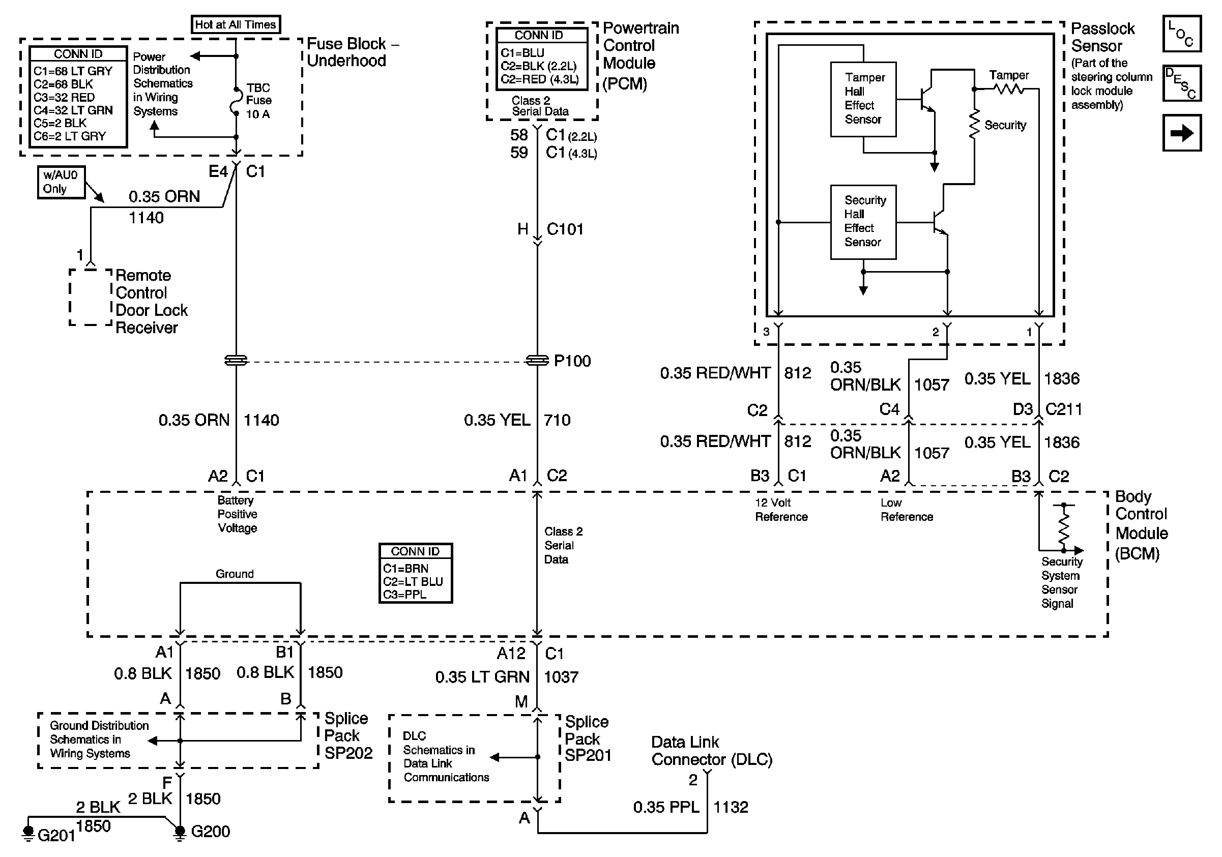
🢒 Power, Ground and Passlock™ Sensor
Power, Ground and Passlock™ Sensor
Power, Ground and Passlock⢠Sensor
Master Electrical Component List
Theft Systems Description and Operation
Door Jamb Switch Inputs
B+ Bus Bar
G200, G201 and G207 (Utility)
SP201 (4.3L)