GM Service Manual Online
For 1990-2009 cars only
Makes
🢒
Chevrolet
🢒
2002
🢒
Chevy C Silverado - 2WD
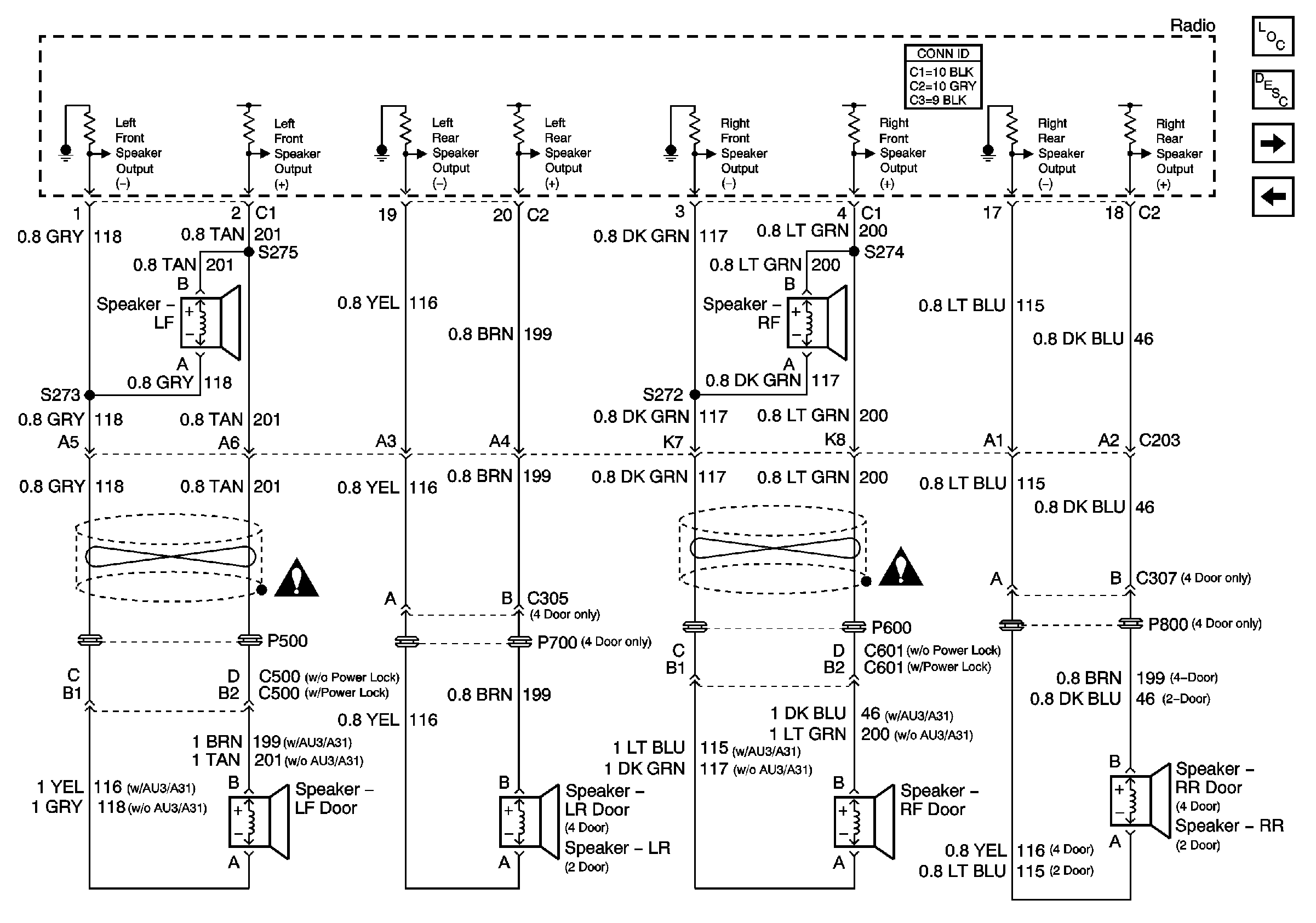
🢒 Speakers (Crew Cab and Utility)
Speakers (Crew Cab and Utility)
Speakers - Crew Cab and Utility
Master Electrical Component List
Radio/Audio System Description and Operation w/o CTF
Remote Tape/CD Player
Speakers (Regular Cab and Extended Cab w/ 3rd Door)
Entertainment Schematic Icons
Entertainment Schematic Icons