GM Service Manual Online
For 1990-2009 cars only
Makes
🢒
Chevrolet
🢒
2002
🢒
Chevy C Silverado - 2WD
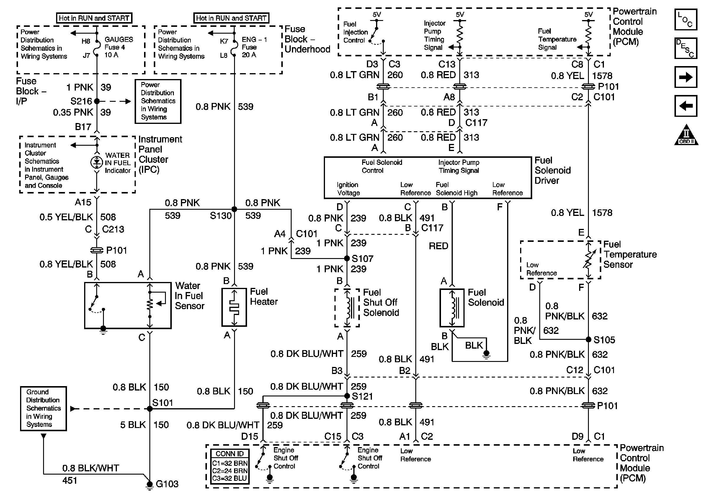
🢒 Fuel Controls: Fuel Solenoid, Water in Fuel and Temperature Sensors
Fuel Controls: Fuel Solenoid, Water in Fuel and Temperature Sensors
Fuel Controls: Fuel Solenoid, Water in Fuel and Temperature Sensors
Master Electrical Component List
Powertrain Control Module Description
Controlled/Monitored Subsystem References
Fuel Controls: Fuel Pump Controls
OBD II Symbol Description Notice
Ignition A, Ignition B Fuses, and Ignition Switch
Ignition A, Ignition B Fuses, and Ignition Switch
Indicators 1 of 2 - Diesel
Gages Fuse
G103 - 6.5L Diesel Engine