GM Service Manual Online
For 1990-2009 cars only
Makes
🢒
Chevrolet
🢒
2002
🢒
Chevy C Silverado - 2WD
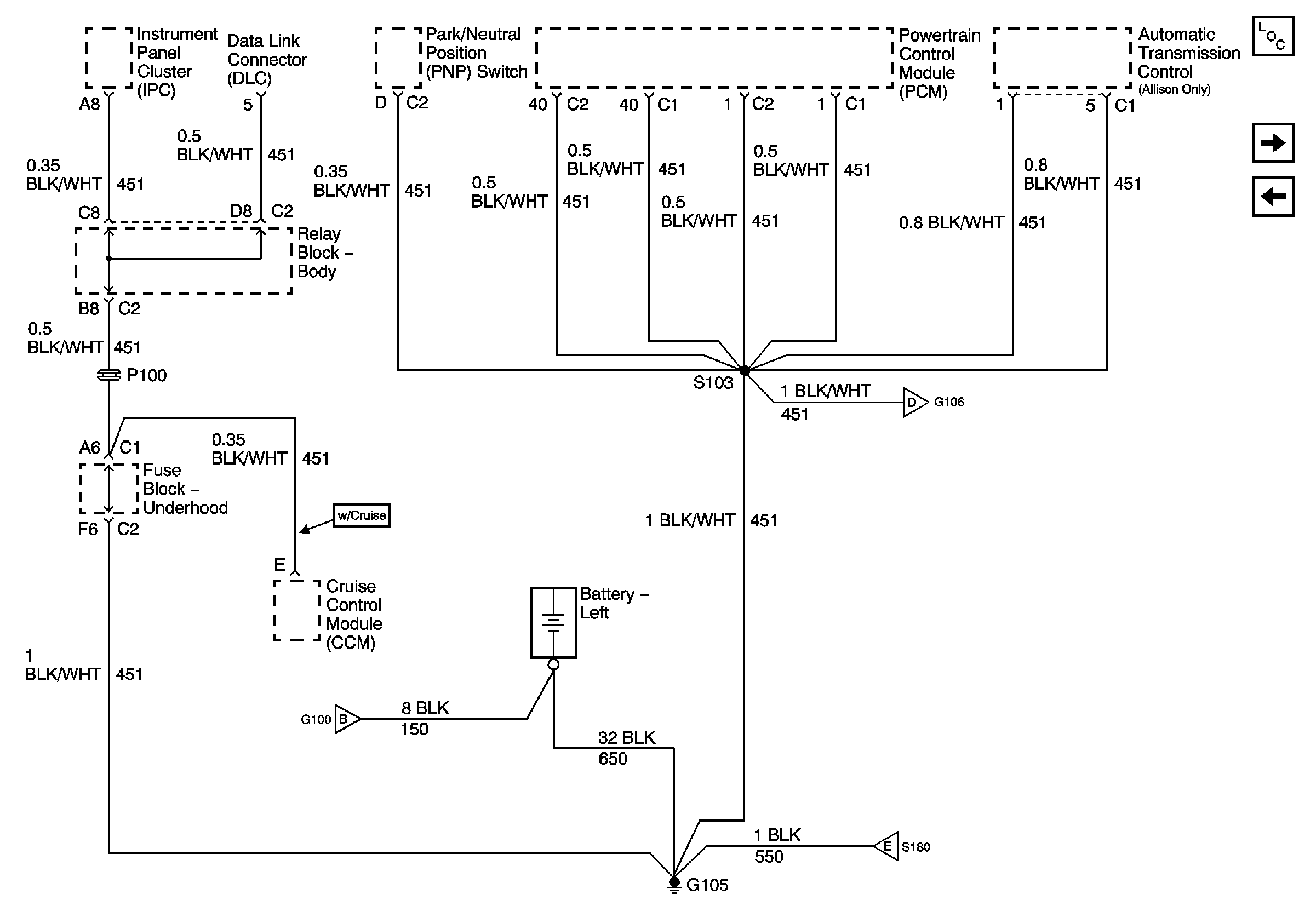
🢒 G105 - Diesel
G105 - Diesel
G105 - Diesel
Master Electrical Component List
G106 - Diesel
G102, G103, and G104 - Diesel
G100 and G110
G106 - Diesel
G106 - Diesel