GM Service Manual Online
For 1990-2009 cars only
Makes
🢒
Chevrolet
🢒
2002
🢒
Chevy C Silverado - 2WD
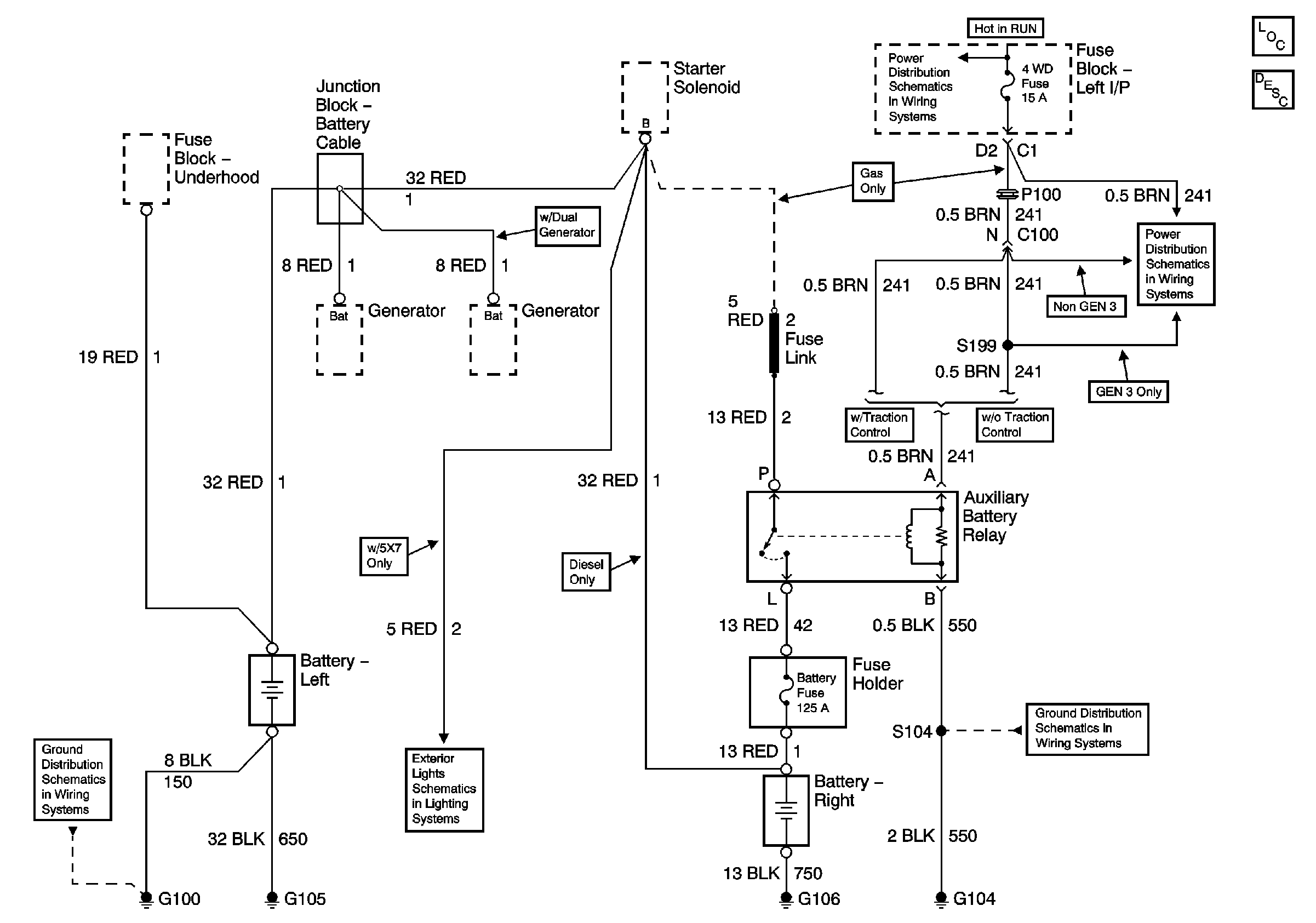
🢒 02 GMT800 G100, G105, G106, G104 , Auxiliary Battery Relay
02 GMT800 G100, G105, G106, G104 , Auxiliary Battery Relay
Master Electrical Component List
Battery Description and Operation
4WD, HVAC 1, and IGN 3 Fuses
G104 - Gas
G100 and G110
Emergency Lights w/5X7