GM Service Manual Online
For 1990-2009 cars only
Makes
🢒
Chevrolet
🢒
2002
🢒
Chevy C Silverado - 2WD
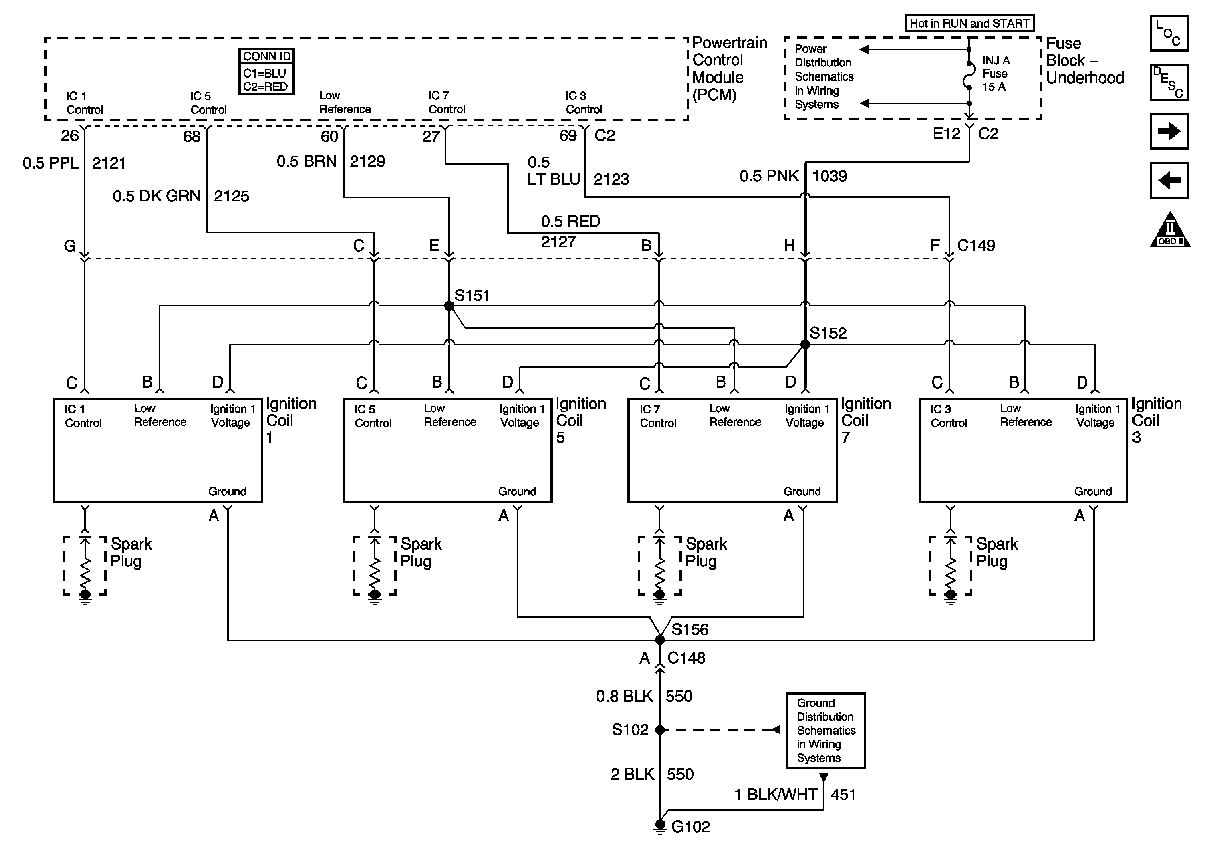
🢒 Ignition Controls - Ignition System Coils 1, 3, 5, 7
Ignition Controls - Ignition System Coils 1, 3, 5, 7
Ignition Controls - Ignition Systems Coils 1, 3, 5, and 7
Master Electrical Component List
Powertrain Control Module Description
Ignition Controls - Sensors
Ignition Controls - Ignition System Coils 2, 4, 6, 8
OBD II Symbol Description Notice
ECM 1, ETC, INJ A, and INJ B Fuses - Gas Only
G103 and G105 - Gas