GM Service Manual Online
For 1990-2009 cars only
Makes
🢒
Chevrolet
🢒
2002
🢒
Chevy C Silverado - 2WD
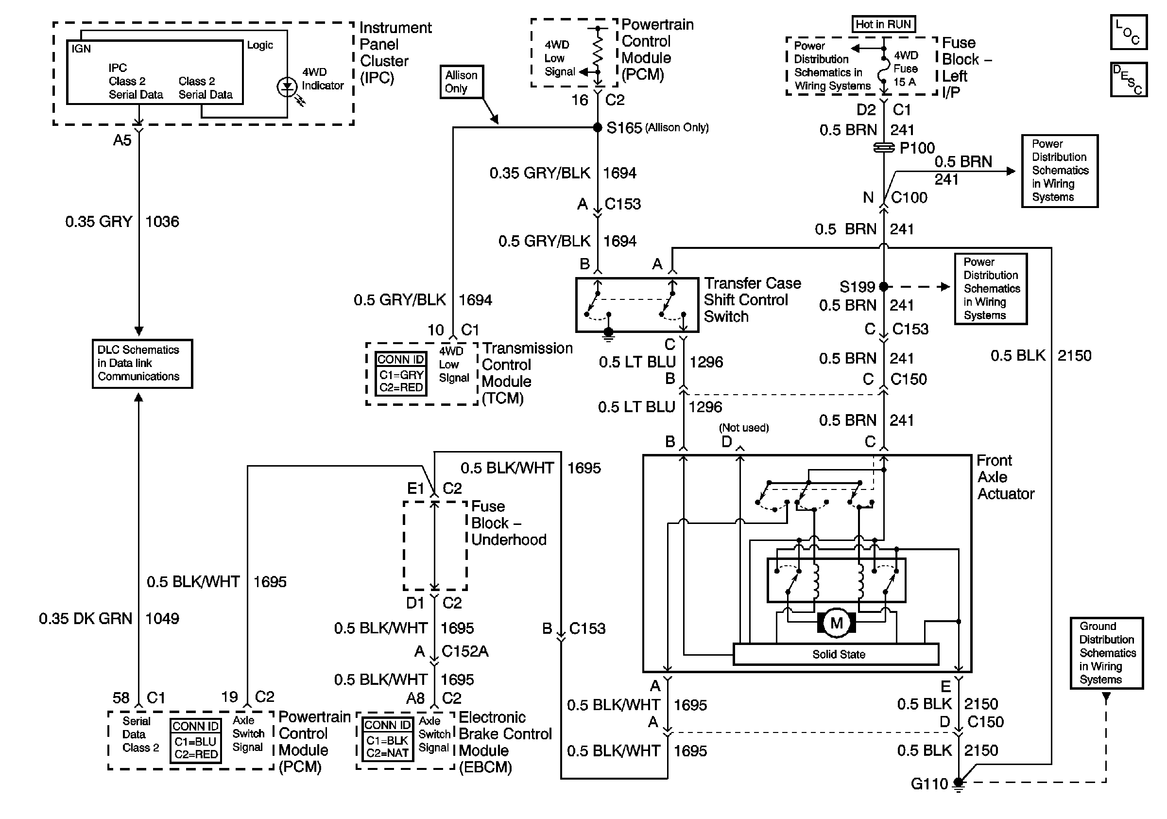
🢒 NP2 Transfercase Schematics
NP2 Transfercase Schematics
Master Electrical Component List
Transfer Case Description and Operation
IGN 1, TURN, SEO IGN, AIR BAG, CRANK, and IGN 0 Fuses
AUX PWR and HORN Fuses
4WD, HVAC 1, and IGN 3 Fuses
Indicators
4WD, HVAC 1, and IGN 3 Fuses
Splice Pack SP205
G100 and G110