GM Service Manual Online
For 1990-2009 cars only
Makes
🢒
Chevrolet
🢒
2002
🢒
Chevy C Silverado - 2WD
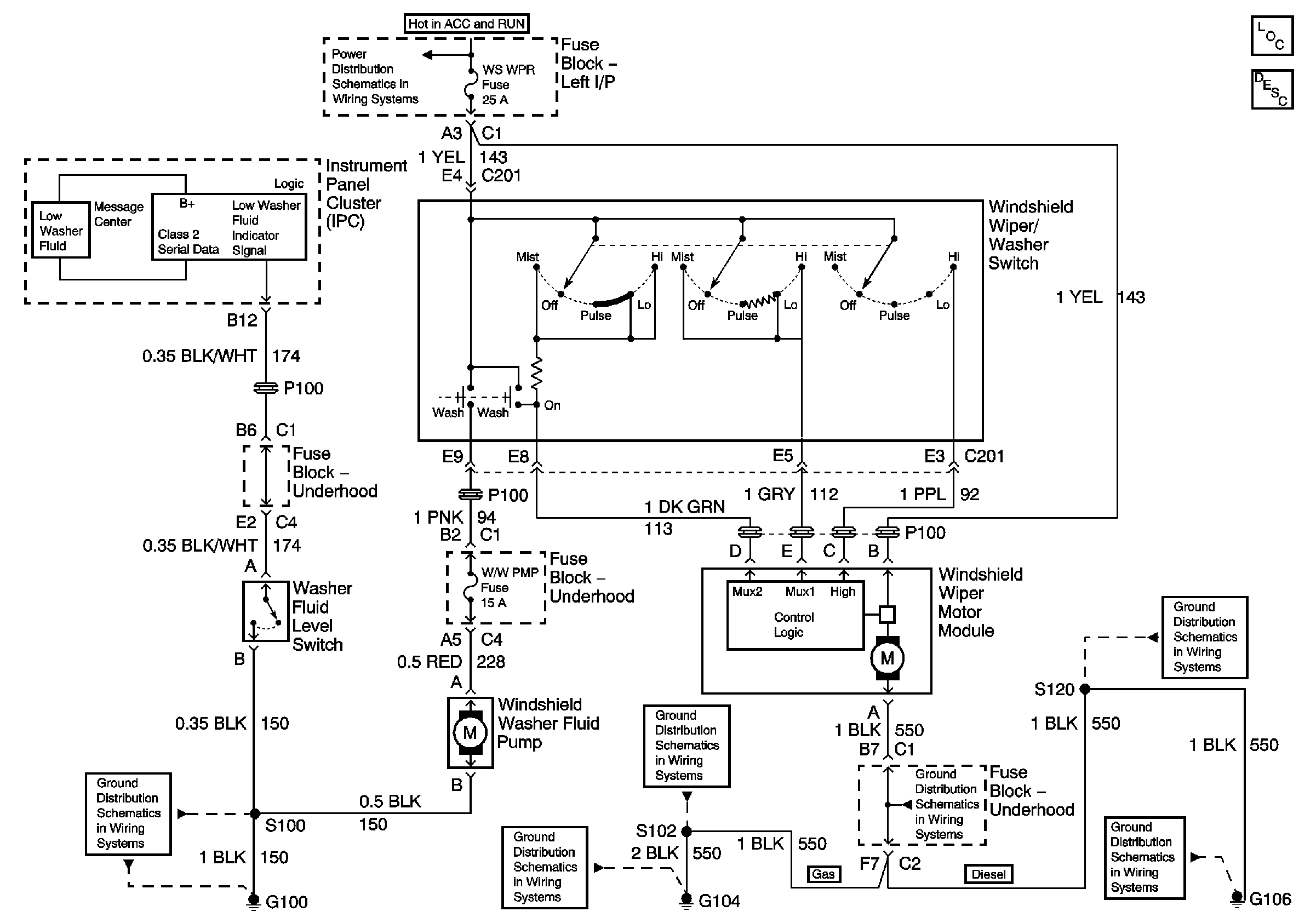
🢒 Wiper/Washer System Schematics
Wiper/Washer System Schematics
Master Electrical Component List
Wiper/Washer System Description and Operation
BRAKE, Cruise, HTR A/C, RR WPR, WS WPR, and SEO ACCY Fuses
IGN 1, TURN, SEO IGN, AIR BAG, CRANK, and IGN 0 Fuses
AUX PWR and HORN Fuses
Power and Ground
AUX PWR and HORN Fuses
G106 - Diesel
G100 and G110
G106 - Diesel
G106 - Diesel
G100 and G110