GM Service Manual Online
For 1990-2009 cars only
Makes
🢒
Chevrolet
🢒
2002
🢒
Chevy C Silverado - 2WD
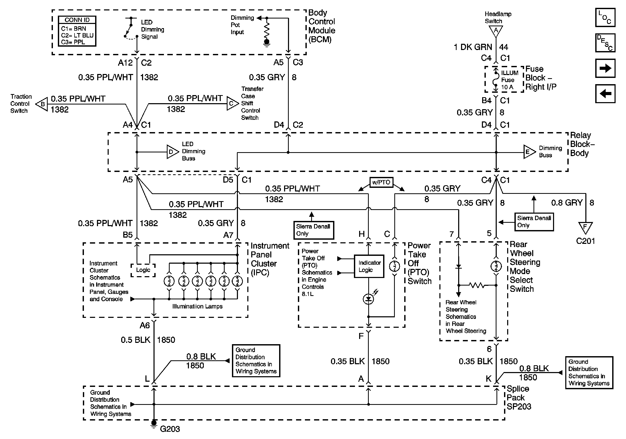
🢒 IPC, Roof Beacon, and Rear Wheel Steering Switch
IPC, Roof Beacon, and Rear Wheel Steering Switch
IPC, Roof Beacon and Rear Wheel Steering Switch
Master Electrical Component List
Interior Lighting Systems Description and Operation
Cargo/Fog Lamp Switch, DIC, and Steering Wheel Controls
PARK LPS Fuse, Headlamp Switch and BCM
HVAC Control Module/Blower Control Switch, Traction Control Switch, and Transfer Case Shift Control Switch
HVAC Control Module/Blower Control Switch, Traction Control Switch, and Transfer Case Shift Control Switch
SIR Disable Switch, Radio, and CD Player
Indicators
G203 - 1 of 3
G203 - 1 of 3
Power Take Off (PTO) Controls
PARK LPS Fuse, Headlamp Switch and BCM
Cargo/Fog Lamp Switch, DIC, and Steering Wheel Controls
Cargo/Fog Lamp Switch, DIC, and Steering Wheel Controls
Switch Inputs
G203 - 1 of 3