GM Service Manual Online
For 1990-2009 cars only
Makes
🢒
Chevrolet
🢒
2002
🢒
Chevy C Silverado - 2WD
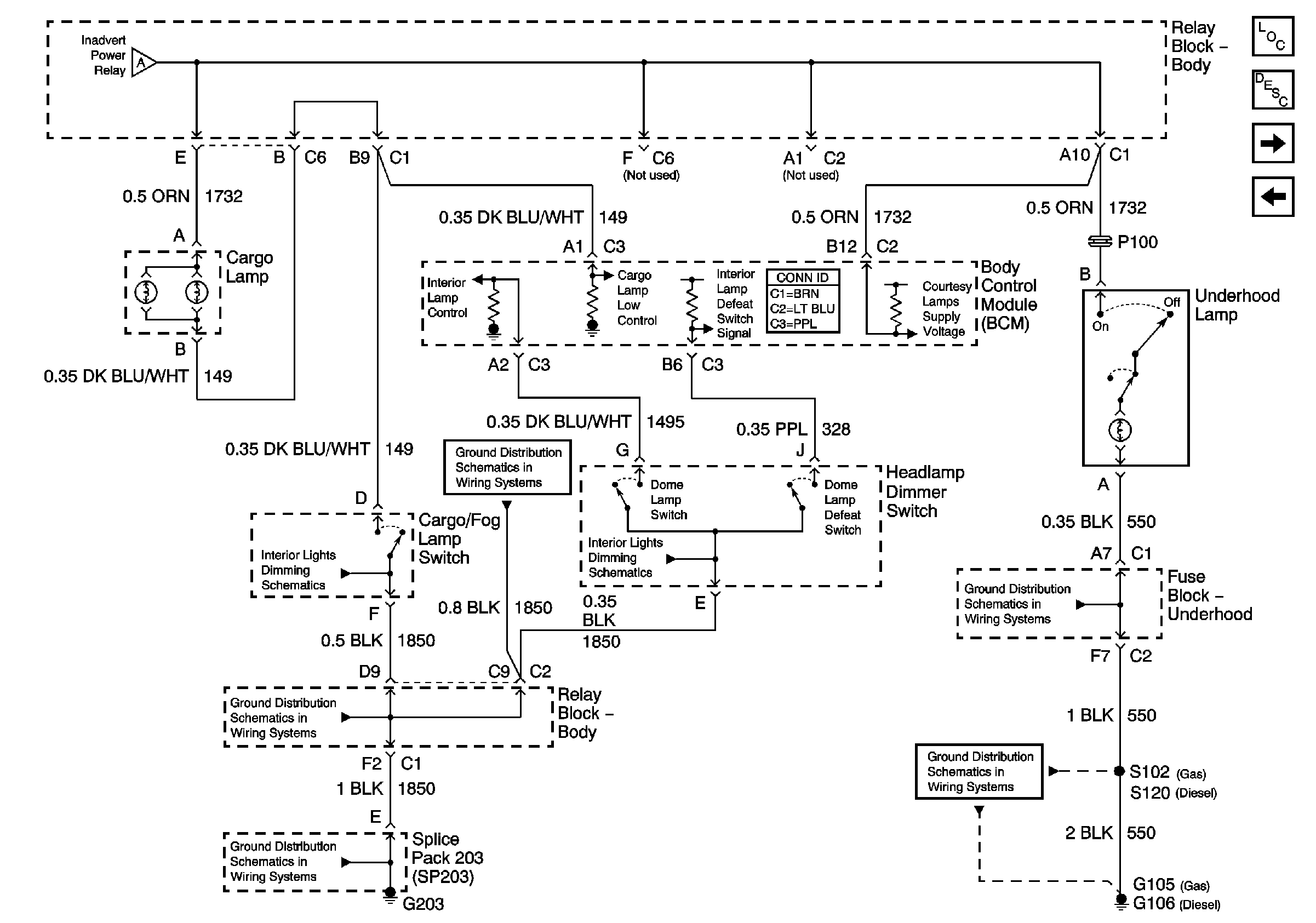
🢒 Courtesy Lamp Control - 2 of 2
Courtesy Lamp Control - 2 of 2
Courtesy Lamp Control - 2 of 2
Master Electrical Component List
Interior Lighting Systems Description and Operation
Parklamp Control
Courtesy Lamp Control - 1 of 2
Courtesy Lamp Control - 1 of 2
G203 - 2 of 3 - Base Except Crew Cab
PARK LPS Fuse, Headlamp Switch and BCM
Cargo/Fog Lamp Switch, DIC, and Steering Wheel Controls
G203 - 2 of 3 - Base Except Crew Cab
G203 - 1 of 3
G104 - Gas
G103 and G105 - Gas