GM Service Manual Online
For 1990-2009 cars only
Makes
🢒
Chevrolet
🢒
2002
🢒
Chevy C Silverado - 2WD
🢒 Engine Cooling Schematic
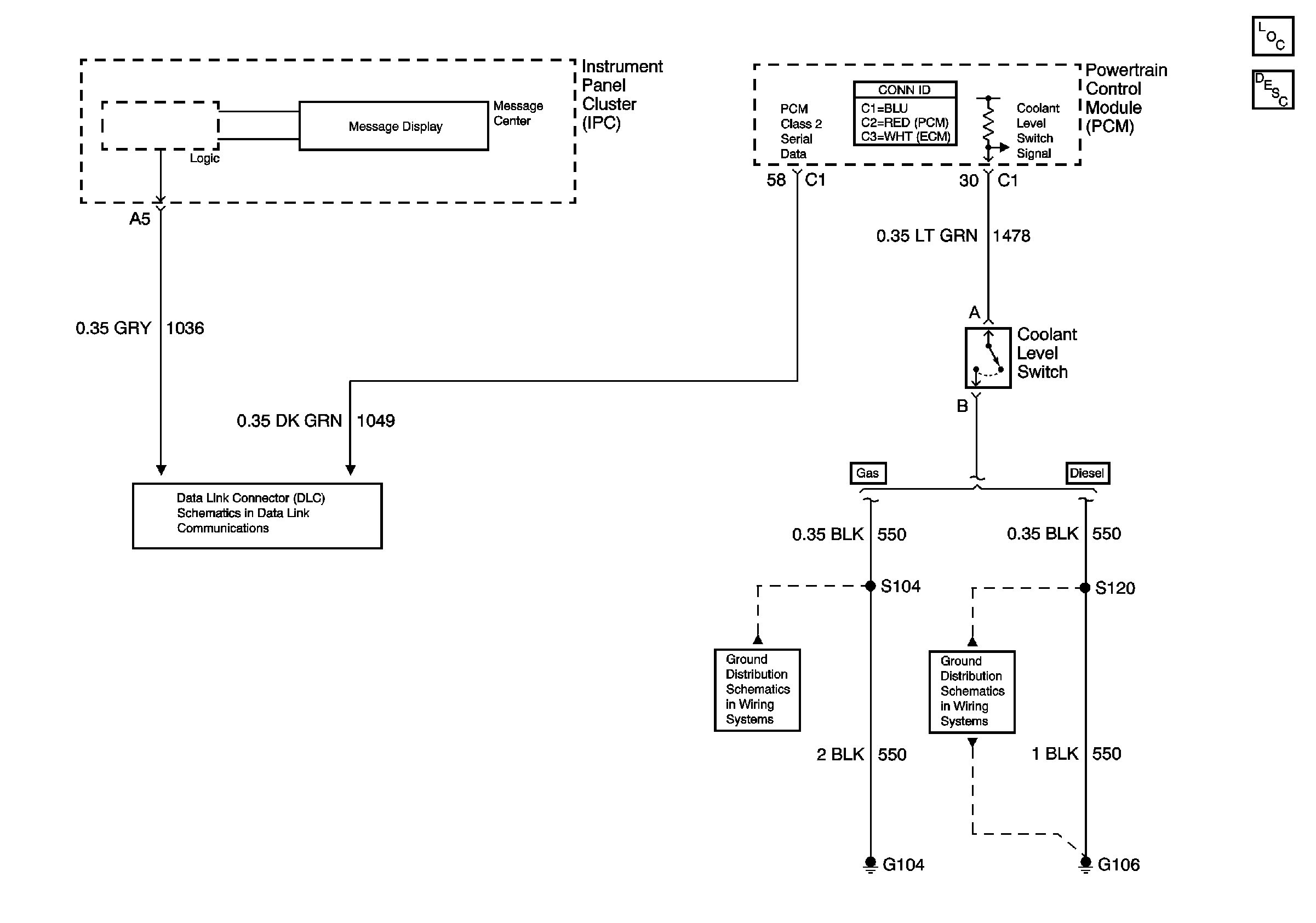
Engine Cooling Schematic
Master Electrical Component List
Cooling System Description and Operation
Splice Pack SP205
G104 - Gas
G106 - Diesel