GM Service Manual Online
For 1990-2009 cars only
Makes
🢒
Chevrolet
🢒
2002
🢒
Chevy C Silverado - 2WD
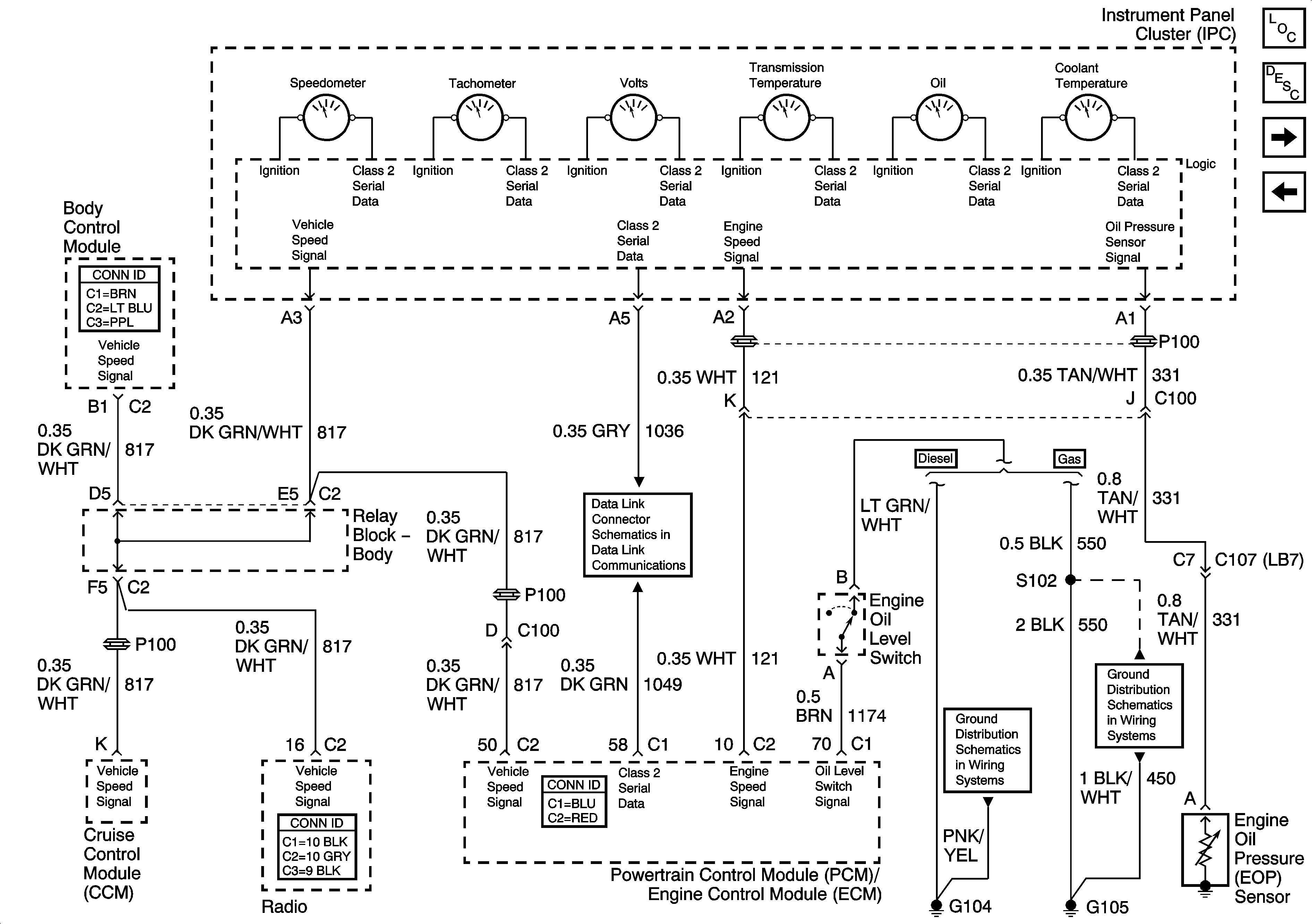
🢒 Gages
Gages
Gages and Vehicle Speed
Master Electrical Component List
Instrument Cluster Description and Operation
Fuel Gage and Fuel Pump and Sender Assembly
Indicators
Splice Pack SP205
G102, G103, and G104 - Diesel
G103 and G105 - Gas