GM Service Manual Online
For 1990-2009 cars only
Makes
🢒
Chevrolet
🢒
2002
🢒
Chevy C Silverado - 2WD
🢒 Base - All Except Crew Cab
Base - All Except Crew Cab
Base - All Except Crew Cab
Master Electrical Component List
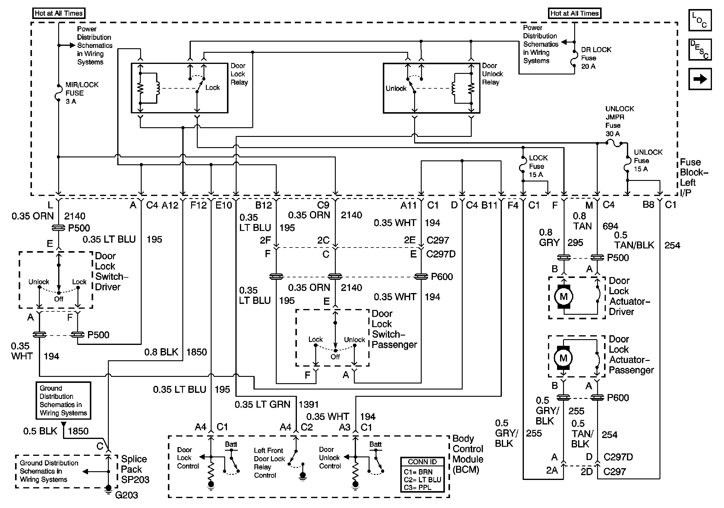
Power Door Locks Description and Operation
Uplevel - All Except Crew Cab
B+ Bus Bar
B+ Bus Bar
G203 - 1 of 3
G203 - 1 of 3