GM Service Manual Online
For 1990-2009 cars only
Makes
🢒
Chevrolet
🢒
2002
🢒
Chevy C Silverado - 2WD
🢒 Base Crewcab
Base Crewcab
Base Crewcab
Master Electrical Component List
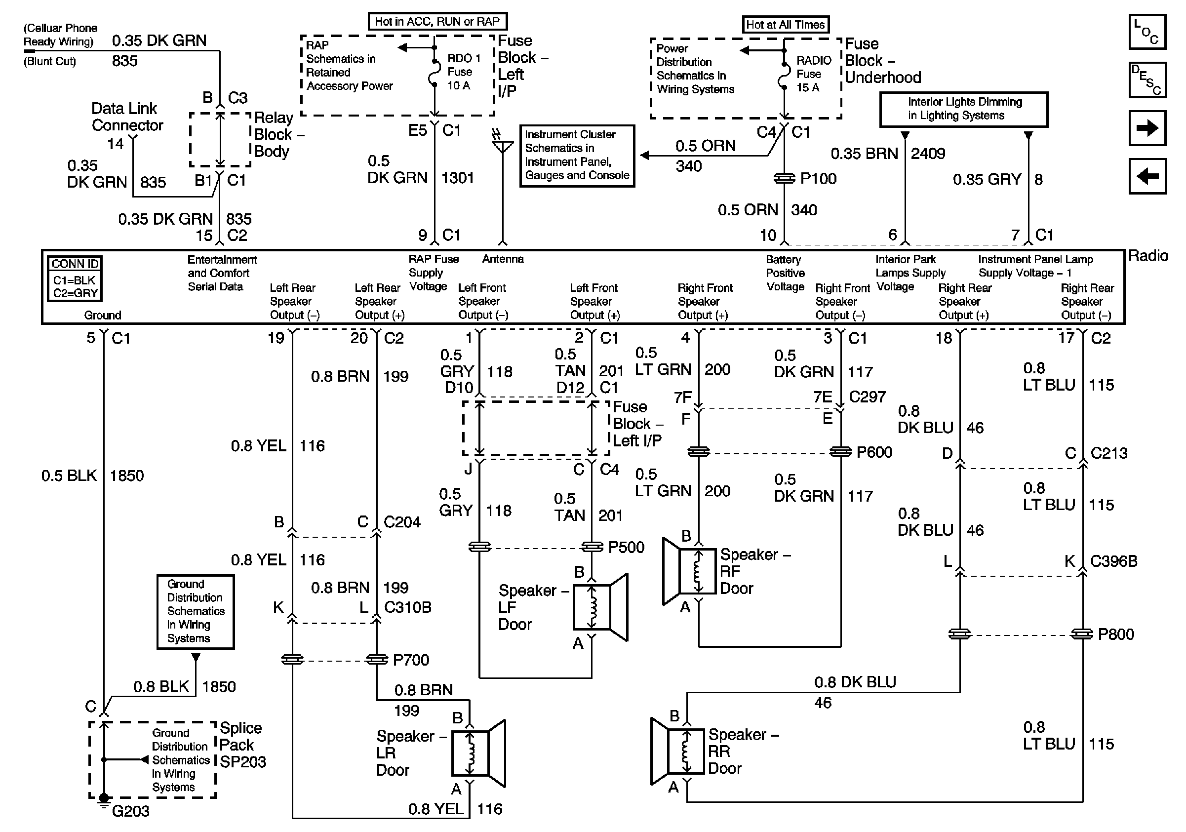
Radio/Audio System Description and Operation
Uplevel Crewcab
Uplevel
RAP Schematics - Pickup
Power and Ground
B+ Bus Bar
SIR Disable Switch, Radio, and CD Player
G203 - 1 of 3
G203 - 1 of 3