GM Service Manual Online
For 1990-2009 cars only
Makes
🢒
Chevrolet
🢒
2002
🢒
Chevy C Silverado - 2WD
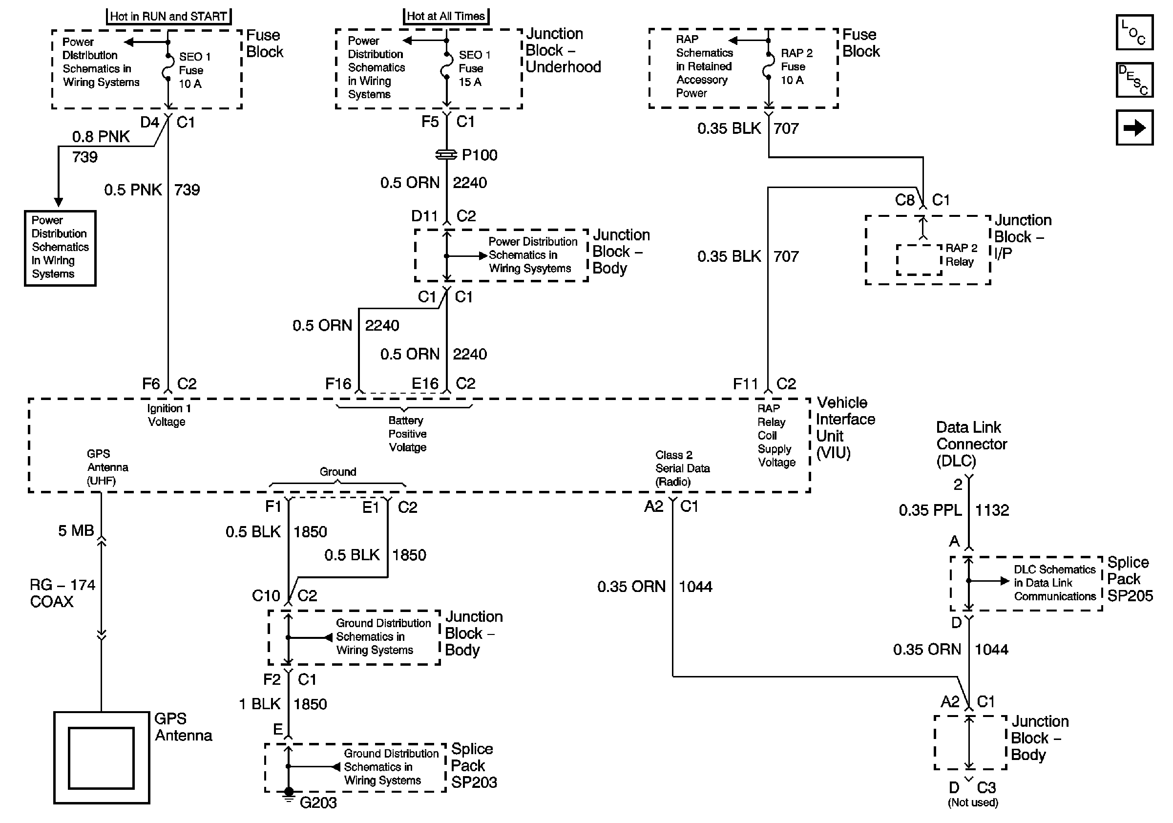
🢒 Power, Ground and DLC
Power, Ground and DLC
Power, Ground and DLC