GM Service Manual Online
For 1990-2009 cars only
Makes
🢒
Chevrolet
🢒
2002
🢒
Chevy C Silverado - 2WD
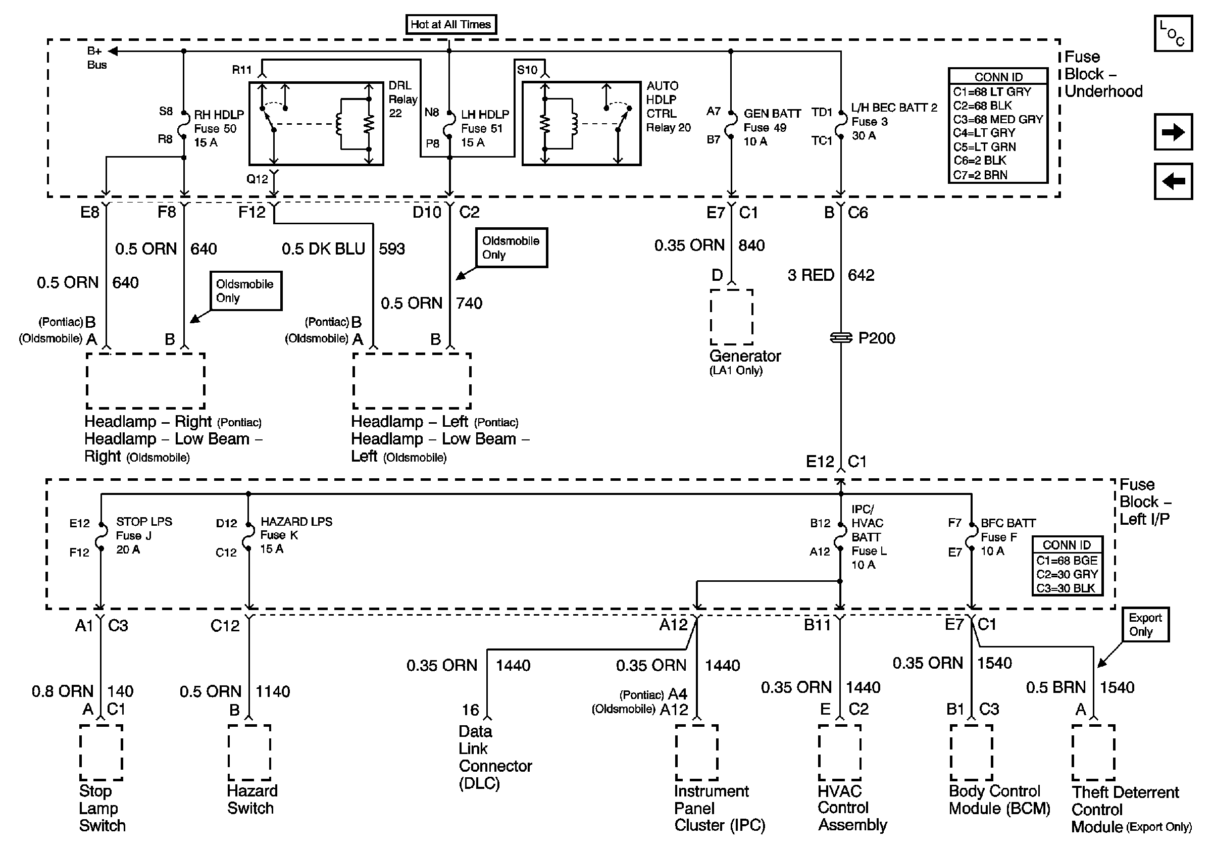
🢒 RH HDLP, LH HDLP, GEN BATT, LH BEC BATT2, STOP LPS, HAZARD LPS, IPC/HVAC BATT, BFC BATT Fuses
RH HDLP, LH HDLP, GEN BATT, LH BEC BATT2, STOP LPS, HAZARD LPS, IPC/HVAC BATT, BFC BATT Fuses
RH HDLP, LH HDLP, GEN BATT, LH BEC BATT2, STOP LPS, HAZARD LPS, IPC/HVAC BATT, BFC BATT Fuses
Master Electrical Component List
RH BEC BATT, ABS, COOL FAN (V6) GROUND, INT LPS, RADIO BATT, FOG LPS Fuses
INST LPS Fuse
B+ Bus Bar