GM Service Manual Online
For 1990-2009 cars only
Makes
🢒
Chevrolet
🢒
2002
🢒
Chevy C Silverado - 2WD
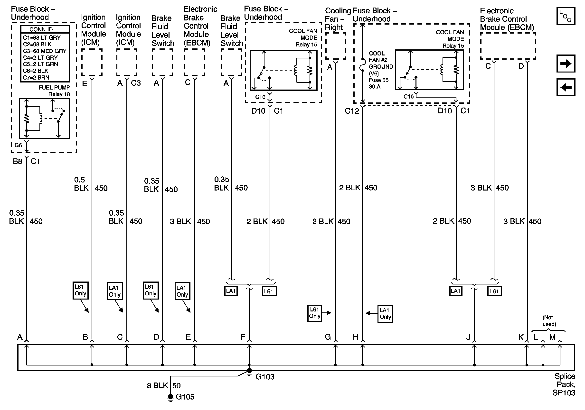
🢒 G103 and G105
G103 and G105
G103 and G105
Master Electrical Component List
G201
G102 and G104