GM Service Manual Online
For 1990-2009 cars only
Makes
🢒
Chevrolet
🢒
2002
🢒
Chevy C Silverado - 2WD
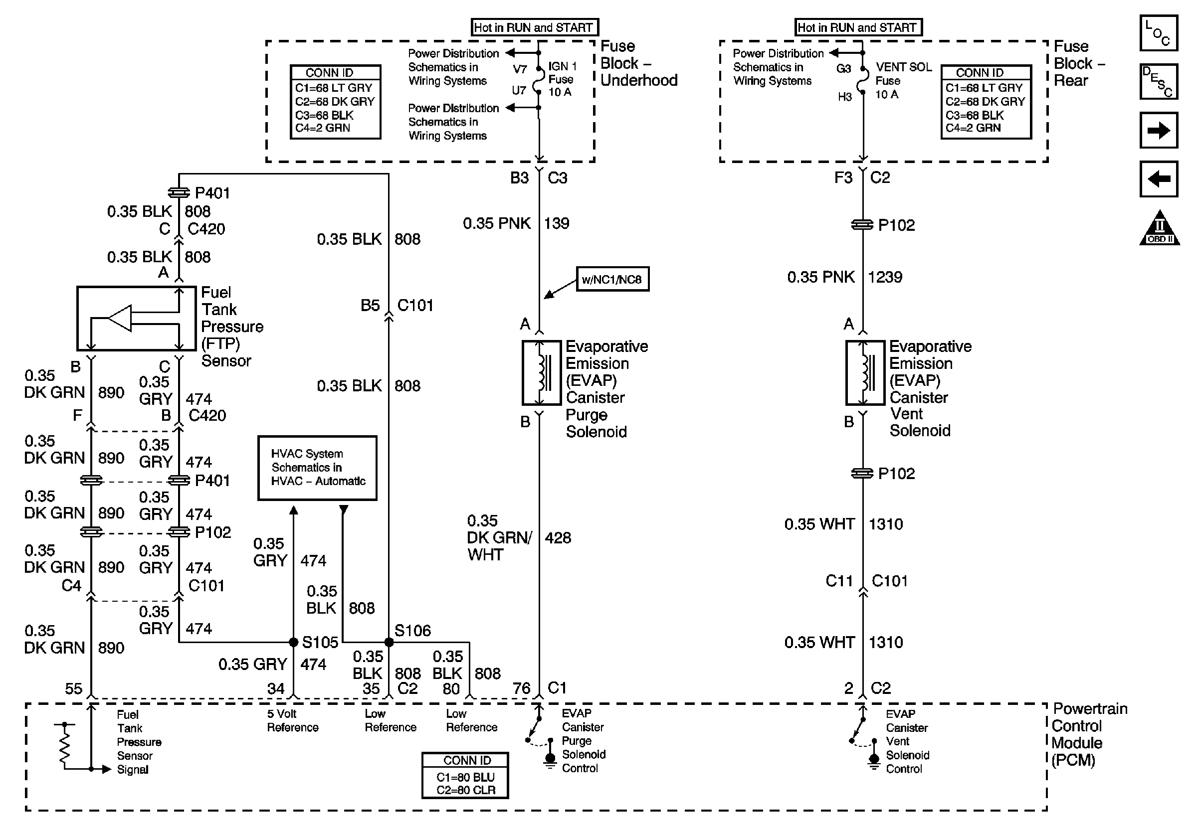
🢒 Fuel Controls - EVAP Controls
Fuel Controls - EVAP Controls
Fuel Controls -- EVAP Controls
Master Electrical Component List
Device Controls - EGR, IAC, and AIR
Fuel Controls - Fuel Injectors
Engine Controls Schematic Icons
IGN-1, VENT SOL, and SIR Fuses (Fuse Block Rear)
IGN-1, VENT SOL, and SIR Fuses (Fuse Block Rear)