GM Service Manual Online
For 1990-2009 cars only
Makes
🢒
Chevrolet
🢒
2002
🢒
Chevy C Silverado - 2WD
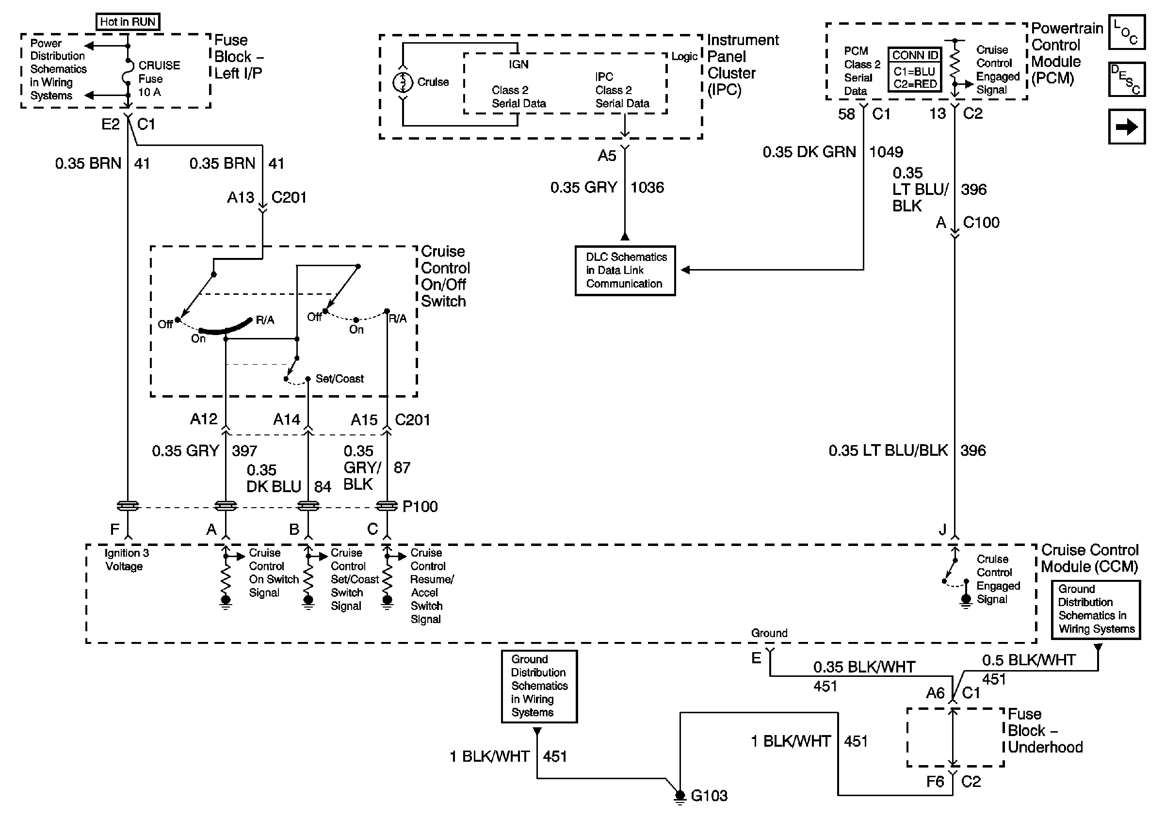
🢒 Cruise Control Module and Cruise Control ON/OFFSwitch - Gas w/o ETC
Cruise Control Module and Cruise Control ON/OFFSwitch - Gas w/o ETC
Cruise Control Module and Cruise Control ON/OFF Switch - Gas w/o ETC
Master Electrical Component List
Cruise Control Description and Operation w/o ETC
Cruise Control Module , Clutch Start Switch, and Stop Lamp Switch - Gas w/o ETC
AUX PWR and HORN Fuses
BRAKE, Cruise, HTR A/C, RR WPR, WS WPR, and SEO ACCY Fuses
IGN 1, TURN, SEO IGN, AIR BAG, CRANK, and IGN 0 Fuses
Splice Pack SP205
G103 and G105 - Gas
G103 and G105 - Gas