GM Service Manual Online
For 1990-2009 cars only
Makes
🢒
Chevrolet
🢒
2002
🢒
Chevy C Silverado - 2WD
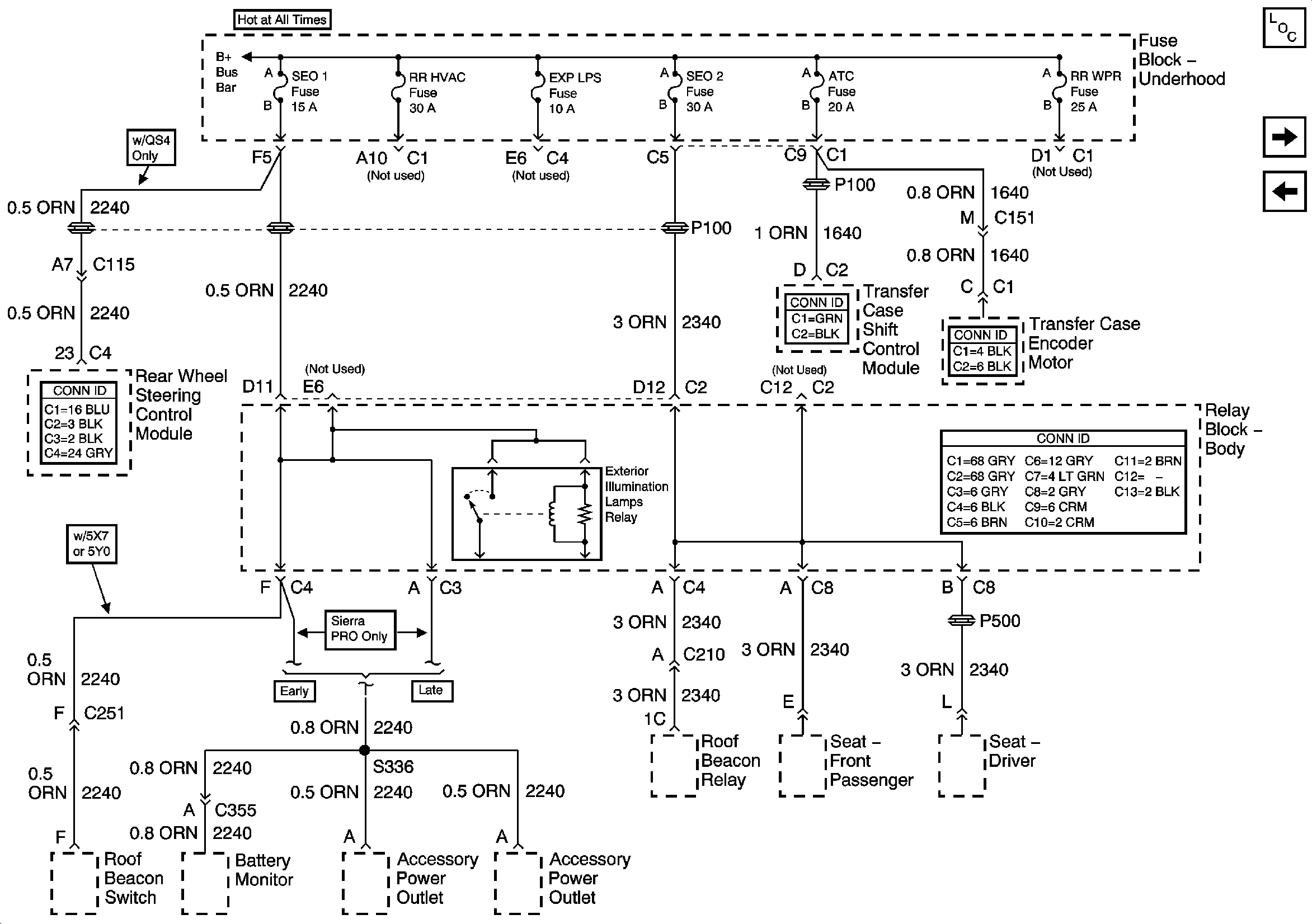
🢒 SEO 1, SEO 2, RR HVAC, EXP LPS, ATC, and RR WPR
SEO 1, SEO 2, RR HVAC, EXP LPS, ATC, and RR WPR
SEO 1, SEO 2, RR HVAC, EXP LPS, ATC, and RR WPR Fuses
Master Electrical Component List
ECM 1, ETC, INJ A, and INJ B Fuses - Gas Only
AUX PWR and HORN Fuses
B+ Bus Bar
B+ Bus Bar