GM Service Manual Online
For 1990-2009 cars only
Makes
🢒
Chevrolet
🢒
2002
🢒
Chevy C Silverado - 2WD
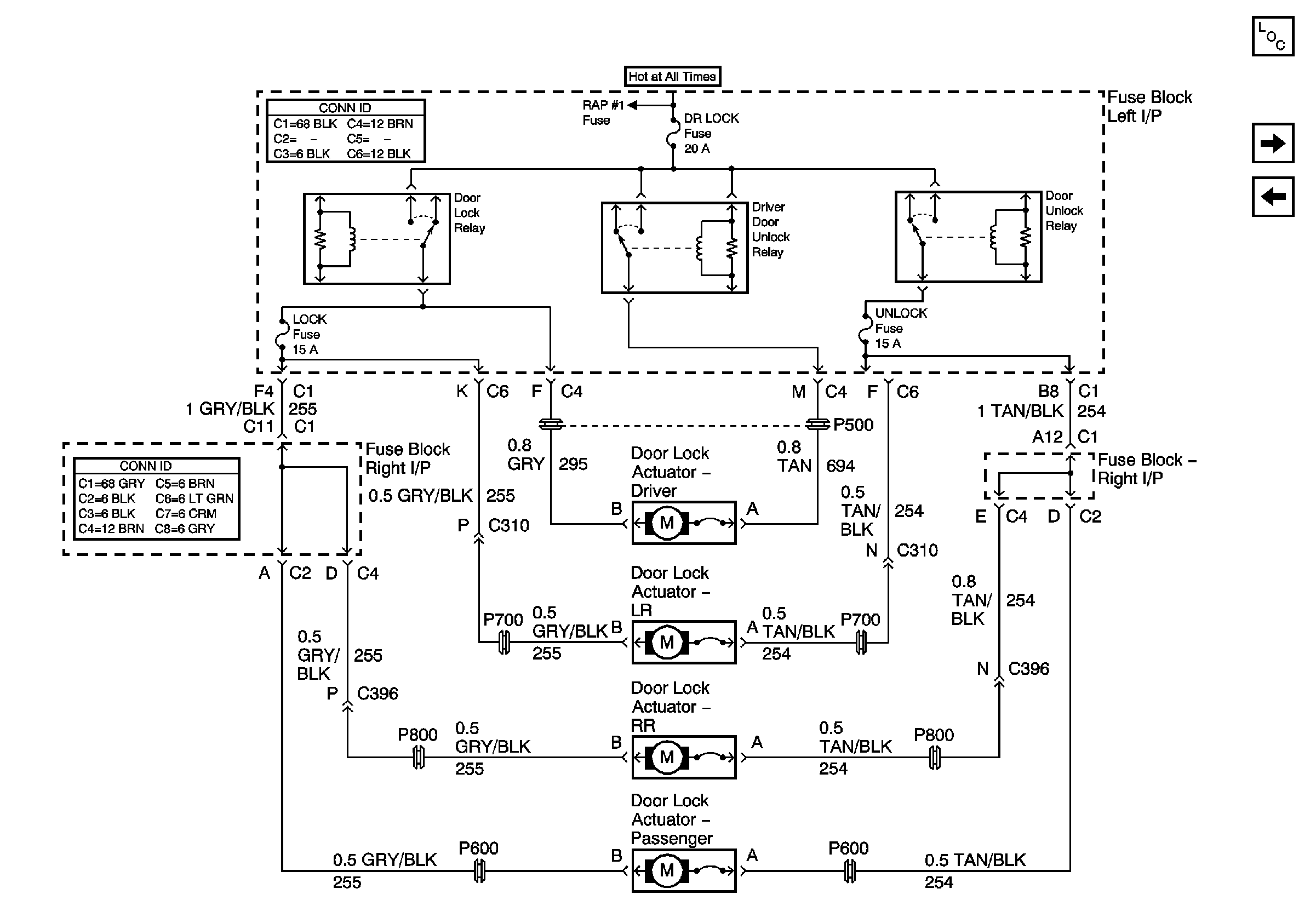
🢒 DR LOCK, LOCK, and UNLOCK Fuses
DR LOCK, LOCK, and UNLOCK Fuses
DR LOCK, LOCK, and UNLOCK Fuses
Master Electrical Component List
SEATS CB, and MIR/LOCK Fuse
BRAKE, Cruise, HTR A/C, RR WPR, WS WPR, and SEO ACCY Fuses
Ignition, Run, Accessory, and RAP Bus Bars - RAP#1 and RAP#2 Fuses