GM Service Manual Online
For 1990-2009 cars only
Makes
🢒
Chevrolet
🢒
2002
🢒
Chevy C Silverado - 2WD
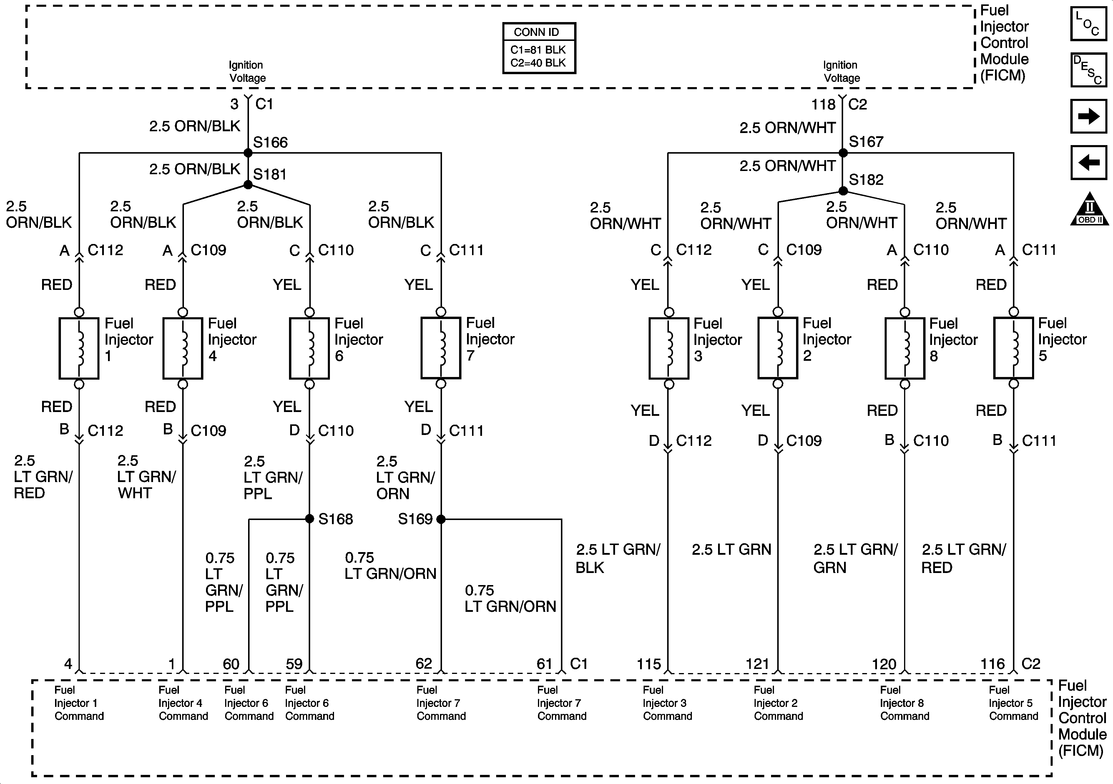
🢒 Fuel Controls - Fuel injectors
Fuel Controls - Fuel injectors
Fuel Controls - Fuel Injectors
Master Electrical Component List
Engine Control Module Description
Controlled/Monitored Subsystem References
Fuel Controls - Injector and Pressure Controls
OBD II Symbol Description Notice