GM Service Manual Online
For 1990-2009 cars only
Makes
🢒
Chevrolet
🢒
2002
🢒
Chevy C Silverado - 2WD
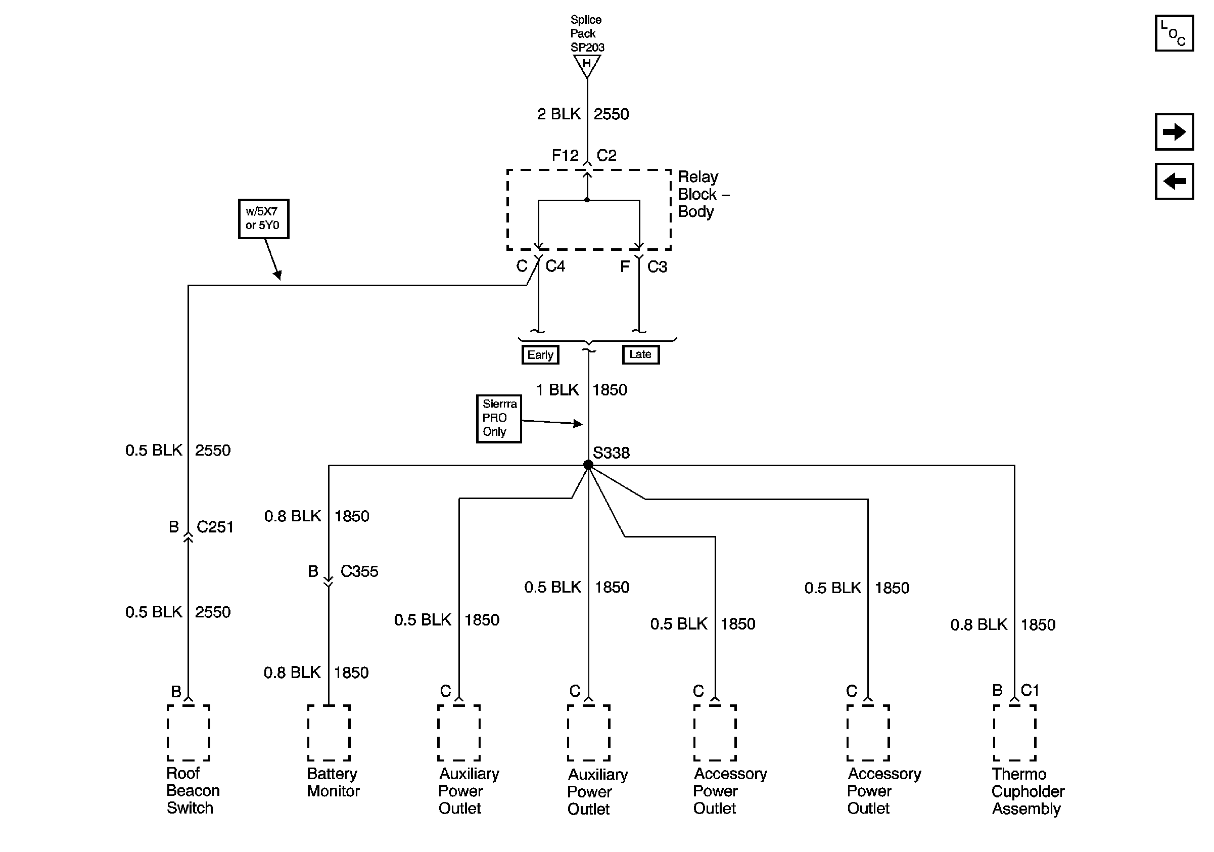
🢒 G203 - 3 of 3
G203 - 3 of 3
G203 - 3 of 3
Master Electrical Component List
G304
G203 - 2 of 3 - Uplevel and Crew Cab
G203 - 1 of 3