GM Service Manual Online
For 1990-2009 cars only

Removal Procedure

Caution: Unless directed otherwise, the ignition and start switch must be in the OFF or LOCK position, and all electrical loads must be OFF before servicing any electrical component. Disconnect the negative battery cable to prevent an electrical spark should a tool or equipment come in contact with an exposed electrical terminal. Failure to follow these precautions may result in personal injury and/or damage to the vehicle or its components.


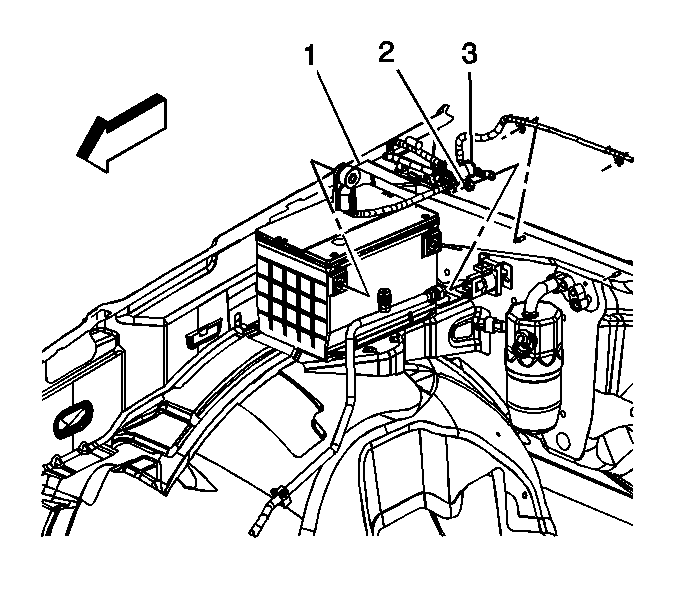
    Object Number: 847264  Size: SH
  1. Disconnect the auxiliary battery negative cable. Refer to Battery Negative Cable Disconnection and Connection .
  2. Reposition the boot (3) to expose the stud.
  3. Remove the auxiliary battery positive cable nut (2).
  4. Remove the auxiliary battery positive cable from the auxiliary battery relay.

  5. Object Number: 662684  Size: SH
  6. Reposition the boot to expose the stud.
  7. Remove the auxiliary battery positive cable nut.
  8. Remove the auxiliary battery positive cable from the auxiliary battery relay.

  9. Object Number: 674702  Size: SH
  10. Disconnect the auxiliary battery relay electrical connector (1).

  11. Object Number: 663473  Size: SH
  12. Remove the auxiliary battery relay nuts.
  13. Remove the auxiliary battery relay.

Installation Procedure


    Object Number: 663473  Size: SH
  1. Install the auxiliary battery relay.
  2. Notice: Use the correct fastener in the correct location. Replacement fasteners must be the correct part number for that application. Fasteners requiring replacement or fasteners requiring the use of thread locking compound or sealant are identified in the service procedure. Do not use paints, lubricants, or corrosion inhibitors on fasteners or fastener joint surfaces unless specified. These coatings affect fastener torque and joint clamping force and may damage the fastener. Use the correct tightening sequence and specifications when installing fasteners in order to avoid damage to parts and systems.

  3. Install the auxiliary battery relay nuts.
  4. Tighten
    Tighten the nuts to 9 N·m (80 lb in).


    Object Number: 674702  Size: SH
  5. Connect the auxiliary battery relay electrical connector (1).

  6. Object Number: 662684  Size: SH
  7. Install the auxiliary battery positive cable to the auxiliary battery relay.
  8. Install the auxiliary battery positive cable nut.
  9. Tighten
    Tighten the nut to 9 N·m (80 lb in).

  10. Position the boot to cover the stud.

  11. Object Number: 847264  Size: SH
  12. Install the auxiliary battery positive cable to the auxiliary battery relay.
  13. Install the auxiliary battery positive cable nut (2).
  14. Tighten
    Tighten the nut to 9 N·m (80 lb in).

  15. Position the boot (3) to cover the stud.
  16. Connect the auxiliary battery negative cable. Refer to Battery Negative Cable Disconnection and Connection .