GM Service Manual Online
For 1990-2009 cars only
Makes
🢒
Chevrolet
🢒
2003
🢒
Chevy C Silverado - 2WD
🢒
Engine
🢒
Engine Controls - 6.6L
🢒 Emission Hose Routing Diagram
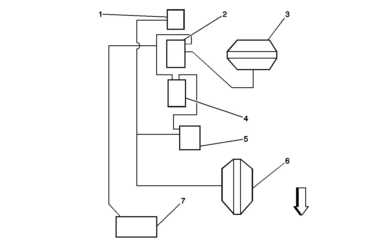
Exhaust Gas Recirculation (EGR) Vacuum Control System
(1)
EGR Vacuum Sensor
(2)
EGR Throttle Valve Vacuum Control Solenoid
(3)
EGR Throttle Valve Diaphragm
(4)
EGR Valve Vacuum Control Solenoid
(5)
EGR Vacuum Vent Solenoid
(6)
EGR Valve Diaphragm
(7)
Vacuum Pump