GM Service Manual Online
For 1990-2009 cars only

Fuel Tank Filler Hose Replacement Pickup

Removal Procedure


    Object Number: 853731  Size: SH
  1. Remove the fuel tank filler housing to body screws (1) and retainer (2).
  2. Partially drain the fuel tank. Refer to Fuel Tank Draining .

  3. Object Number: 300318  Size: SH
  4. Remove the fuel tank filler pipe housing to fuel tank fill pipe screws.
  5. Remove the fuel tank filler housing.
  6. Raise and suitably support the vehicle. Refer to Lifting and Jacking the Vehicle in General Information.

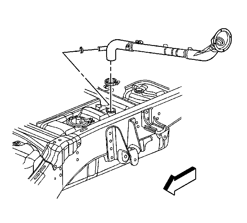
  7. Object Number: 420291  Size: SH
  8. Remove the fuel tank ground strap bolt.
  9. Remove the chassis harness ground strap and fuel tank ground strap.

  10. Object Number: 816707  Size: SH
  11. Remove the rear axle vent hose from the clip on the fuel fill pipe bracket.

  12. Object Number: 816694  Size: SH
  13. Loosen the fuel tank fill pipe clamp.
  14. Remove the fuel fill pipe from the tank and the vehicle.
  15. Cap the opening on the fuel tank in order to prevent possible fuel system contamination.

Installation Procedure


    Object Number: 816694  Size: SH
  1. Remove the cap from the opening on the fuel tank.
  2. Install the fuel fill pipe to the vehicle and tank.
  3. Notice: Use the correct fastener in the correct location. Replacement fasteners must be the correct part number for that application. Fasteners requiring replacement or fasteners requiring the use of thread locking compound or sealant are identified in the service procedure. Do not use paints, lubricants, or corrosion inhibitors on fasteners or fastener joint surfaces unless specified. These coatings affect fastener torque and joint clamping force and may damage the fastener. Use the correct tightening sequence and specifications when installing fasteners in order to avoid damage to parts and systems.

  4. Tighten the fuel tank fill pipe clamp.
  5. Tighten
    Tighten the clamp to 2.5 N·m (22 lb in).


    Object Number: 816707  Size: SH
  6. Install the rear axle vent hose to the clip on the fuel fill pipe bracket.

  7. Object Number: 420291  Size: SH
  8. Install the chassis harness ground strap and fuel tank ground strap.
  9. Install the fuel tank ground strap bolt.
  10. Tighten
    Tighten the bolt to 9 N·m (80 lb in).

  11. Lower the vehicle.

  12. Object Number: 300318  Size: SH
  13. Install the fuel tank filler housing.
  14. Install the fuel tank filler housing to fuel tank fill pipe screws.
  15. Tighten
    Tighten the screws to 2.3 N·m (20 lb in).


    Object Number: 853731  Size: SH
  16. Install the fuel tank filler housing to body screws (1) and retainer (2).
  17. Tighten
    Tighten the screws to 2.3 N·m (20 lb in).

  18. Fill the fuel tank, if necessary.

Fuel Tank Filler Hose Replacement Cab/Chassis

Removal Procedure


    Object Number: 877728  Size: SH
  1. Relieve the fuel system pressure.
  2. Disconnect the fuel feed and pressure balance rear pipes. Refer to Metal Collar Quick Connect Fitting Service .

  3. Object Number: 877738  Size: SH
  4. Loosen the fuel fill and vent hose clamps at the tank.
  5. Remove the fuel fill pipe and vent hose from the tank.
  6. Cap the fuel and vent holes in the fuel tank in order to prevent possible fuel system contamination.

Installation Procedure


    Object Number: 877738  Size: SH
  1. Remove the caps from the fuel and vent holes in the fuel tank.
  2. Install the fuel fill pipe and vent hose to the tank.
  3. Notice: Use the correct fastener in the correct location. Replacement fasteners must be the correct part number for that application. Fasteners requiring replacement or fasteners requiring the use of thread locking compound or sealant are identified in the service procedure. Do not use paints, lubricants, or corrosion inhibitors on fasteners or fastener joint surfaces unless specified. These coatings affect fastener torque and joint clamping force and may damage the fastener. Use the correct tightening sequence and specifications when installing fasteners in order to avoid damage to parts and systems.

  4. Tighten the fuel fill vent hose clamps at the tank.
  5. Tighten
    Tighten the clamp to 2.5 N·m (22 lb in).


    Object Number: 877728  Size: SH
  6. Connect the fuel feed and pressure balance rear pipes. Refer to Metal Collar Quick Connect Fitting Service .