GM Service Manual Online
For 1990-2009 cars only
Figure 1:

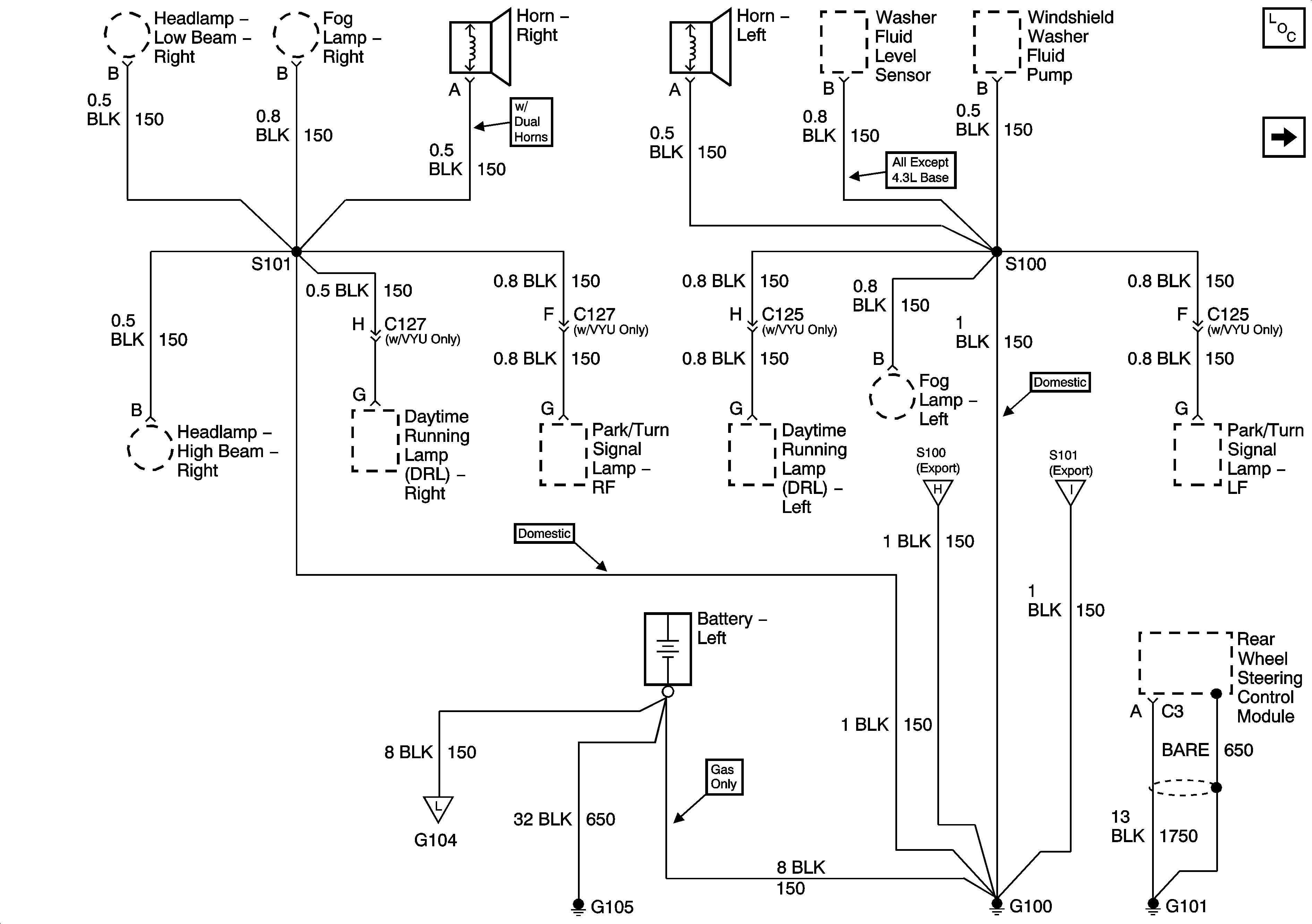
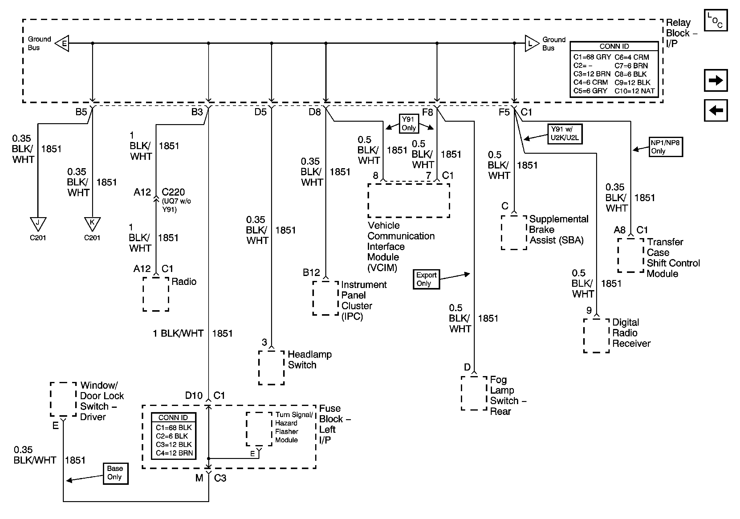
G100, G101, G105


Object Number: 863743  Size: FS
Master Electrical Component List
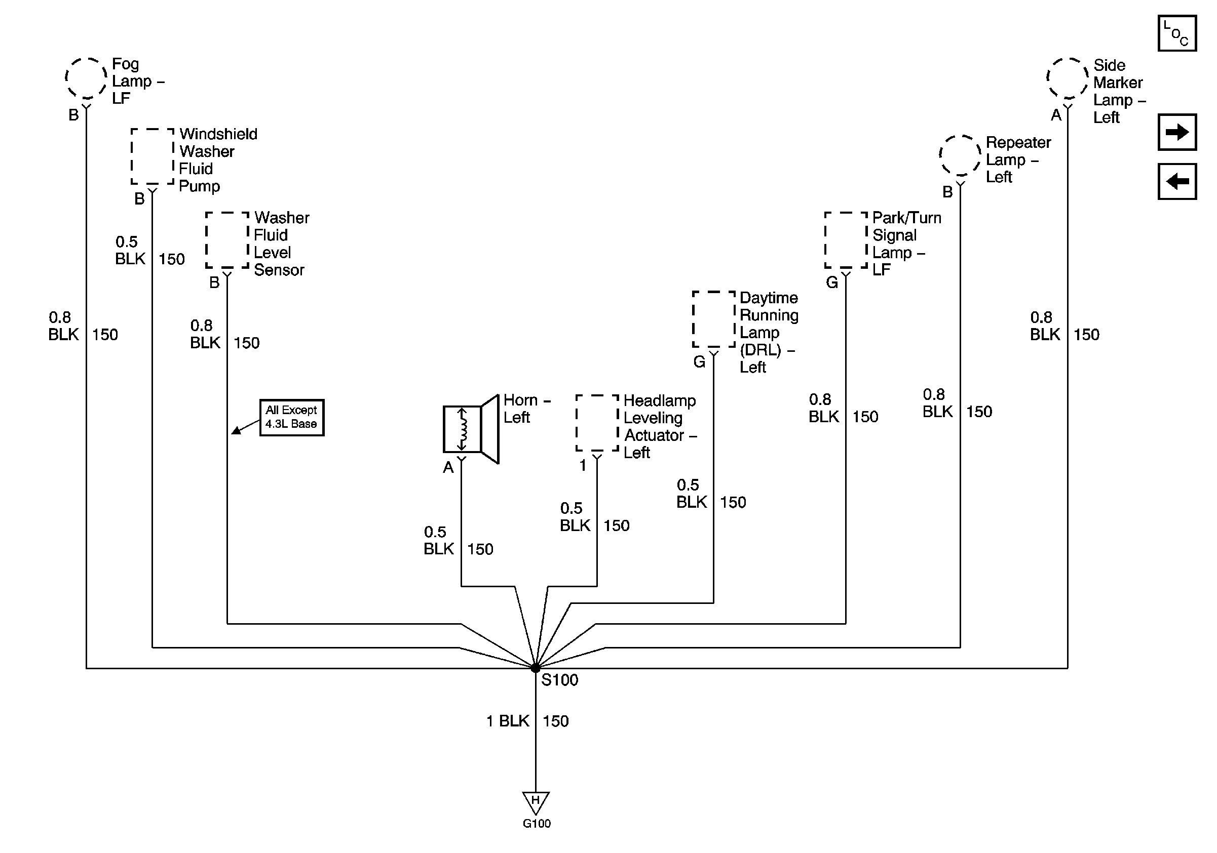
S100-Export
S100-Export
S101-Export
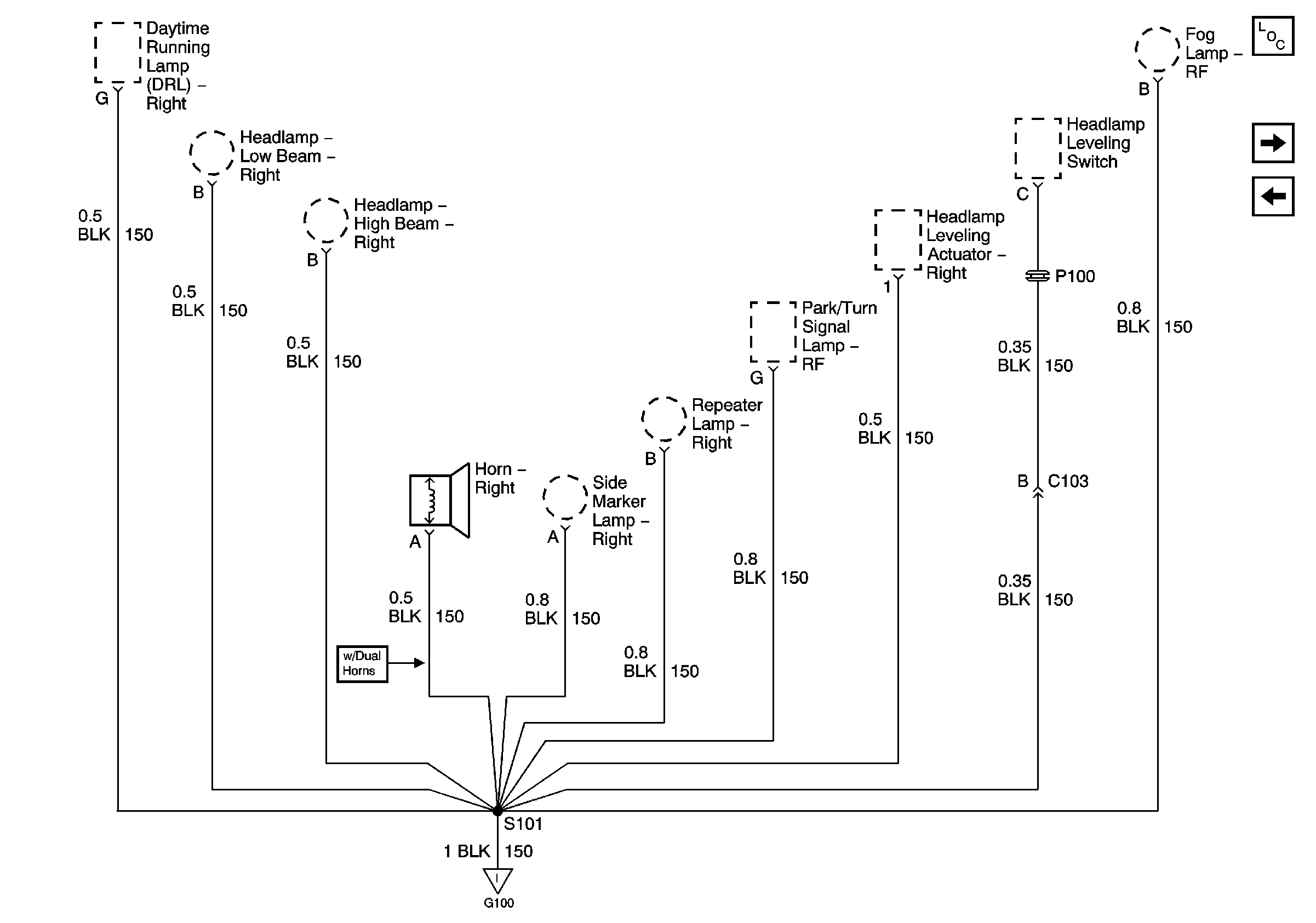
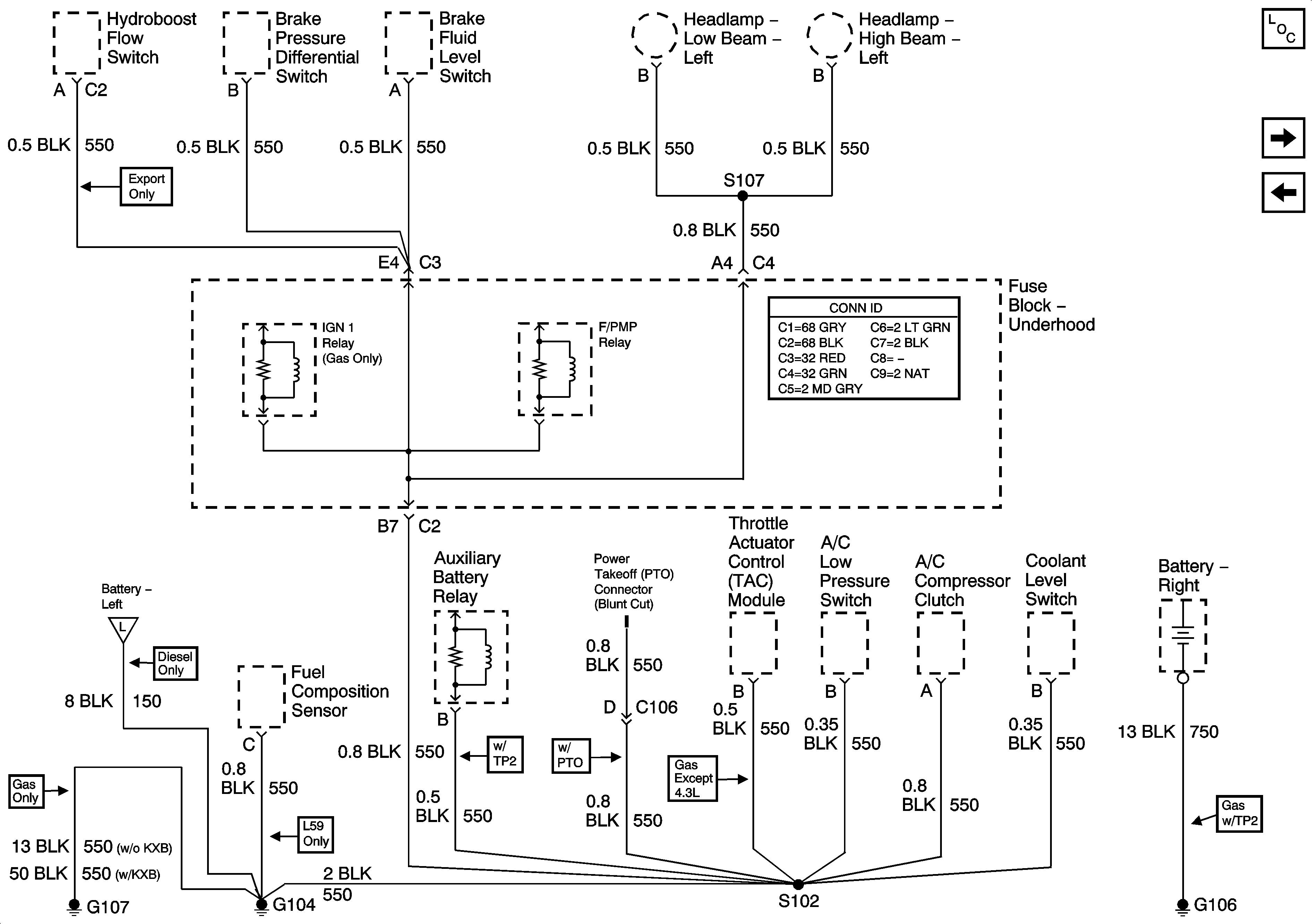
G104, G106, G107
Figure 2:

S100-Export


Object Number: 863744  Size: FS
Master Electrical Component List
S101-Export
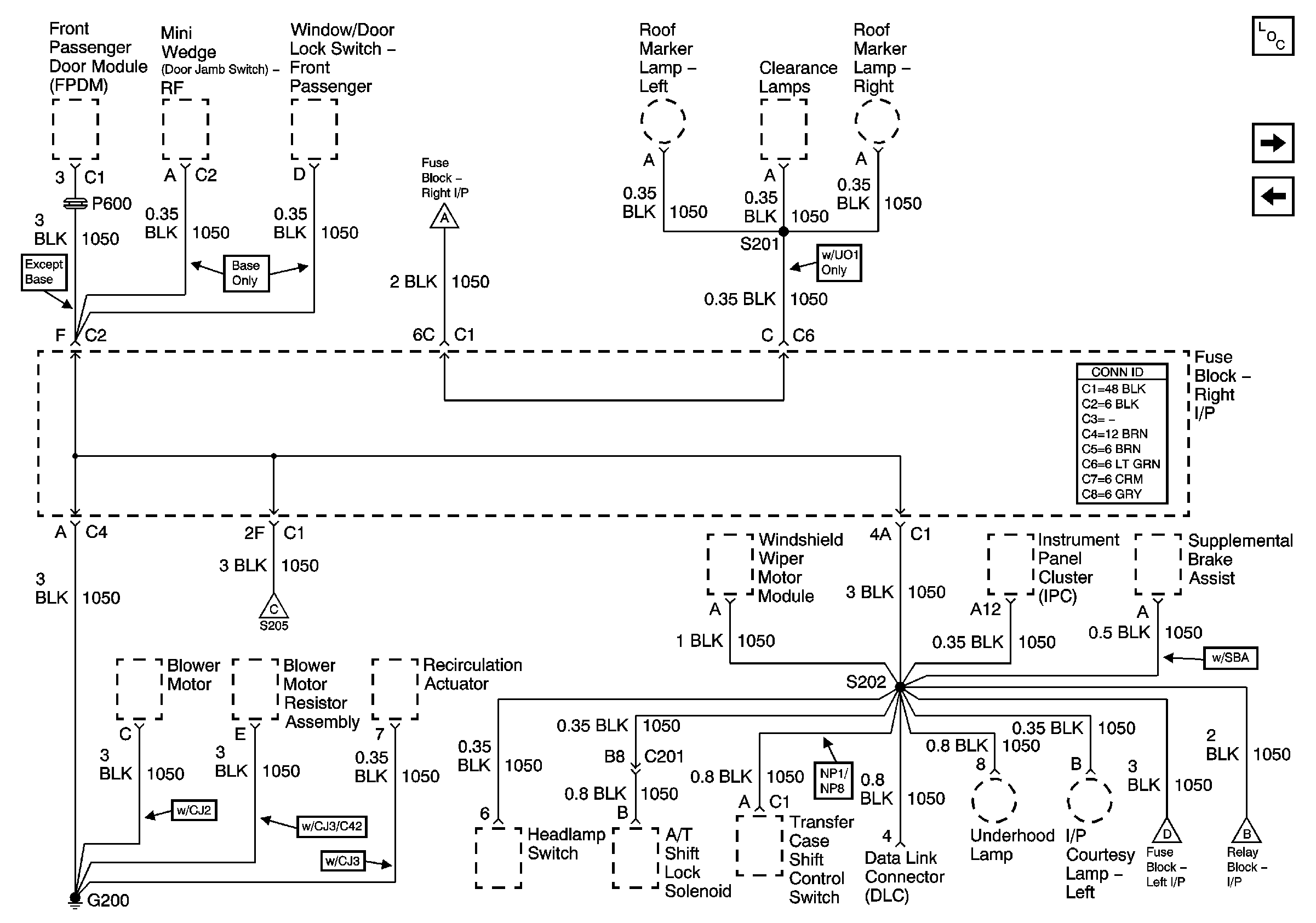
G100, G101, G105
G100, G101, G105
Figure 3:

S101-Export


Object Number: 863745  Size: FS
Master Electrical Component List
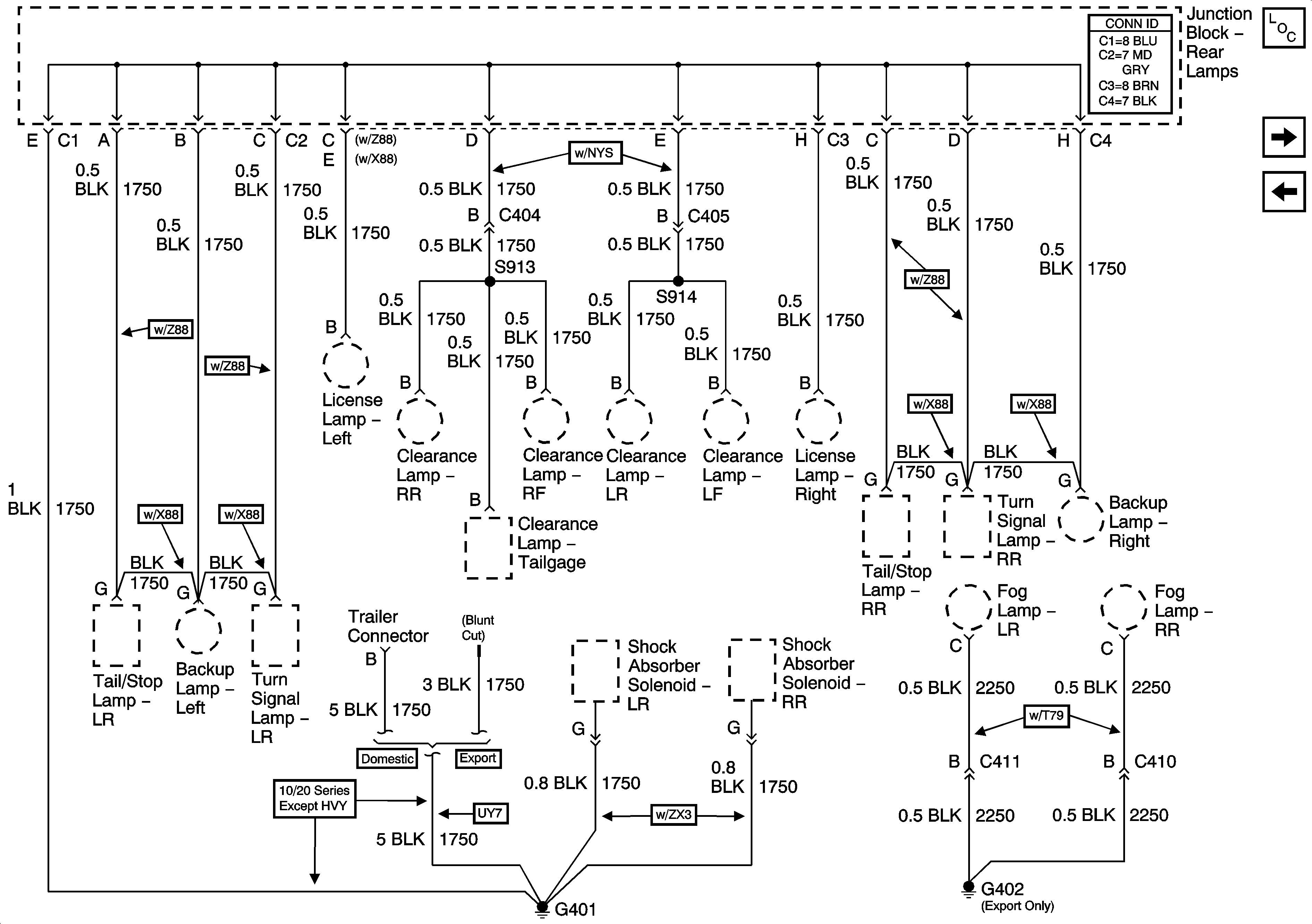
G102, G103-Gas
S100-Export
G100, G101, G105
Figure 4:

G102, G103-Gas


Object Number: 863746  Size: FS
Master Electrical Component List
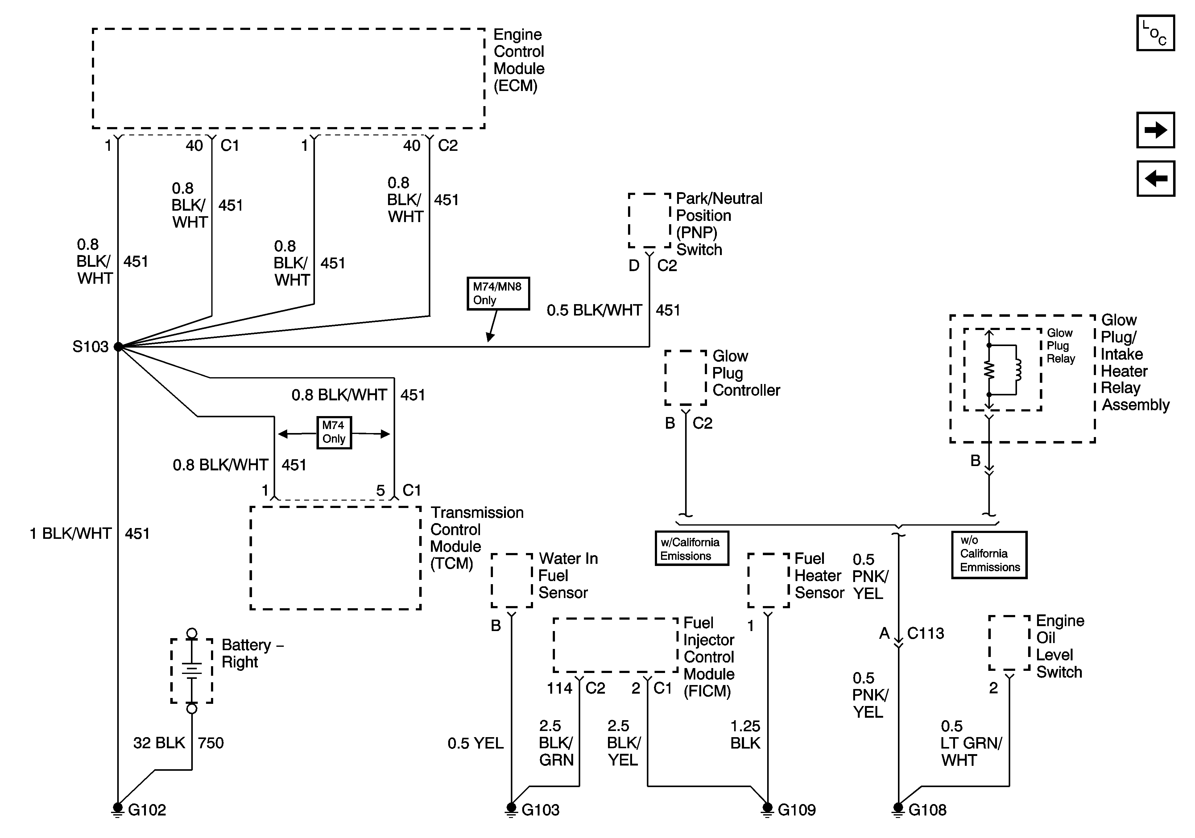
G102, G103, G108, and G109 - Diesel
S101-Export
Figure 5:

G102, G103, G108, and G109-Diesel


Object Number: 863747  Size: FS
Master Electrical Component List
G104, G106, G107
G102, G103-Gas
Figure 6:

G104, G106, G107


Object Number: 863748  Size: FS
Master Electrical Component List
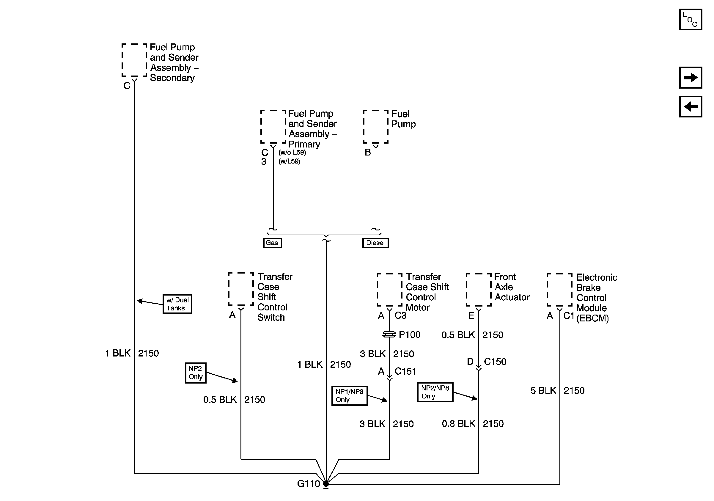
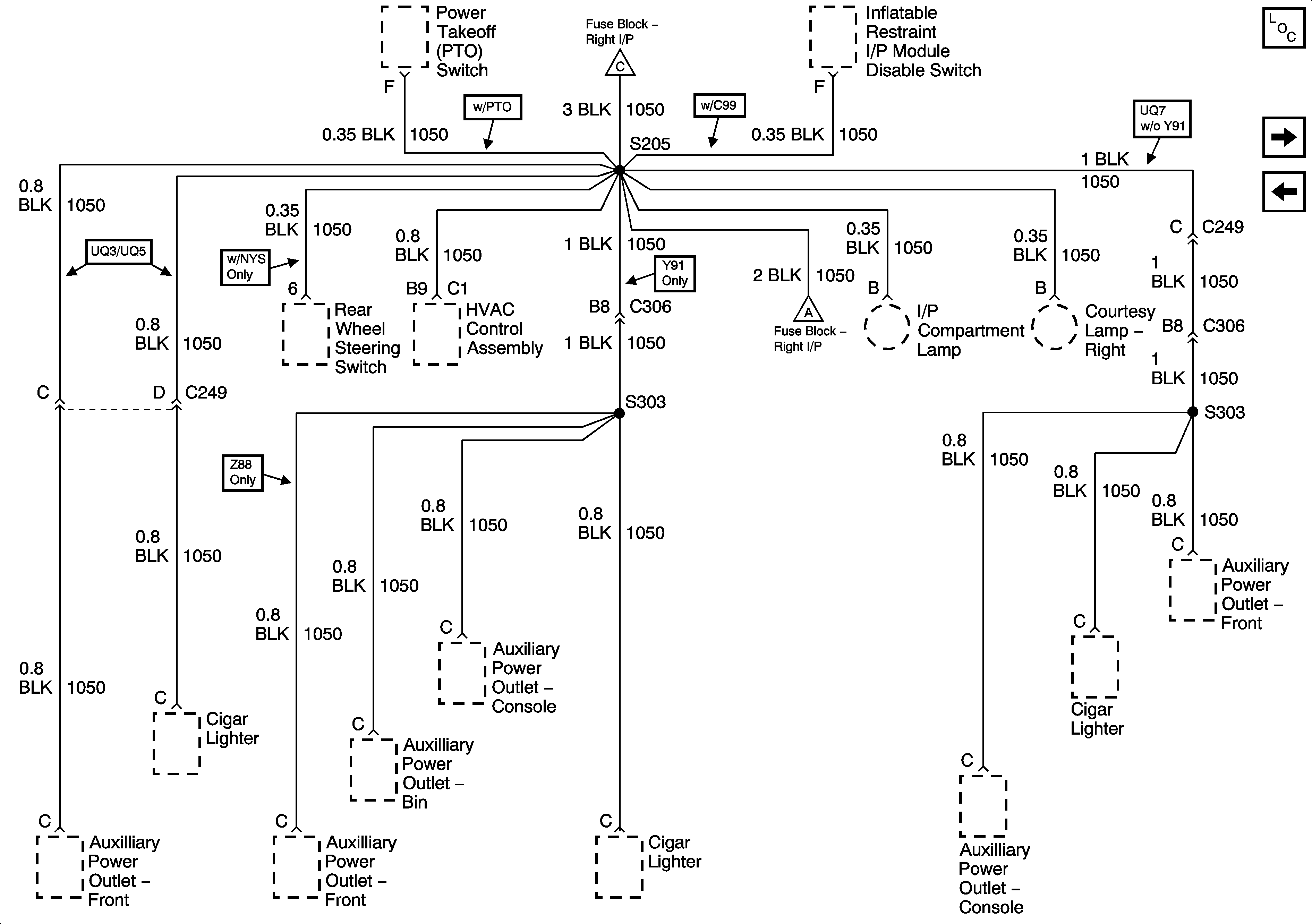
G110
G102, G103, G108, and G109 - Diesel
G100, G101, G105
Figure 7:

G110


Object Number: 863749  Size: FS
Master Electrical Component List
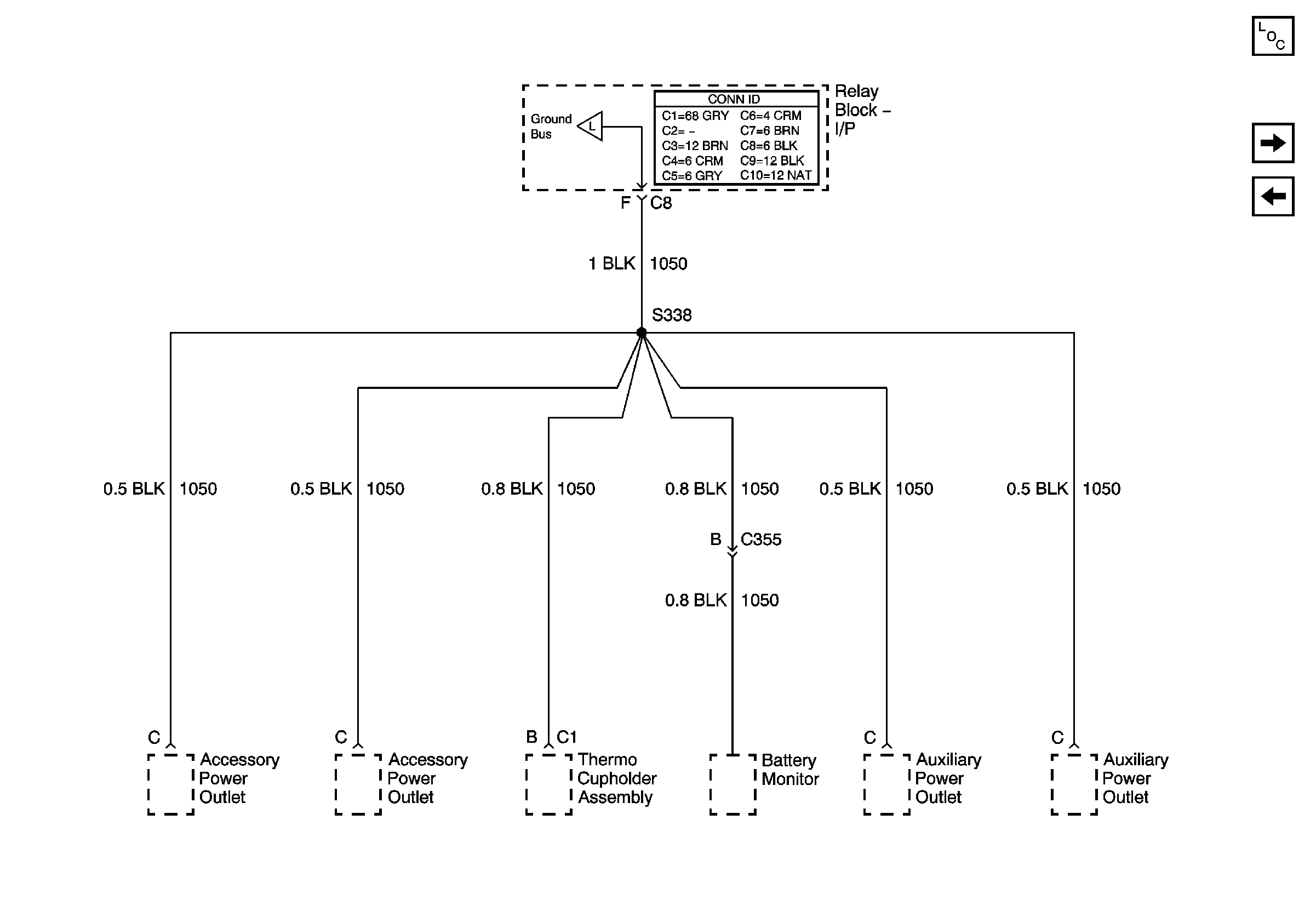
G200-1 of 3
G104, G106, G107
Figure 8:

G200-1 of 3


Object Number: 863750  Size: FS
Master Electrical Component List
G200-2 of 3
G110
G200-2 of 3
G200-2 of 3
G200-3 of 3
Figure 9:

G200-2 of 3


Object Number: 863751  Size: FS
Master Electrical Component List
G200-3 of 3
G200-1 of 3
G200-1 of 3
G200-1 of 3
Figure 10:

G200-3 of 3


Object Number: 863752  Size: FS
Master Electrical Component List
G203-1 of 3
G200-2 of 3
G200-1 of 3
G200-1 of 3
Figure 11:

G203-1 of 4


Object Number: 863753  Size: FS
Master Electrical Component List
G203-2 of 3
G200-3 of 3
G203-2 of 3
Figure 12:

G203-2 of 4


Object Number: 863754  Size: FS
Master Electrical Component List
G203-3 of 4
G203-1 of 3
G203-3 of 4
G203-1 of 3
G203-3 of 3
Figure 13:

G203-3 of 4


Object Number: 879200  Size: FS
Master Electrical Component List
G203-3 of 3
G203-2 of 3
G200-1 of 3
Figure 14:

G203-4 of 4


Object Number: 863755  Size: FS
Master Electrical Component List
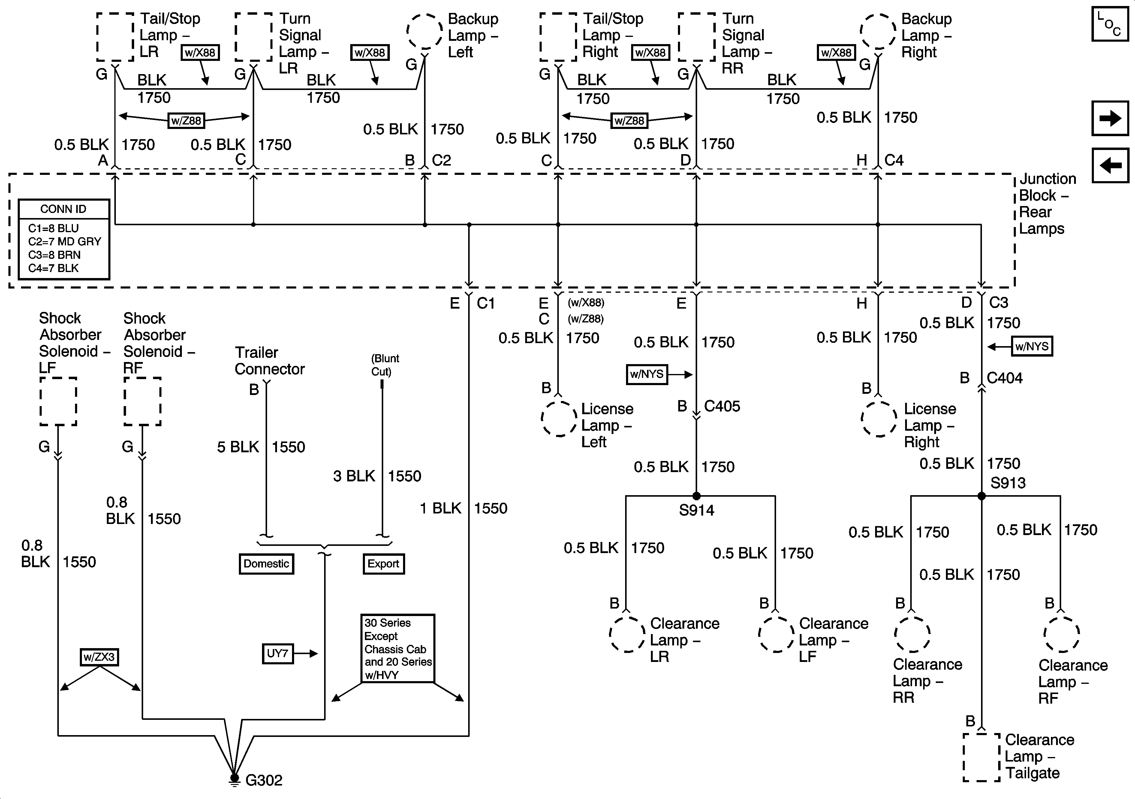
G302
G203-3 of 4
G203-2 of 3
G203-2 of 3
Figure 15:

G302


Object Number: 863756  Size: FS
Master Electrical Component List
G304, G305
G203-3 of 3
Figure 16:

G304, G305


Object Number: 863757  Size: FS
Master Electrical Component List
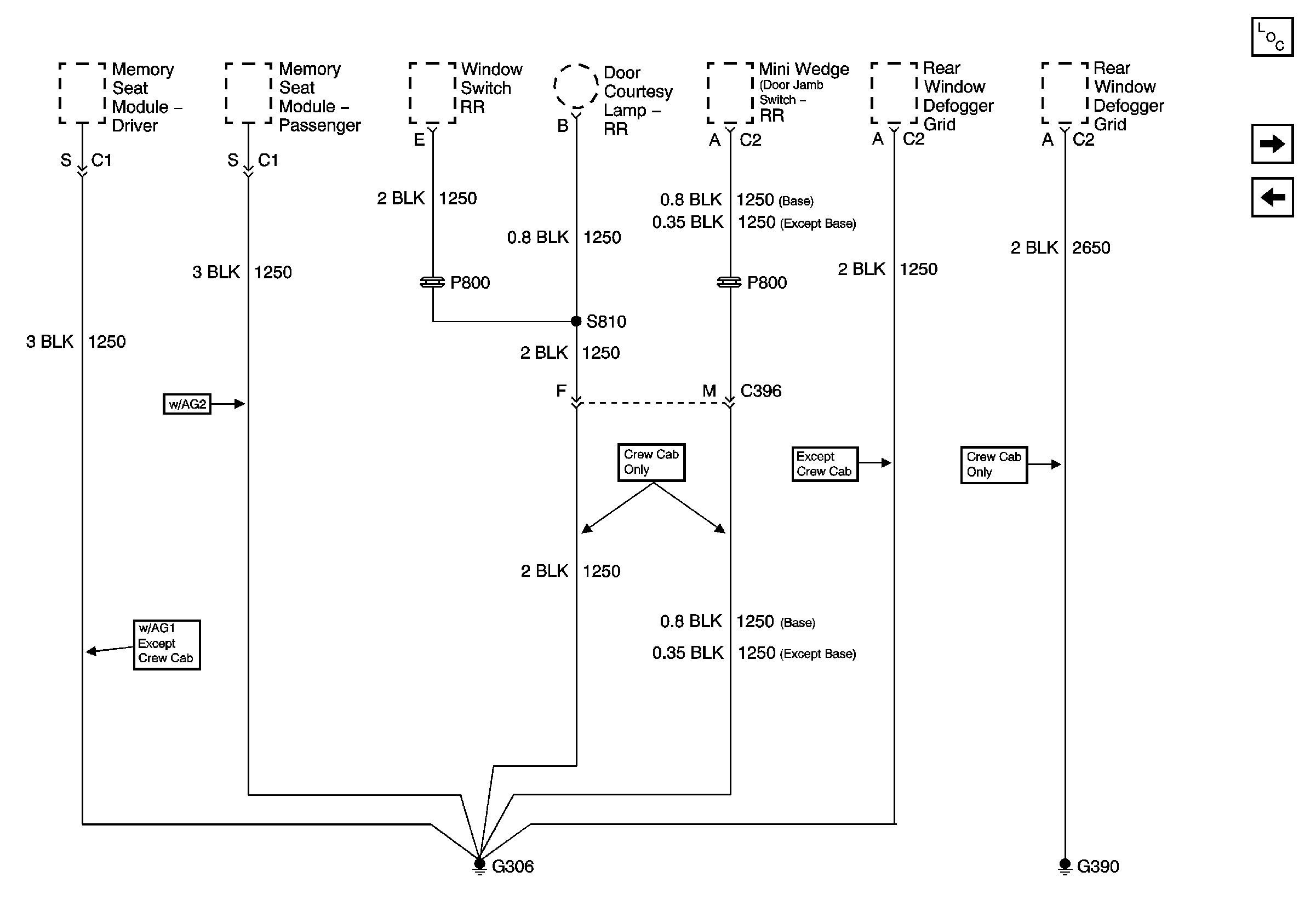
G306, G390
G302
Figure 17:

G306, G390


Object Number: 863758  Size: FS
Master Electrical Component List
G401, G402
G304, G305
Figure 18:

G401, G402


Object Number: 863759  Size: FS
Master Electrical Component List
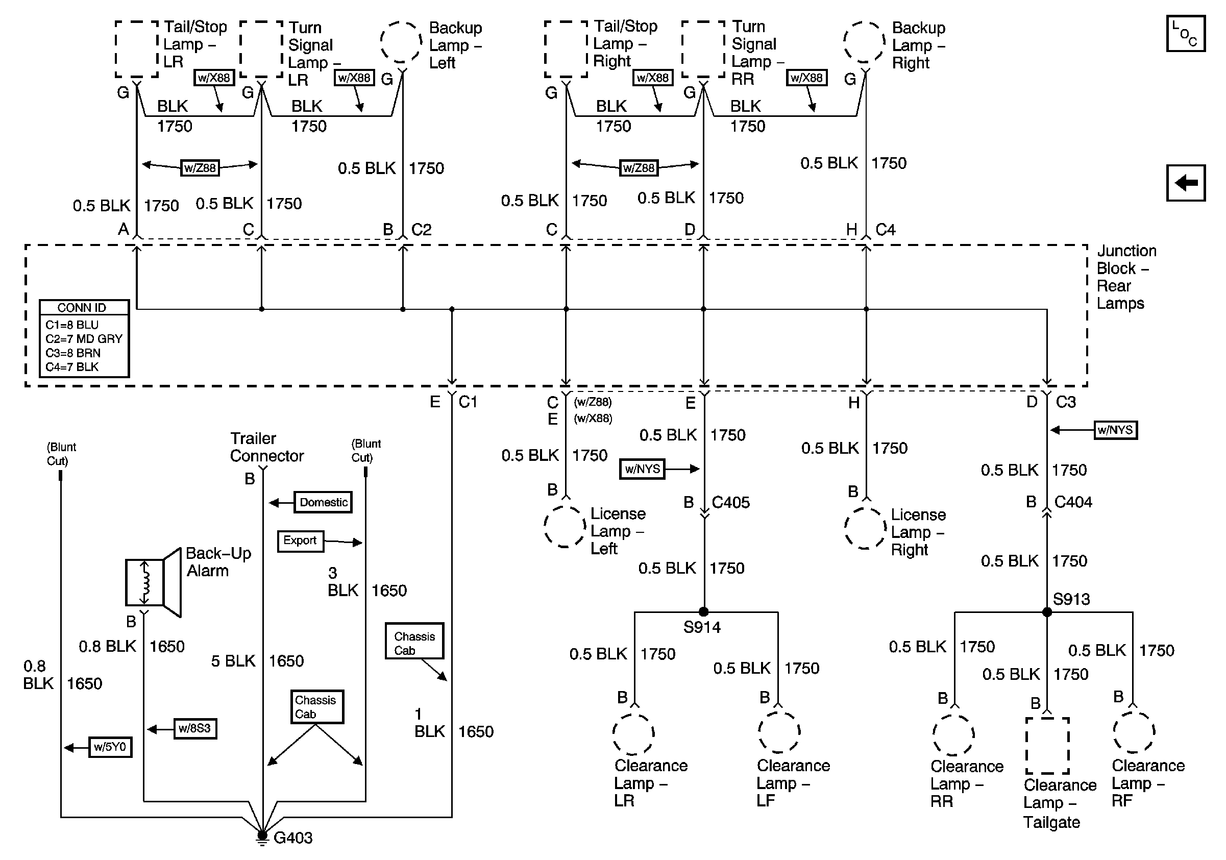
G403
G306, G390
Figure 19:

G403


Object Number: 863760  Size: FS
Master Electrical Component List
G401, G402