GM Service Manual Online
For 1990-2009 cars only

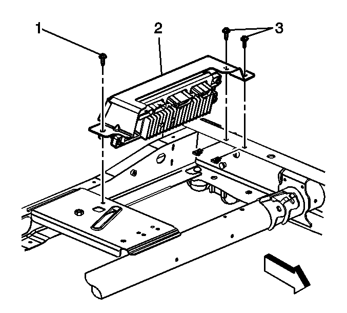
Removal Procedure

  1. Remove the rear wheel steering control module from the bracket. Refer to Rear Wheel Steering Control Module Replacement .
  2. Remove the bolts retaining the bracket (2) to the frame.

  3. Object Number: 861030  Size: SH
  4. Remove the bracket (2) from the vehicle.

Installation Procedure

    Notice: Refer to Fastener Notice in the Preface section.


    Object Number: 861030  Size: SH
  1. Install the bracket (2) to the vehicle.
  2. Install the bolts retaining the bracket (2) to the frame.
  3. Tighten
    Tighten the bracket retaining bolts to 10 N·m (81 lb in).

  4. Install the rear wheel steering control module to the vehicle. Refer to Rear Wheel Steering Control Module Replacement .